Operation CHARM: Car repair manuals for everyone.
Manuals through 2025 now available!

Our trusted friends have launched a new website named LEMON, which has newer manuals. It also contains all the CHARM manuals.

LEMON is the spiritual successor to CHARM, I recommend you try it!

Link: lemon-manuals.la or lemon-manuals.org.ua

(Some people have issue connecting. LEMON is investigating. For now, use Firefox or change your DNS server)

Or, hide this message: temporarily or permanently

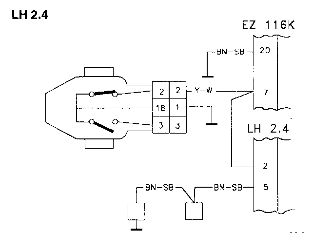
MFI #2 or DI #7 Idle Switch Signals Absent



TA. MFI#2 I DI#7 (MFI LH 2.4)

MFI#2 I DI#7 Idle switch signals absent

Fault message conditions:

The fault message is logged if voltage is over 1.2 V. on MFI#2 when Running Test is entered for the first time.

Fault Causes:




Break in the wiring between the TP switch and MFI#2.

The TP switch is defective.

Idle switch incorrectly adjusted.

Fault symptoms:

Wrong idle speed.

No fuel shut-off when the engine is braking the car.

NOTE: When checking wiring, the ST should be disconnected in accordance with QA2.Connecting The Volvo Scan Tool (ST)

TA1

Monitor Test

-Start the engine without touching the accelerator pedal AP.





-Check to see if IDLING is displayed in Monitor Test.

If IDLING Is displayed:

Intermittent fault.

-Check the wiring between MFI#2 and the TP switch for intermittent breaks in accordance with NA2. Checking the Wiring

If IDLING is not displayed:

-Check the TP switch.