Operation CHARM: Car repair manuals for everyone.
Manuals through 2025 now available!

Our trusted friends have launched a new website named LEMON, which has newer manuals. It also contains all the CHARM manuals.

LEMON is the spiritual successor to CHARM, I recommend you try it!

Link: lemon-manuals.la or lemon-manuals.org.ua

(Some people have issue connecting. LEMON is investigating. For now, use Firefox or change your DNS server)

Or, hide this message: temporarily or permanently

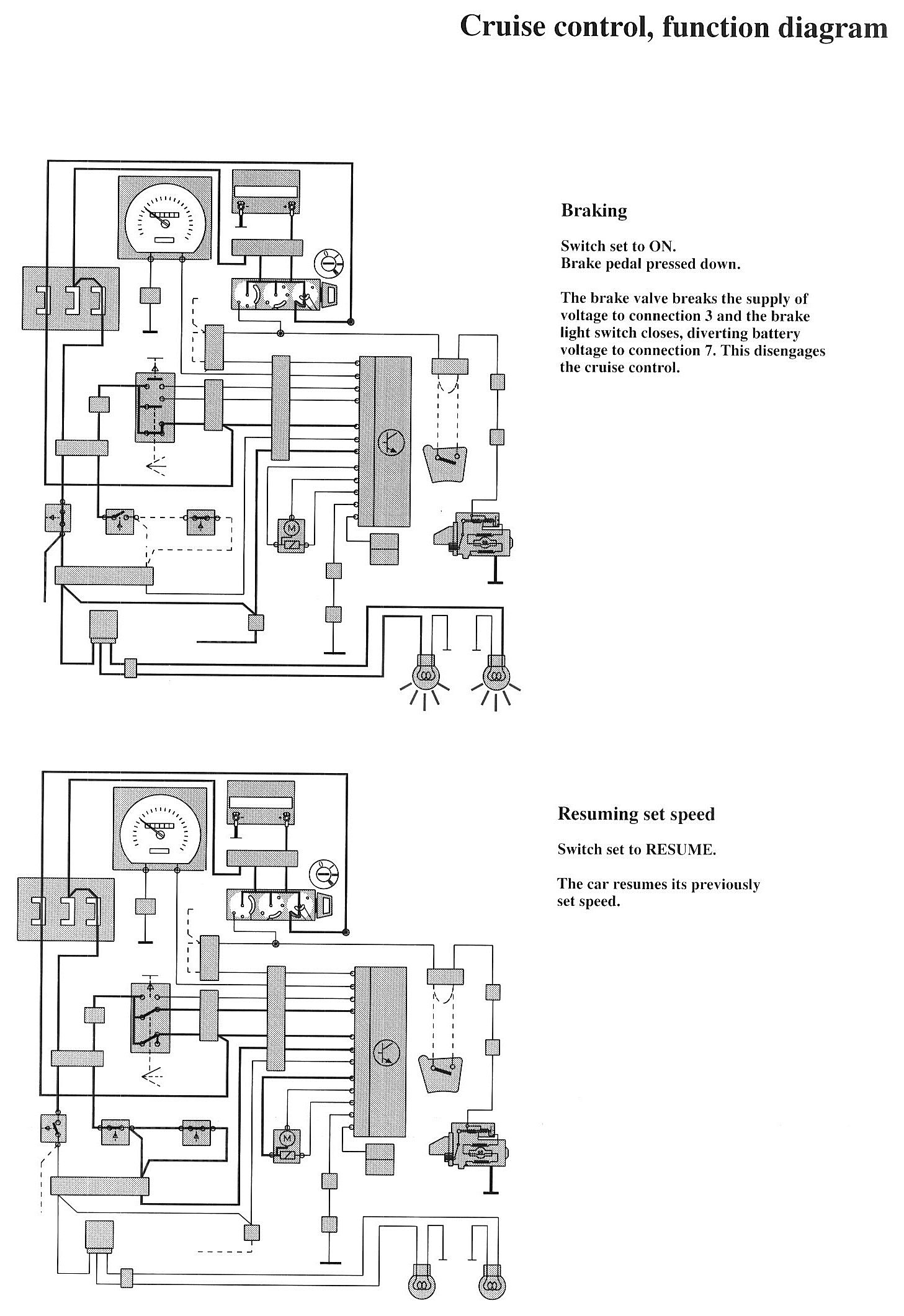
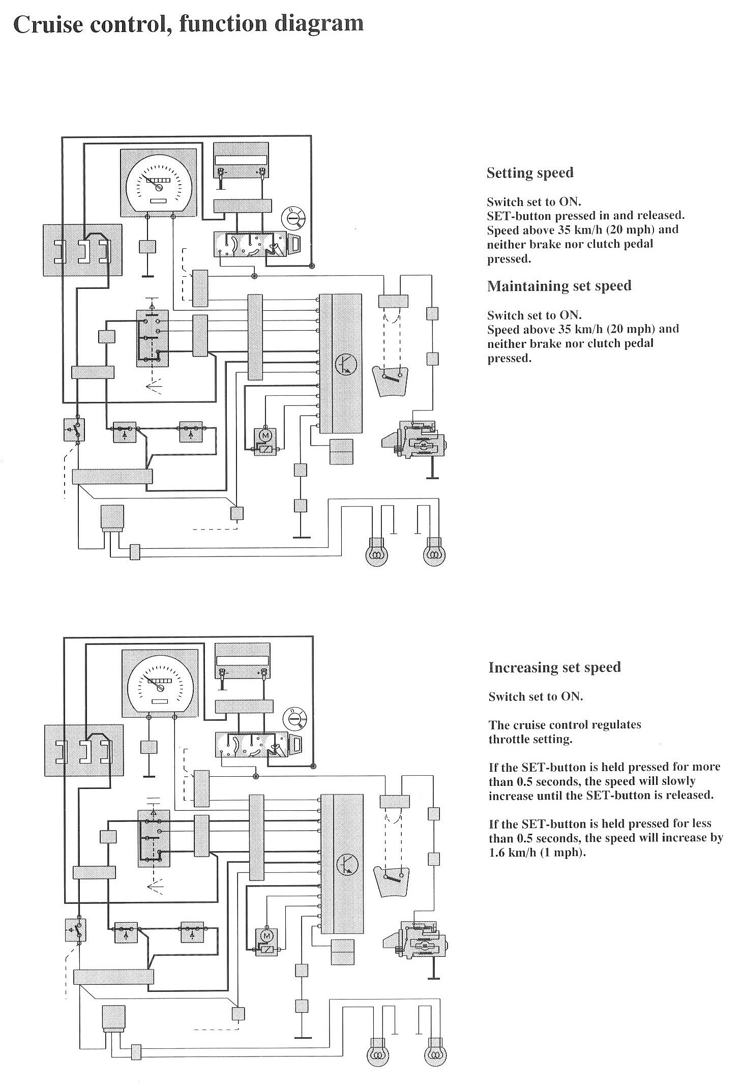
Cruise Control: Locations

Component / Connector Locations:




Wiring Diagrams:










LEGEND
1/1 Battery
2/45 Relay, shift lock
3/1 Ignition lock
3/4 Controls, cruise control
3/9 Brake light switch
3/38 Switch, brake pedal
3/39 Switch, clutch pedal
3/4 Start inhibitor switch, automatic gearbox
4/3 Control unit, cruise control
4/16 Control unit, ABS
5/1 Combined instrument
6/24 Vacuum pump, cruise control
6/25 Starter motor
7/75 Bulb failure sensor

10/43 Right brake light
10/50 Left brake light
11/1-26 Fuses
15/1 Positive terminal
17/11 Diagnostic socket
19/3 Speedometer
31/6 Ground connection, left A-post