Operation CHARM: Car repair manuals for everyone.
Manuals through 2025 now available!

Our trusted friends have launched a new website named LEMON, which has newer manuals. It also contains all the CHARM manuals.

LEMON is the spiritual successor to CHARM, I recommend you try it!

Link: lemon-manuals.la or lemon-manuals.org.ua

(Some people have issue connecting. LEMON is investigating. For now, use Firefox or change your DNS server)

Or, hide this message: temporarily or permanently

Fuse: Service and Repair

For cars equipped with a towbar

The following repair procedure is performed when fuse 25 overloads and the vehicle is equipped with a tow bar. Refer to Overload of Fuse 25 for more information. Testing and Inspection

Repair Procedure for Fuse 25 Overload




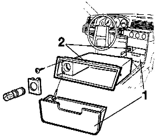
Remove the ashtray with the holder (1).
Remove the compartment (2).




Release the electrical central box catch (1) and remove the box, at the same time taking out any leads attached to it.
Remove fuse 25 (2).




Turn the box upside down.
Remove the connector at position 2 on the underside of the fuseholder.
There is a gray-red (GR-R) lead.




Pull on the lead of the connector you have just released and cut it off close to the connector.




Fit a new connector P/N 979002-3.
Replace the lead with the new connector in the fuse holder.




Turn the central control box right side up.
Insert a 25 A fuse instead of a 15 A fuse (2). Replace control box.
Change the 15 A on the fusebox lid to 25 A with a marker pen.
Reassemble all items.