Operation CHARM: Car repair manuals for everyone.
Manuals through 2025 now available!

Our trusted friends have launched a new website named LEMON, which has newer manuals. It also contains all the CHARM manuals.

LEMON is the spiritual successor to CHARM, I recommend you try it!

Link: lemon-manuals.la or lemon-manuals.org.ua

(Some people have issue connecting. LEMON is investigating. For now, use Firefox or change your DNS server)

Or, hide this message: temporarily or permanently

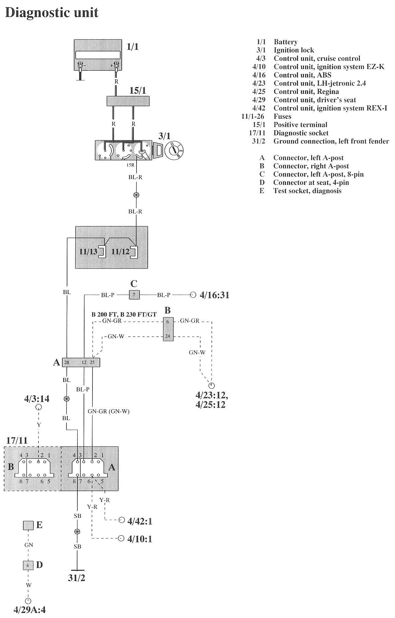
Diagnostic Unit

Wiring Diagrams:




Component / Connector Locations:




LEGEND
1/1 Battery
3/1 Ignition lock
4/3 Control unit, cruise control
4/10 Control unit, ignition system EZ-K
4/16 Control unit, ABS
4/23 Control unit, LH-jetronic 2.4
4/25 Control unit, Regina
4/29 Control unit, driver's seat
4/42 Control unit, ignition system REX.I

11/1-26 Fuses
15/1 Positive terminal
17/11 Diagnostic socket
31/2 Ground connection, left front fender