Operation CHARM: Car repair manuals for everyone.
Manuals through 2025 now available!

Our trusted friends have launched a new website named LEMON, which has newer manuals. It also contains all the CHARM manuals.

LEMON is the spiritual successor to CHARM, I recommend you try it!

Link: lemon-manuals.la or lemon-manuals.org.ua

(Some people have issue connecting. LEMON is investigating. For now, use Firefox or change your DNS server)

Or, hide this message: temporarily or permanently

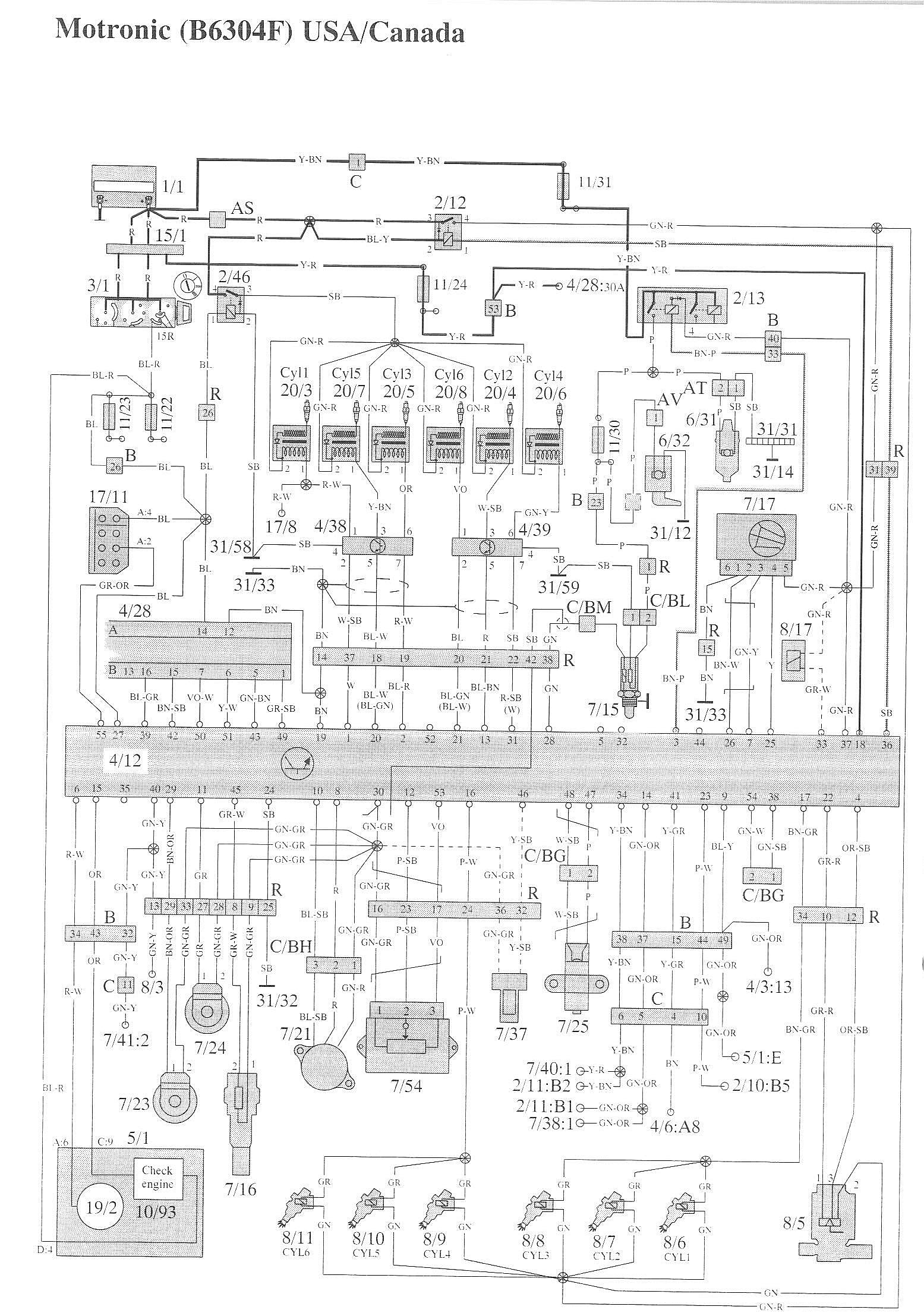
Computers and Control Systems: Locations

Component / Connector Locations:




Wiring Diagrams:




LEGEND
1/1 Battery
2/10 Power unit, ECC
2/11 Relay. electric cooling fan
2/12 Relay, injection valves
2/13 Relay, fuel injection
2/46 Relay, ignition coil
3/1 Ignition lock
3/54 Throttle position sensor
4/3 Control unit, cruise control
4/6 Control unit, ECC
4/12 Control unit, Motronic
4/28 Transmissions control unit
4/38 Power stage 1 Motronic
4/39 Power stage 2 Motronic
5/1 Combined instrument
6/31 Fuel pump
7/15 Lambdasond
7/16 Coolant temp. sensor, fuel sensor
7/17 Air mass meter
7/21 Position sensor
7/23 Knock sensor
7/24 Knock sensor
7/25 Impulse sensor
7/37 Temperature sensor, EGR (Only California)
7/38 Low speed pressure sensor, electric cooling fan
7/40 High speed pressure sensor, electric cooling fan
7/41 Pressure sensor, AC
7/54 Throttle potentiometer
8/3 Solenoid AC-compressor
8/5 Idling valve
8/6-8/11 Injection valves
8/17 EGR-valve (Only California)

11/1-35 Fuses
17/11 Test socket, diagnosis
17/8 Service socket term. 1 cyl. 1 (engine)
20/3-8 Spark plug 1
31/14 Ground connector at relay unit
31/31 Ground: 31-rail in relay unit
31/32 Ground: engine (power)
31/33 Ground: engine supply)
31/58 Ground: power stage 4/38
31/59 Ground: power stage 4/39