Operation CHARM: Car repair manuals for everyone.
Manuals through 2025 now available!

Our trusted friends have launched a new website named LEMON, which has newer manuals. It also contains all the CHARM manuals.

LEMON is the spiritual successor to CHARM, I recommend you try it!

Link: lemon-manuals.la or lemon-manuals.org.ua

(Some people have issue connecting. LEMON is investigating. For now, use Firefox or change your DNS server)

Or, hide this message: temporarily or permanently

Camshaft Position Sensor: Description and Operation





CAMSHAFT POSITION SENSOR

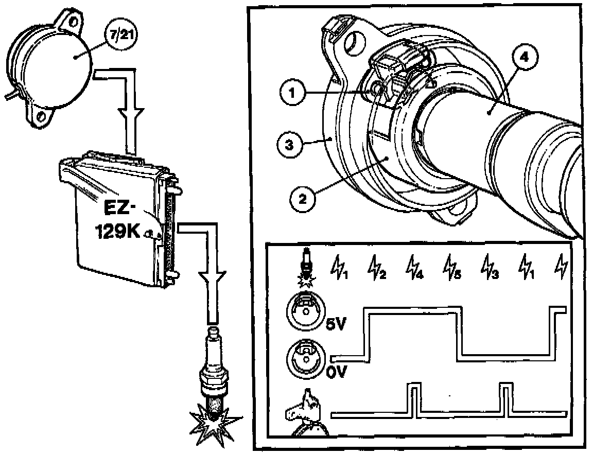
The Ignition system is provided with a Camshaft Position (CMP) Sensor (7/21), the signals from which are used to ensure that ignition takes place in the correct cylinder. The signals are used to inform the ICM whether the crankshaft is on the first or second revolution of a working cycle and is also used by the ICM to identify the cylinder in which knock may be occurring. Mounted at the rear of the engine, the sensor is driven by the exhaust side camshaft.

Camshaft Position Sensor - Design
The main components of the CMP sensor are a Hall generator (1), trigger rotor (2) and cover (3). As the rotor rotates with the camshaft (4), it alternately shields and exposes the Hall element, alternately generating high (5V) and low (0V) signals.

Since the shutter and opening on the rotor are of the same width (180° each), and since the camshaft rotates at only half the crankshaft speed, the output signal changes only after a full crankshaft revolution.

The firing order is 1-2-4-5-3. The ICM is programmed to deliver ignition in cylinders 2, 4 and 5 when the sensor signal is high (5V), and in cylinders 1 and 3 when the signal is low (0V).

The CMP sensor output signal and the crankshaft position signal from the RPM sensor, which is used as a reference, are illustrated below.

The ICM interprets a 'low' CMP sensor signal accompanied by a reference signal as a request for ignition in cylinder 1, while a 'high' sensor signal accompanied by a reference signal indicates ignition in cylinder 4. The CM also uses the CMP sensor signals to determine the cycle stroke in the different cylinders.

The engine will stop and will fail to restart if the CMP sensor signals are lost for any reason.