Operation CHARM: Car repair manuals for everyone.
Manuals through 2025 now available!

Our trusted friends have launched a new website named LEMON, which has newer manuals. It also contains all the CHARM manuals.

LEMON is the spiritual successor to CHARM, I recommend you try it!

Link: lemon-manuals.la or lemon-manuals.org.ua

(Some people have issue connecting. LEMON is investigating. For now, use Firefox or change your DNS server)

Or, hide this message: temporarily or permanently

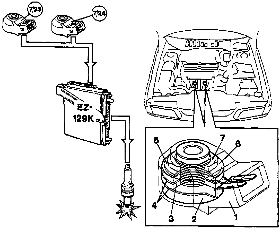
Knock Sensor: Description and Operation





KNOCK SENSORS

Mounted on the cylinder block, the two Knock Sensors (KS) generate signals which the ICM uses to determine if knock is present in any of the cylinders.

Components
^ Housing (1)
^ Sleeve (2)
^ Piezoelectric crystal (3)
^ Contact strips (4)
^ Damping weight (5)
^ Washer (6)
^ Nut (7)


Knock is caused by auto-ignition of the mixture in the combustion chamber. This may occur either before or after the spark plug has delivered a spark. In either case, the mixture is ignited at two or more points and two flame fronts are established.

The simultaneous propagation of two or more flame fronts through the chamber causes abnormally rapid and uncontrolled combustion, generating an extremely steep pressure rise which produces the characteristic metallic noise known as knock.

To eliminate knock, the ICM retards the timing in the cylinder affected so that the mixture is ignited when the piston is closer to TDC.

Knock in a cylinder produces a type of vibration in the cylinder wall. The mechanical stresses which this imposes on the piezoelectric crystal in the KS causes the device to generate a voltage. Together with the signals from the Camshaft Position Sensor and Engine Speed Sensors, this is used by the ICM to identify which cylinder is knocking.

The front KS detects knock in cylinders 1, 2 and 3, while the rear KS serves cylinders 4 and 5.