Operation CHARM: Car repair manuals for everyone.
Manuals through 2025 now available!

Our trusted friends have launched a new website named LEMON, which has newer manuals. It also contains all the CHARM manuals.

LEMON is the spiritual successor to CHARM, I recommend you try it!

Link: lemon-manuals.la or lemon-manuals.org.ua

(Some people have issue connecting. LEMON is investigating. For now, use Firefox or change your DNS server)

Or, hide this message: temporarily or permanently

EGR Valve: Service and Repair

EGR VALVE REPLACEMENT

Preparation
^ Remove / Disconnect:
- Battery ground lead.
- Throttle pulley cover.

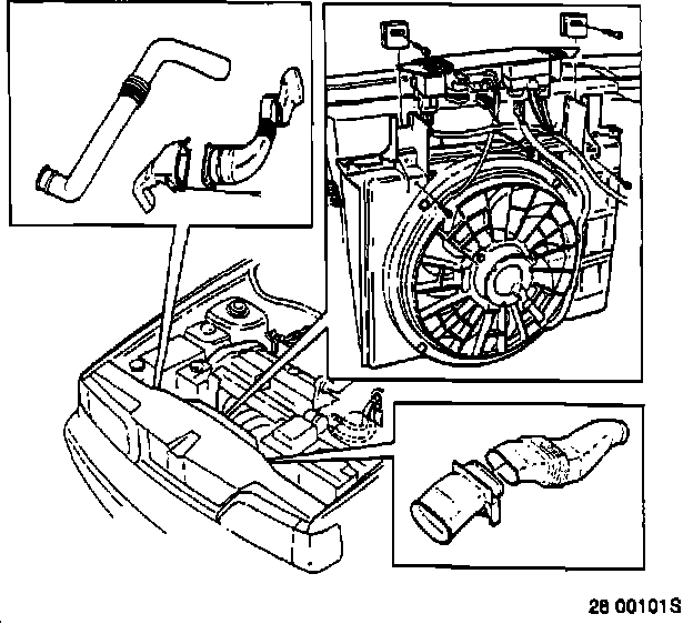
Engine Cooling Fan:





Remove Engine Cooling Fan
^ Remove / Disconnect:
- Shroud mounting screws (4).
- Air hoses to control module box.
- Move aside shroud, lift relay shelf, open fan connectors, and disconnect hoses to EGR controller at intake manifold and EGR valve.
- Shroud spacers.
- Control module box and Air Cleaner (ACL) intakes.
- Fan and shroud.
^ Protect radiator with appropriate shield, P/N 9995474.

Hoses And Connections:





Remove Hoses and Connections
^ Remove / Disconnect:
- Crankcase ventilation and carbon filter (EVAP canister) hoses.
- inlet hoses.
- Starter motor (place to one side).
- EGR temperature sensor. Remove sensor connector from clip.





Remove EGR Valve
^ Disconnect gas recirculation pipe from valve.
^ Remove valve mounting bolts, valve, and gasket.
^ Remove EGR temperature sensor from original EGR valve. Clean sensor carefully.





Install EGR Valve
^ Install EGR temperature sensor in new EGR valve.
^ Reconnect gas recirculation pipe to valve.
^ Mount valve on intake manifold using new gasket.
^ Tighten valve mounting screws to 50 Nm (37 ft lb).

Hoses And Connections:





Install Hoses and Connections
^ Install / Reconnect:
- EGR temperature sensor connector in clip. Connect sensor.
- Starter motor.
- Inlet hose.
- Crankcase ventilation and carbon filter hoses.

Engine Cooling Fan:





Install Engine Cooling Fan
^ Install / Reconnect:
- Engine cooling fan and shroud.
- Control module box and ACL intakes.
- Shroud spacers.
- Relay shelf and fan connector.
- Vacuum hoses from EGR controller (yellow hose to EGR valve and white hose to intake manifold).
- Shroud mounting screws (4).
- Air hoses to engine cooling fan box.

Install / Reconnect
- Throttle pulley cover.
- Battery ground lead.