Operation CHARM: Car repair manuals for everyone.
Manuals through 2025 now available!

Our trusted friends have launched a new website named LEMON, which has newer manuals. It also contains all the CHARM manuals.

LEMON is the spiritual successor to CHARM, I recommend you try it!

Link: lemon-manuals.la or lemon-manuals.org.ua

(Some people have issue connecting. LEMON is investigating. For now, use Firefox or change your DNS server)

Or, hide this message: temporarily or permanently

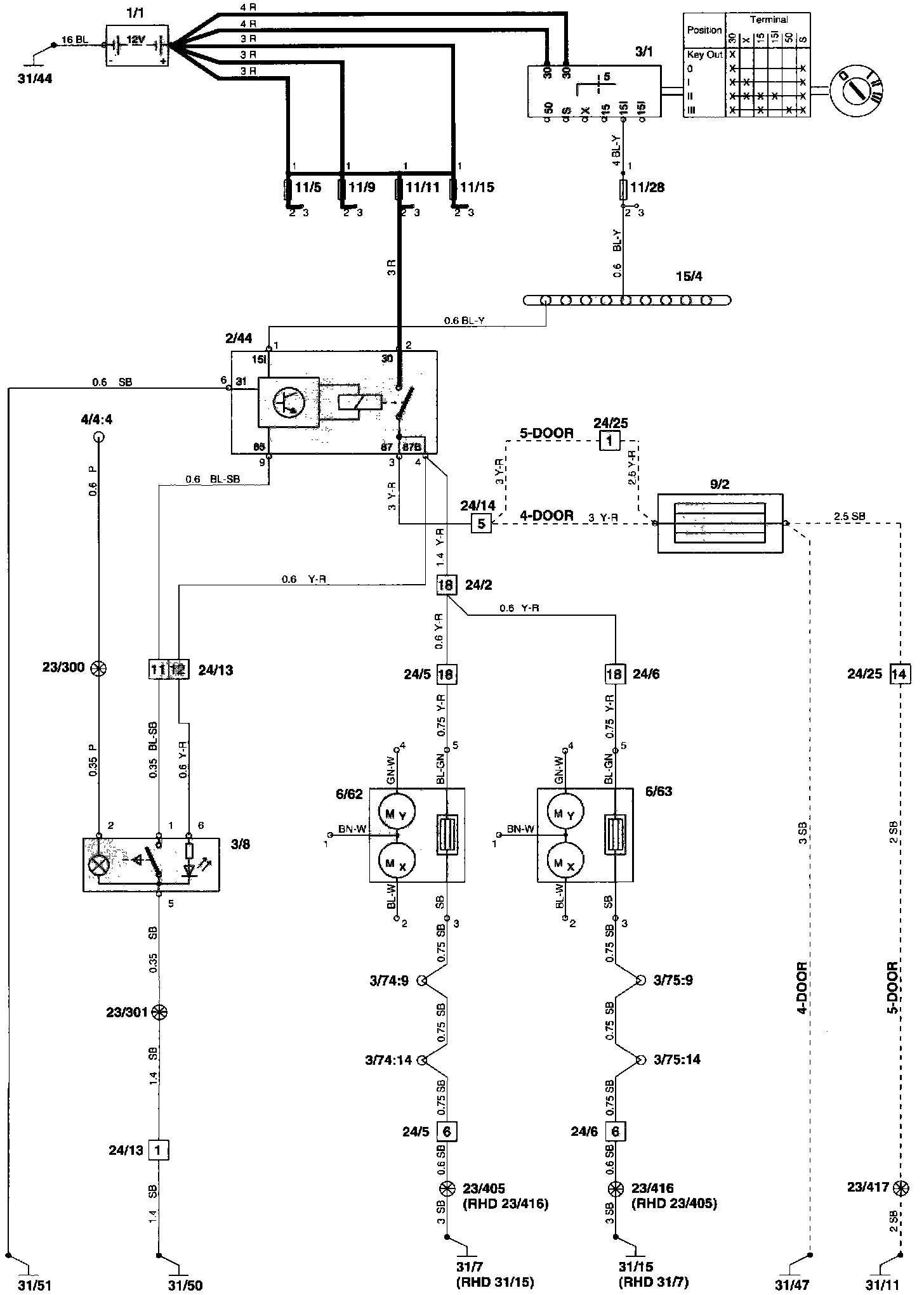
Rear Defogger: Locations




Component Location




Wiring Diagram

Component I.D.List
2/44 Relay, electrically heated rear window/door mirrors
3/8 Switch, el. heated rear window/door mirrors
6/62 Power door mirror, left side
6/63 Power door mirror, right side
9/2 Heated rear window
11/11 Fuses
11/28 Fuses
15/4 15I rail in central electrical unit
24/2 Connector, 53-pin
Engine compartment harness - Firewall harness
24/5 Connector, 24-pin
Firewall harness - Left front door harness
24/6 Connector, 24-pin
Firewall harness - Right front door harness
24/13 Connector, 53-pin
Engine compartment harness - Instrument panel harness
24/14 Connector, pos. 1-25 in 53-pin
Engine compartment harness - Door sill harness, left
24/25 Connector, 14-pin
Rocker panel (door sill) harness, left - trunk harness
31/7 Ground point, A-post driver's side
31/11 Ground point, trunk, left side
31/15 Ground point, A-post passenger's side
31/44 Ground point, engine compartment
(ground connection battery - body)
31/47 Ground point, left cross member
31/50 Ground point, central electrical unit (power ground)
31/51 Ground point, central electrical unit (signal ground)