Operation CHARM: Car repair manuals for everyone.
Manuals through 2025 now available!

Our trusted friends have launched a new website named LEMON, which has newer manuals. It also contains all the CHARM manuals.

LEMON is the spiritual successor to CHARM, I recommend you try it!

Link: lemon-manuals.la or lemon-manuals.org.ua

(Some people have issue connecting. LEMON is investigating. For now, use Firefox or change your DNS server)

Or, hide this message: temporarily or permanently

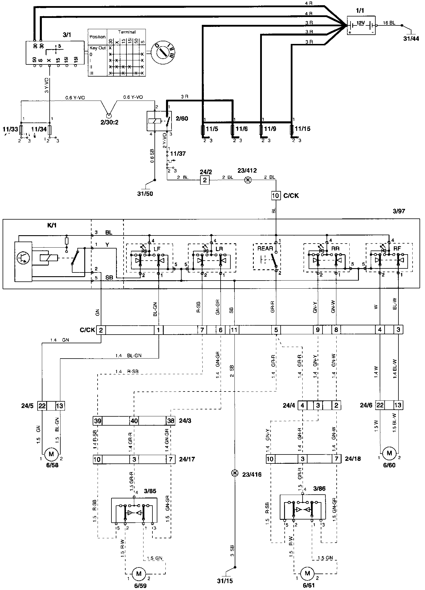
Windows: Locations




Component Location




Wiring Diagram

Component I.D.List
C/CK Connector 14-pin, power windows
K/1 Relay, auto-down power window
2/30 Overload relay X+
2/60 Overload relay X+
3/85 Power window switch, left rear door
3/86 Power window switch, right rear door
3/97 Switch, auto-down relay, power window
6/58 Power window motor, left front door
6/59 Power window motor, left rear door
6/60 Power window motor, right front door
6/61 Power window motor, right rear door
11/37 Fuses
24/2 Connector, 53-pin
Engine compartment harness - Firewall harness
24/3 LHD cars:
Connector, pos. 26-53 in 53-pin
RHD cars:
Connector, 53-pin
Firewall harness - Door sill harness, left
24/4 Connector, pos. 1-37 in 53-pin
Firewall harness - Door sill harness, right
24/5 Connector, 24-pin
Firewall harness - Left front door harness
24/6 Connector, 24-pin
Firewall harness - Right front door harness
24/17 Connector, 11-pin
Rocker panel (door sill) harness, left - Left rear door harness
24/18 Connector, 11-pin
Rocker panel (door sill) harness, right - Right rear door harness
31/15 Ground point, A-post passenger's side
31/44 Ground point, engine compartment
(ground connection battery - body)
31/50 Ground point, central electrical unit (power ground)