Operation CHARM: Car repair manuals for everyone.
Manuals through 2025 now available!

Our trusted friends have launched a new website named LEMON, which has newer manuals. It also contains all the CHARM manuals.

LEMON is the spiritual successor to CHARM, I recommend you try it!

Link: lemon-manuals.la or lemon-manuals.org.ua

(Some people have issue connecting. LEMON is investigating. For now, use Firefox or change your DNS server)

Or, hide this message: temporarily or permanently

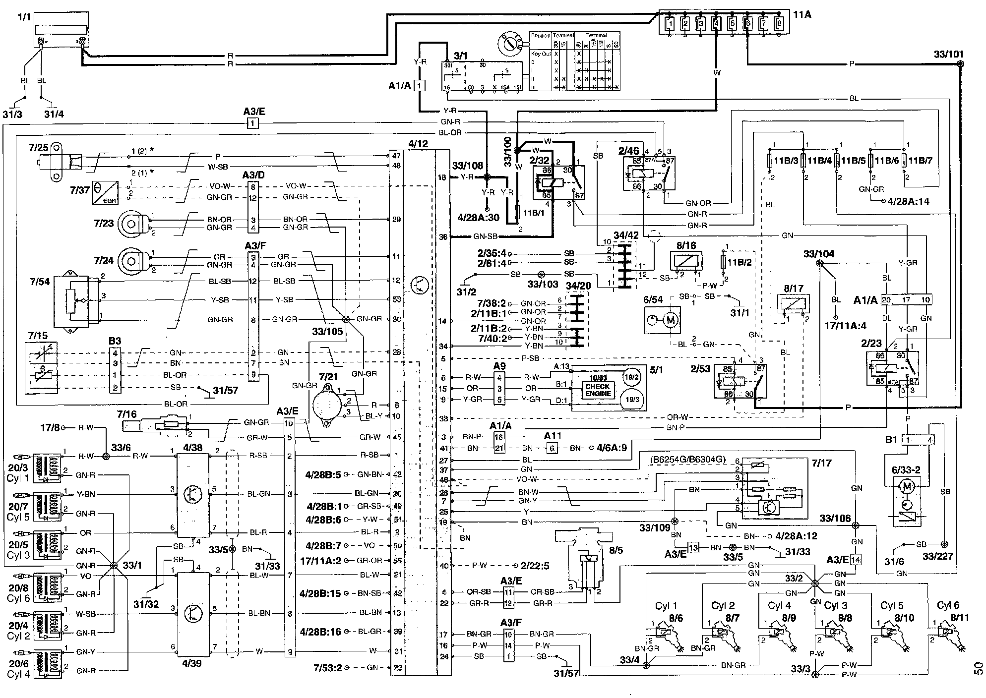
Motronic 1.8 Engine Management System




Component Location




Wiring Diagram

Component List

No. Component Name

1/1 Battery
2/1 Headlight relay with bulb failure sensor
2/2 Foglight relay
2/4 Intermittent wiper relay, windshield wipers
2/5 Relay, seat belt reminder/ignition key warning
2/6 Overload relay 15I
2/7 Central lock relay, inside lighting, delayed action
2/11 Relay, engine cooling fan
2/15 Relay exhaust temperature sensor
2/16 Intermittent wiper relay, tailgate wiper
2/17 Horn relay
2/20 Relay auto down power windows
2/22 Automatic climate control A/C relay
2/23 Relay, fuel pump
2/28 Anti-theft relay
2/30 Overload relay, +X
2/32 Main relay, Fuel Injection system
2/35 Start motor 50 relay
2/44 Relay rear window/door mirror heating
2/46 Relay ignition coil
2/53 Air pump relay
2/61 Parking lights relay
2/66 Relay, fog lights, USA
3/1 Ignition lock
3/2 High and low beam switch
3/3 Switch, turnsignal/high-low beam
3/4 Cruise control operation
3/6 Switch, hazard warning with flasher relay
3/7 Foglight switch
3/8 Switch with timer relay, heated rear window/door mirrors
3/9 Brake light switch
3/10 Backup (reversing) light switch
3/12 Windshield wash/wipe switch
3/13 Rear window wash/wipe switch
3/15 Power window lift switch driver's door for driver's door
3/16 Power window lift switch driver's door for driver's side, rear
3/17 Power window lift switch driver's door for passenger's side front
3/18 Power window lift switch driver's door for passenger's side rear
3/19 Power window lift switch driver's side rear
3/20 Power window lift switch passenger's side front
3/21 Power window lift switch passenger's side rear
3/22 Switch for rear power window lifts
3/23 Switch for power door mirror, driver's side
3/24 Switch for power door mirror, passenger's side
3/25 Switch, power sunroof
3/26 Control module, driver's seat
3/27 Control module, passenger's seat
3/28 Switch for heated driver's Seat
3/29 Switch for heated passenger's seat
3/31 Door switch driver's door
3/32 Door switch passenger's side front
3/33 Door switch driver's side rear
3/34 Door switch passenger's side rear
3/35 Door switch tailgate (5-door)
3/36 Switch, glove compartment light
3/37 Horn contacts
3/38 Switch, brake pedal
3/39 Switch, clutch pedal
3/40 Start inhibit switch, automatic transmission
3/42 Kickdown switch
3/44 Seat belt lock, driver's seat
3/47 Parking brake switch
3/52 Power antenna switch
3/59 Beam width control
3/62 Alarm switch, hood
3/63 Mode selector AW30-40/43
3/70 Switch, clock/rheostat
3/71 Gear position sensor
3/78 Lock unit, tailgate
3/100 Lock module, driver's door
4/3 Control module, Cruise control
4/4 Rheostat
4/5 Safety circuit, SRS
4/6 Control module ECC
4/9 Sensor unit SRS
4/12 Control module Motronic (MFI) system
4/16 Control module ABS
4/19 Control module, remote control central locking and car alarm
4/28 Control module AW30-40/43
4/31 Control module, cabin fan
4/38 Power stage Motronic 1 (MFI) system
4/39 Power stage Motronic 2 (MFI) system
4/40 Control module, Manual Climate Control MCC
4/52 Control module, power seat with memory, driver's side
5/1 Combined instrument
5/3 Ambient temperature sensor
6/1 Windshield wiper motor
6/2 Washer motor, front
6/3 Right headlight wiper motor
6/4 Left headlight wiper motor
6/5 Central locking motor passenger's side front
6/6 Central locking motor passenger's side rear
6/7 Central locking motor driver's side rear
6/8 Central locking motor tailgate
6/9 Power window lift motor driver's door
6/10 Power window lift motor driver's side rear
6/11 Power window lift motor passenger's side front
6/12 Power window lift motor passenger's side rear
6/13 Power door mirror, driver's side
6/14 Power door mirror, passenger's side
6/15 Motor, power sunroof
6/16 Motor driver's seat backrest
6/17 Motor up-down, front edge of driver's seat
6/18 Motor up-down, rear edge of driver's seat
6/19 Motor fore-aft driver's seat
6/24 Cruise control vacuum pump
6/25 Starter motor
6/26 Generator
6/27 Servo motor throttle control
6/28 Cabin fan motor
6/29 Engine cooling fan
6/30 Wiper motor, tailgate
6/32 Tailgate wiper motor
6/33-1 Fuel level sensor
6/33-2 Fuel primer pump
6/34 Power antenna
6/35 Parking heater
6/38 Actuator, left beam width control
6/39 Actuator, right beam width control
6/54 Air pump motor
7/1 Bulb failure sensor, rear
7/4 Brake fluid level sensor
7/5 Washer fluid level sensor
7/6 Oil pressure sensor
7/7 Engine coolant temperature (ECT) sensor
7/9 Engine coolant temperature (ECT) sensor, ECC
7/10 Cabin temperature sensor
7/11 Ambient temperature sensor
7/12 Solar sensor ECC alarm diode
7/15 Heated oxygen sensor (HO2S)
7/16 Engine coolant temperature (ECT) sensor, fuel/ignition system
7/17 Mass air flow (MAF) sensor
7/21 Camshaft position (CMP) sensor
7/22 Engine speed (RPM) sensor
7/23 Knock sensor (KS), rear
7/24 Knock sensor (KS), front
7/25 Impulse sensor
7/31 Sensor ABS left front
7/32 Sensor ABS right front
7/33 Sensor speedometer and ABS
7/34 Thermoelement three-way catalytic converter (TWC)
7/37 Temperature sensor EGR
7/38 Low-speed pressure sensor, engine cooling fan
7/40 High-speed pressure sensor, engine cooling fan
7/41 High-pressure sensor, A/C
7/43 Thermostat, heated seat left side
7/44 Thermostat, heated seat right side
7/53 Low-pressure sensor, A/C
7/54 Throttle position (TP) sensor
7/69 Ambient temperature sensor
7/73 Engine coolant level sensor
7/74 Oil temperature sensor AW30-40/43
8/2 Operating solenoids, ECC/MCC
8/3 Solenoid coupling, A/C
8/5 Idle air control (IAC) valve
8/6-11 Injectors
8/15 Hydraulic unit ABS
8/16 Solenoid for auxiliary air system
8/17 Converter, EGR
8/30 Steering wheel module SRS
8/31 Passenger module SRS
8/33 Igniter, seat belt pre-tensioner, left side
8/34 Igniter, seat belt pre-tensioner, right side
8/36 Solenoid P-shift lock
8/37 Solenoids AW30-40/43
9/1 Cigar lighter
9/2 Heated rear window
9/3 Heater element driver's seat backrest
9/4 Heater element passenger's seat backrest
9/5 Heater element driver's seat cushion
9/6 Heater element passenger's seat cushion
9/22 Seat heating driver's side
9/23 Seat heating passenger's side
10/1 Left front light
10/2 Right front light
10/3 License plate light
10/5 Left front foglight
10/6 Right front foglight
10/9 Left parking light and front turn signal
10/10 Right parking light and front turn signal
10/11 Left parking light, front
10/12 Right parking light, front
10/13 Left turn signal front
10/14 Right turn signal front
10/15 Left turn signal side repeater (not USA/CDN)
10/16 Right turn signal side repeater (not USA/CDN)
10/17 Right tail light
10/18 Left tail light
10/19 Extra brake light
10/22 Roof light
10/24 Trunk light
10/25 Roof light, load area (5-door)
10/26 Reading light, left rear
10/27 Reading light, right rear
10/29 Glove compartment light
10/30 Door open warning light driver's door
10/31 Door open warning light passenger's door
10/32 Door open warning light driver's side rear
10/33 Door open warning light passenger's side rear
10/37 Cigar lighter illumination
10/38 Ashtray illumination, rear
10/39 Seat heater switch illumination
10/40 Gear selector illumination
10/43 Right brake light
10/44 Right parking light rear
10/45 Right parking / tail light
10/46 Right rear foglight
10/47 Light, right rear turn signal
10/48 Right backup (reversing) light
10/50 Left brake light
10/51 Left parking light, rear
10/52 Left parking / tail light
10/53 Left rear foglight
10/54 Lamp left rear turn signal
10/55 Left backup (reversing) light
10/64 Right high beam
10/66 Right low beam
10/68 Left high beam
10/70 Left low beam
10/72 Ashtray illumination, front
10/74 Indicator light exhaust temperature
10/77 Indicator light SRS
10/78 Indicator light seat belt
10/79 Indicator light overdrive (auto.)/gear change indicator
10/82 Indicator light ABS
10/83 Indicator light parking brake
10/84 Indicator light brake warning
10/85 Indicator light high beams
10/86 Indicator light oil pressure
10/87 Indicator light charging
10/88 Indicator light bulb failure sensor
10/89 Indicator light rear foglights
10/90 Indicator light washer fluid level sensor
10/91 Service indicator
10/93 Indicator light
Malfunction Indicator Lamp (MIL)
10/94 Indicator light right turn signal
10/95 Indicator light left turn signal
10/96 Instrument lighting
10/97 Entry lighting, driver's side
10/102 Entry lighting, passenger's side
10/109 Warning light trailer
10/110 Coolant level warning light
10/113 Alarm diode
10/114 Vanity mirror light, left side
10/115 Vanity mirror light, right side
11/41 Fuse, combined instrument
11A/1-8 Main fuses at battery
11B/1-18 Fuses in relay/fuse box engine compartment
11C/1-24 Fuses in fuse box
CB1 Automatic fuse in fuse box in car
CB2 Automatic fuse in fuse box in car
16/1 Radio
16/3 Loudspeaker right front door
16/4 Loudspeaker left front door
16/5 Loudspeaker right rear door
16/6 Loudspeaker left rear door
16/7 Loudspeaker instrument panel right side
16/8 Loudspeaker instrument panel left side
16/9 Antenna
16/10 Horn 1
16/11 Horn 2
16/15 CD-changer
16/16 Antenna signal booster (windshield antenna)
16/17 Loudspeaker, parcel shelf left side/D-post left side
16/18 Loudspeaker, parcel shelf right side/D-post right side
16/19 Anti-theft alarm horn
17/1 Service socket for starter motor operation
17/8 Service socket: clamp 1, cyl. 1 (engine)
17/11 OBD diagnostic socket
18/4 Contact reel SRS
19/1 Engine coolant temperature (ECT) sensor
19/2 Engine speed (RPM) sensor
19/3 Speedometer
19/4 Clock
19/5 Fuel level sensor
20/3-8 Spark plugs (ignition coils)
20/18 Blower fan resistor
31/1 Ground connector right front wing
31/2 Ground connector left front wing
31/3 Ground connector body
31/4 Ground connector engine
31/5 Ground connector for heated rear window (4-door)
31/6 Ground connector left seat lift
31/10 Ground connector right seat lift
31/11 Ground connector left tail light cluster
31/12 Ground connector right tail light cluster
31/13 Ground connector in trunk
31/16 Ground connector at windshield wiper motor
31/17 Ground connector at power sunroof motor
31/18 Ground connector at centre console (radio)
31/25 Ground point starter motor
31/26 Ground connector generator
31/32 Ground connector on engine (power ground)
31/33 Ground connector on engine (signal ground)
31/35 Ground connector, antenna
31/54 Ground connector SRS sensor module
31/56 Ground connector gear selector sensor
31/57 Ground connector on engine for Motronic (power ground)
31/64 Ground connector engine cooling fan
33/1-704 Branching points
34/18 22-pin connector: ground connection at central relay module in car
34/19 22-pin connector: ground connection/terminal block at parking brake bracket
34/20 10-pin connector: terminal block relay/fuse box engine compartment
34/42 20-pin connector: terminal block in relay/fuse box engine compartment
A1 Multi connector left A-pillar
A3 Multi connector in relay/fusebox engine compartment CH engine - CH engine compartment
A4 2-pin connector left A-pillar CH engine compartment - CH in-car (white)
A8 15-pin connector left A-pillar CH engine compartment - CH dashboard (white)
A9 13-pin connector left A-pillar CH engine compartment - CH dashboard (blue)
A10 5-pin connector CH in-car - CH heater
A11 6-pin connector CH in-car - CH heater
A13 3-pin connector coupling bridge fog light
A14 15-pin connector CH ABS - CH in-car
A15 12-pin connector CH in-car - CH rear (4-door)
12-pin connector CH in-car - CH rear (5-door)
A16 24-pin connector CH in-car - CH rear
A17 2-pin connector CH in-car - CH dashboard
A21 2-pin connector SRS igniter passenger side
A25 2-pin connector CH in-car - CH pedal mounting
A26 2-pin connector CH extra brake light - CH tailgate (5-door)
A27 6-pin connector CH rear - CH tailgate (5-door)
A28 2-pin connector CH rear - CH tailgate (5-door)
A30 2-pin connector CH in-car - CH power sunroof
A31 6-pin connector CH in-car - CH interior lighting
A32 24-pin connector CH in-car - CH driver's door
A33 24-pin connector CH in-car - CH passenger's door
A34 4-pin connector CH in-car (transmission) - solenoid P-shift lock
A35 4-pin connector CH motor (Sensors auto. transmission AW)
A36 11-pin connector CH in-car - CH rear door left
A37 11-pin connector CH in-car - CH rear door right
A38 1-pin connector CH dashboard - power antenna
A39 1-pin connector CH ABS - CH engine compartment
A40 1-pin connector CH ABS - CH engine compartment
A43 2-pin connector CH dashboard - CH CD changer
B1 4-pin connector CH rear - switch fuel level sensor/fuel pump
B2 4-pin connector CH rear - power antenna/antenna booster
B3 4-pin connector HO2S CH - engine compartment
B4 8-pin connector at AW30-40/43
B5 8-pin connector at AW30-40/43
B6 4-pin connector at driver seat
B7 6-pin connector under driver seat
B8 2-pin connector under driver seat
D5 Connector towing hook
D8 8-pin connector dashboard harness - ambient temp. sensor
D9 1-pin connector CH engine compartment - spot light (accessory)
D10 4-pin connector CH in car - accessory