Operation CHARM: Car repair manuals for everyone.
Manuals through 2025 now available!

Our trusted friends have launched a new website named LEMON, which has newer manuals. It also contains all the CHARM manuals.

LEMON is the spiritual successor to CHARM, I recommend you try it!

Link: lemon-manuals.la or lemon-manuals.org.ua

(Some people have issue connecting. LEMON is investigating. For now, use Firefox or change your DNS server)

Or, hide this message: temporarily or permanently

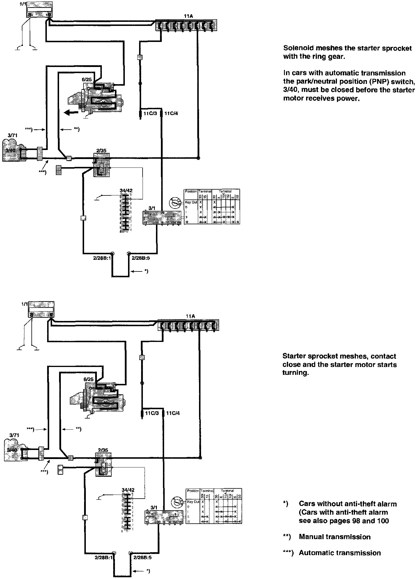
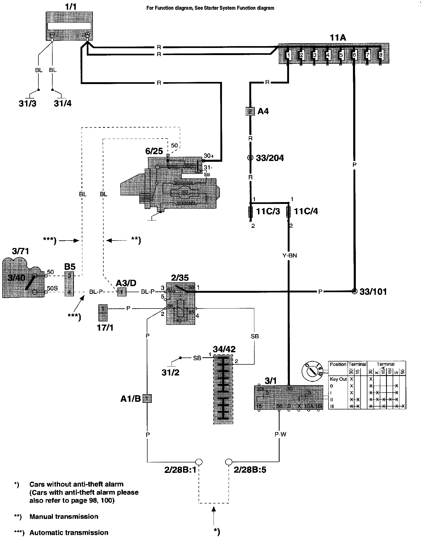
Starting System: Locations




Component Location




Wiring Diagram




Fuction Diagram

Component I.D. List
A1 Multi connector left A-pillar
A3 Multi connector in relay-/fusebox engine compartment CH engine CH engine compartment
A4 2-pin connector left A-pillar CH engine compartment - CH in-car (white)
B5 8-pin connector at AW30-40/43
2/35 Start motor 50 relay
3/40 Park/neutral position switch, automatic transmission
3/71 Gear position sensor
6/25 Starter motor
11C/1-24 Fuses in fuse box
17/1 Service socket for starter motor operation
31/2 Ground connector left front wing
34/42 20-pin connector: terminal block in integrated relay/fusebox engine compartment