Operation CHARM: Car repair manuals for everyone.
Manuals through 2025 now available!

Our trusted friends have launched a new website named LEMON, which has newer manuals. It also contains all the CHARM manuals.

LEMON is the spiritual successor to CHARM, I recommend you try it!

Link: lemon-manuals.la or lemon-manuals.org.ua

(Some people have issue connecting. LEMON is investigating. For now, use Firefox or change your DNS server)

Or, hide this message: temporarily or permanently

Function






Function

ABS function




While driving, the ABS control module (1) continuously registers the acceleration and deceleration of the wheels. The wheel sensors (3) on each wheel send this information to the ABS control module. The ABS control module calculates the reference speed of the car using these signals. The ABS control module transmits a signal with the speed of the car via the Control area network (CAN), which is used by other control modules.
When braking, the ABS control module (1) receives a signal from the stop (brake) lamp switch (2) indicating that braking is occurring. The ABS control module goes into standby mode for ABS-control. The signal from the stop (brake) lamp switch is not required for ABS control, but does give softer control at the beginning of ABS control.
If the ABS control module detects that there is a risk of wheel lock-up, the ABS hydraulic modulator (4) is affected and the hydraulic pressure for the relevant wheel is adapted so that wheel lock up is avoided.
The pressure in the circuit is controlled so that the maximum possible braking force is transferred to the road surface, which means that the wheel rotates with 12-20% less slippage on the surface.
ABS is first activated when the speed of the car exceeds approximately 7 km/h, which means that at speeds below approximately 7 km/h the wheels can lock up. This has little practical effect on the function of the system or from the driver's point of view.
ABS control can be divided into three stages:
1. Open position. (Pressure buildup). This is the normal condition during braking. The inlet valve is open and the outlet valve is closed. This permits the brake pressure to pass from the master cylinder to the wheel
2. Pressure retention phase. (Constant pressure). If the ABS control module detects that one of the wheels is rotating too slowly, the control module will close the inlet valve. This stops the brake pressure to the wheel from increasing, even if the driver increases the pressure on the brake pedal. If the rotation speed of the wheel continues to fall the control moves into the pressure reduction phase
3. Pressure reduction phase. (Pressure release). The inlet valve remains closed. The ABS control module opens the outlet valve and starts the pump which transfers brake fluid from the wheel, this reduces the brake pressure. When the rotation speed has increased sufficiently the control module closes the outlet valve, opens the inlet valve and control returns to the open position.
Steps 1, 2 or 3 are repeated until braking finishes or the ABS system stops.

ABS control

No braking




When the driver is not braking, the brake system is unaffected (i.e. the master cylinder is in the rest position and the connections between the brake fluid reservoir and the rest of the hydraulic system is open). There is no pressure in the system. In the ABS hydraulic modulator valve block, the hydraulic valves are in their rest position. In other words, the inlet valves are open and the outlet valves closed.

Braking without ABS




When the brake pedal is depressed, the movement of the pedal is transmitted via the power brake booster to the master cylinder pistons and the stop (brake) lamp switch trips. When the primary and secondary pistons move forwards in the master cylinder, the openings for the brake fluid reservoir are closed. The hydraulic pressure in the two brake circuits increases and affects the pistons in the brake calipers which press the brake pads against the brake discs.
When the brake pedal is released, the pistons revert to the rest position in the master cylinder. The connection to the brake fluid reservoir opens and the brake system pressure falls. The brake caliper pistons return to their rest positions with the aid of the sealing rings.

Braking with ABS




When a wheel starts to lock-up under braking the ABS control module closes the inlet valves for the relevant brake circuit so that the supply of brake fluid from the master cylinder is stopped. This means that the hydraulic pressure cannot increase irrespective of the pressure in the master cylinder (constant pressure, see the right-hand front wheel - FR). The hydraulic pump starts at the same time.
If the wheel locks anyway, the outlet valve opens and the brake fluid is allowed back to the accumulators resulting in a reduction in the brake circuit pressure (pressure release, see the left front wheel - FL). This reduces the hydraulic pressure and braking effect, allowing the wheel to accelerate. The hydraulic pump returns the brake fluid from the accumulators to the master cylinder.
When the acceleration is sufficient, the ABS control module closes the outlet valve and opens the inlet valve, so that the hydraulic pressure in the circuit increases. During the pressure increase phase the required fluid volume is supplied by the master cylinder and the pump if the accumulators contain brake fluid. As the volume of fluid supplied to the brake circuit is greater than the volume released back into the accumulators from the brake circuits, the accumulators only compensate for the volume peaks on the pump suction side. The pump returns the brake fluid from the accumulators to the master cylinder or brake circuits depending on the position of the inlet valves.
When the pump operates the brake pedal is raised and lowered (pulses). This is normal and is also a warning to the driver that ABS control is active.
The hydraulic pump is operational for approximately 1 second after the ABS control has finished to ensure that the accumulators are empty.

Electronic brake force distribution (EBD)




Electronic brake force distribution (EBD) is integrated in the ABS system and controls the braking forces to the rear wheel brakes. The electronic brake force distribution (EBD) function replaces the relief valve which otherwise reduces the pressure in the brake circuit for the rear wheels.
Electronic brake force distribution controls the hydraulic pressure in the brake circuit for the rear wheels the rear wheels slip considerably less than the front wheels under braking. This ensures optimal and stable braking.
The ABS control module regulates the brake pressure by controlling the inlet and outlet valves in the rear wheel brake circuits.
The electronic brake force distribution (EBD) pressure switch is connected to the primary circuit of the master cylinder and transmits signals that the primary circuit is pressurized. Electronic brake force distribution (EBD) is only available when the pressure switch is activated.
The brake pressure in the rear wheel circuits varies, depending on how much the rear wheels slip in relation to the front wheels. The purpose of the control is to keep the rear wheel slippage to 0-2% higher than the front wheels. The function is load sensitive.
Generally, the difference between the rear wheel and front wheel slippage under braking is dependent on how hard the brakes are applied and on the load of the car. Hard braking /light loads cause more slippage, light braking/heavy loads cause less slippage.
Therefore the requirement for brake fluid when the hydraulic pump is not activated during electronic brake force distribution (EBD) control is less than during stability and traction control. The fluid volume returned from the brake circuits is taken up by the accumulators.

STC (stability and traction control) system
The STC (stability and traction control) system consists of two functions, stability control and traction control. The stability function is controlled by the engine control module (ECM). The traction control function and TRACS (TRAction Control System) operate in the same way. See the "Traction control" section.

Stability Control
Stability control occurs when the ABS control module transmits a signal to the engine control module (ECM) telling the it to lower the engine torque if any of the wheels lose traction. Stability control is available between 0 km/h and top speed. For information about traction control, see the "Traction control" section.

Traction Control




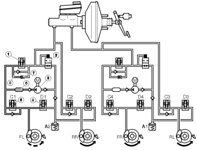
The illustration shows traction control on front wheel drive cars.

Components
1. Separation valve, normally open
2. Hydraulic shuttle valve, normally closed
3. Hydraulic pump
4. Outlet valve, normally closed
5. Inlet valve, normally open
6. Pressure equalizer
7. Overflow valve
8. Non-return valve.
The traction control function is integrated with the ABS system.
The system is mainly designed to assist with moving off on slippery surfaces at speeds up to approximately 40 km/h. Traction control has only a very limited effect at speeds over 40 km/h.
The traction control function is always engaged when the ignition is switched on. The function can be disengaged using the STC switch, which is located on the lower section of the climate control module (CCM).
If the ABS control module registers via the front wheel sensors that any of the driven wheels are spinning faster than the others, the separation valve (1) closes and the hydraulic pump (3) starts so that brake fluid is pumped to the slipping wheel brake caliper. Pressure builds up in the brake circuit and the brakes are applied as much as required so that the drive force is distributed between the driven wheels. The wheel which has the best traction receives the most driven force against the surface. This process is independent of engine output.

On cars with traction control, the ABS control module continually registers brake usage and calculates the temperature of the front brake discs. If traction control is engaged and the calculated temperature becomes too high, approximately 450 °C, traction control cuts out and the traction control warning indicator lights. This is to prevent the brakes from over heating. The light goes out once the calculated temperature falls below approximately 350 °C and traction control is engaged again. However, the ABS function is always available. Information about calculated temperature of the brake discs is found in the ABS control module as long as the 30-supply is connected. If the brake system has been used too hard, this may also cause high brake temperatures.

Traction Control

No traction control
When the driven wheels are not spinning the brake system is unaffected (i.e. the master cylinder is in the rest position and the connections between the brake fluid reservoir and the rest of the hydraulic system are open). There is no pressure in the system. In the ABS hydraulic modulator valve block, the hydraulic valves are in their rest position. In other words, the inlet valves and the separation valves are open and the outlet valves closed.

Traction control when one or both driven wheels spin




The illustration shows traction control on front wheel drive cars.

Components
1. Separation valve, normally open
2. Hydraulic shuttle valve, normally closed
3. Hydraulic pump
4. Outlet valve, normally closed
5. Inlet valve, normally open
6. Pressure equalizer
7. Overflow valve
8. Non-return valve.
If the car moves off and one or both driven wheels are threatening to slip, the ABS control module detects this by comparing the signals from the wheel sensors with a calculated reference speed. The control module closes one or both separation valves and the hydraulic pump starts. The separation valve blocks the connection between the pump pressure side and the master cylinder primary circuit /secondary circuit. The inlet valve for the non-spinning wheel closes so that the brake is not applied on that wheel. The hydraulic pump draws brake fluid from the brake fluid reservoir via the hydraulic shuttle valve and increases the pressure until the by-pass valve opens. The hydraulic pressure reaches the spinning wheel and slows down the wheel so that the driven force is distributed between the driven wheels so that the wheel with the best traction receives the most driven force.
As the pump supplies a greater flow than required by traction control, the excess brake fluid is drained off by the by-pass valve for the master cylinder or is drawn directly up by the pump.
If traction control is manually disengaged it can be re-engaged using the switch whilst the wheels are spinning. The function then starts more softly than normal.
The inlet valve closes as soon as the spinning wheel has been slowed down by the brake to a relatively normal speed. Depending on the acceleration of the wheel, the outlet valve opens (brake fluid flows back to the suction side of the pump) so that the pressure in the brake circuit drops or the outlet valve remains closed to maintain the pressure (constant pressure). The outlet valve closes to increase the pressure in the brake circuit, the inlet valve opens and the pressure rises in the brake circuit.
This control brakes the wheel in proportion to optimum slippage until one of the following occurs:
- As friction against the surface becomes greater wheel spin stops
- The process is stopped by the ABS control module to prevent the brakes from getting too hot
- Braking occurs
- The function is disengaged using the switch on the climate control module (CCM)
- The car reaches the speed where traction control ceases.
If the rear wheels lock during traction control (for example the parking brake applied), the ABS control module stops traction control to allow ABS to cut-in. The traction control lamp will light.
The separation valve is activated throughout TRACS control.
Activation of the brakes, which is registered by the ABS control module via the signal from the stop (brake) lamp switch, enables the traction control to be interrupted and the separation valve to open. The hydraulic shuttle valve closes, so that the pump is unable to draw brake fluid from the master cylinder. The hydraulic modulator now operates as a normal ABS hydraulic modulator.
A difference in speed between the driven wheels requires traction control. This difference varies with the speed of the car. When the vehicle speed is 0 km/h, a difference in speed of 8 km/h between the driven wheels is required for traction control to engage. At a vehicle speed of 20 km/h, a difference of 18 km/h, and at 40 km/h a difference of 25 km/h is required. At higher speeds the required differences between driven wheel speeds is so great that in practice traction control does not function above 40 km/h.

Active yaw control system




The ABS control module with DSTC uses continuous information from the different sensors in the system to calculate the position of the steering wheel and car. The ABS control module calculates the driving manner of the driver by measuring the steering wheel angle, engine torque, speed of the car and brake pressure. The ABS control module also calculates the behavior of the car by monitoring the steering wheel angle, steering wheel angle speed, yaw rate speed and lateral acceleration. When the differences between the movements of the driver and the behavior of the car exceed a certain point, Active Yaw Control limits the engine torque to maintain lateral stability in all driving conditions. Active Yaw Control also activates the power brake booster and the individual brake control to control the hydraulic modulator separation valves and hydraulic shuttle valves and the inlet and outlet valves which correct the car in the event of a skid.

Active yaw control





Components
1. Inlet valve, normally open
2. Outlet valve, normally closed
3. Electronic shuttle valve, normally closed
4. Separation valve, normally open
5. Brake pressure sensor
6. Pedal pressure sensor
7. Overflow valve
8. Hydraulic pump
9. Pressure equalizer
10. Non-return valve
11. Pressure build-up valve.
During Active Yaw Control, when the car skids, a vacuum valve opens on the power brake booster. The power brake booster then quickly builds up pressure without the driver activating the brake pedal. At the same time the hydraulic pump (8) starts and builds up brake pressure. The hydraulic pump takes over braking after the initial phase.
The ABS control module then activates the valves in the hydraulic modulator and checks the individual wheel brake forces by raising, maintaining or lowering the pressure individually to stabilize the car. The brake pedal moves up and down during activation. If the driver presses the brake pedal during stability control, the control module, through the pedal pressure sensor (6) in the power brake booster, will take account of the pressure exerted by the driver in the stability control.

DSTC oversteer




Oversteer is a very dangerous condition which is difficult for the average driver to control. Oversteer is when the car turns more than the steering wheel has been turned. If not corrected, oversteer can lead to the car spinning uncontrollably.
In the example above the car turns to the right and the car oversteers. To counter this the DSTC system has closed the separation valve, opened the electronic shuttle valve and started the pump. The inlet valve (C1) has been left open, while the other inlet valves are closed. This causes brakes the left front wheel, which causes the wheel to lose grip and reduces oversteer.

DSTC understeer




Understeer is when the car continues straight forward even though the steering wheel has been turned. Understeer is caused by too much acceleration. When the car understeers the ABS control module transmits a request for torque reduction to the engine control module (ECM) via the Controller area network (CAN).
In the example above, the steering wheel has been turned to the right, but the car continues straight on. The separation valve closes, the electronic shuttle valve opens and the pump starts. The DSTC system applies the brakes to the right rear wheel by leaving inlet valve C2 open and closing and closing the other inlet valves (C1, C3 and C4). In the event that braking the right rear wheel is not sufficient to get the car back on course, the ABS control module opens inlet valve C4 and brakes the right front wheel.

Dynamic stability control




When the driver brakes, during Active Yaw Control, the ABS control module releases the active power brake booster and increases the brake pressure for a short time as priority is given to the lateral stability of the car. Included in the calculations are the driver's desired brake pressure and functions for:
- Active yaw control
- ABS
- EBD
- Stability control.
In the event of a hand brake turn, the anti-yaw control function is activated if the speed exceeds approximately 40 km/h. At lower speeds the AYC is decreased successively, and at 20-25 km/h will not be noticeable.
The self diagnostic function, for valves and pump motors, occurs at speeds exceeding 20 km/h after a new drive cycle. The self diagnostic function for the active power brake booster takes place when the speed exceeds 11 km/h. The self diagnostics are carried out at each new drive cycle.
If the driver presses the brake pedal during stability control, the control module, through the pedal pressure sensor in the power brake booster, will take account of the pressure exerted by driver in the stability control.