Operation CHARM: Car repair manuals for everyone.
Manuals through 2025 now available!

Our trusted friends have launched a new website named LEMON, which has newer manuals. It also contains all the CHARM manuals.

LEMON is the spiritual successor to CHARM, I recommend you try it!

Link: lemon-manuals.la or lemon-manuals.org.ua

(Some people have issue connecting. LEMON is investigating. For now, use Firefox or change your DNS server)

Or, hide this message: temporarily or permanently

Computers and Control Systems: Service and Repair




DRAINING THE FUEL SYSTEM

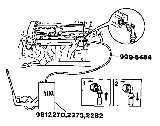
Special tools: 981 2270, 981 2273, 981 2282, 999 5480, 999 5484

Safety
See Safety regulations for handling fuel Safety Regulations For Handling Fuel




Engagement
Remove the cover on the valve which is positioned on the fuel rail.
Connect adapter 999 5484 to fuel draining unit 981 2270 , 981 2273 and 981 2282.
Connect the adapter to the valve on the fuel rail in the locked position (figure 1, valve closed).
Start the fuel drainage unit.
Unlock the adapter (illustration 2 valve open).
Raise the car.




Draining the fuel system
Remove the cover on the valve cap positioned at the fuel filter.
Connect venting hose 999 5480 to the valve prior to the fuel filter.
It takes approximately 2 minutes to evacuate the system.

Installation
Reinstall the components in reverse order.

Caution! Do not forget to reinstall the valve caps.