Operation CHARM: Car repair manuals for everyone.
Manuals through 2025 now available!

Our trusted friends have launched a new website named LEMON, which has newer manuals. It also contains all the CHARM manuals.

LEMON is the spiritual successor to CHARM, I recommend you try it!

Link: lemon-manuals.la or lemon-manuals.org.ua

(Some people have issue connecting. LEMON is investigating. For now, use Firefox or change your DNS server)

Or, hide this message: temporarily or permanently

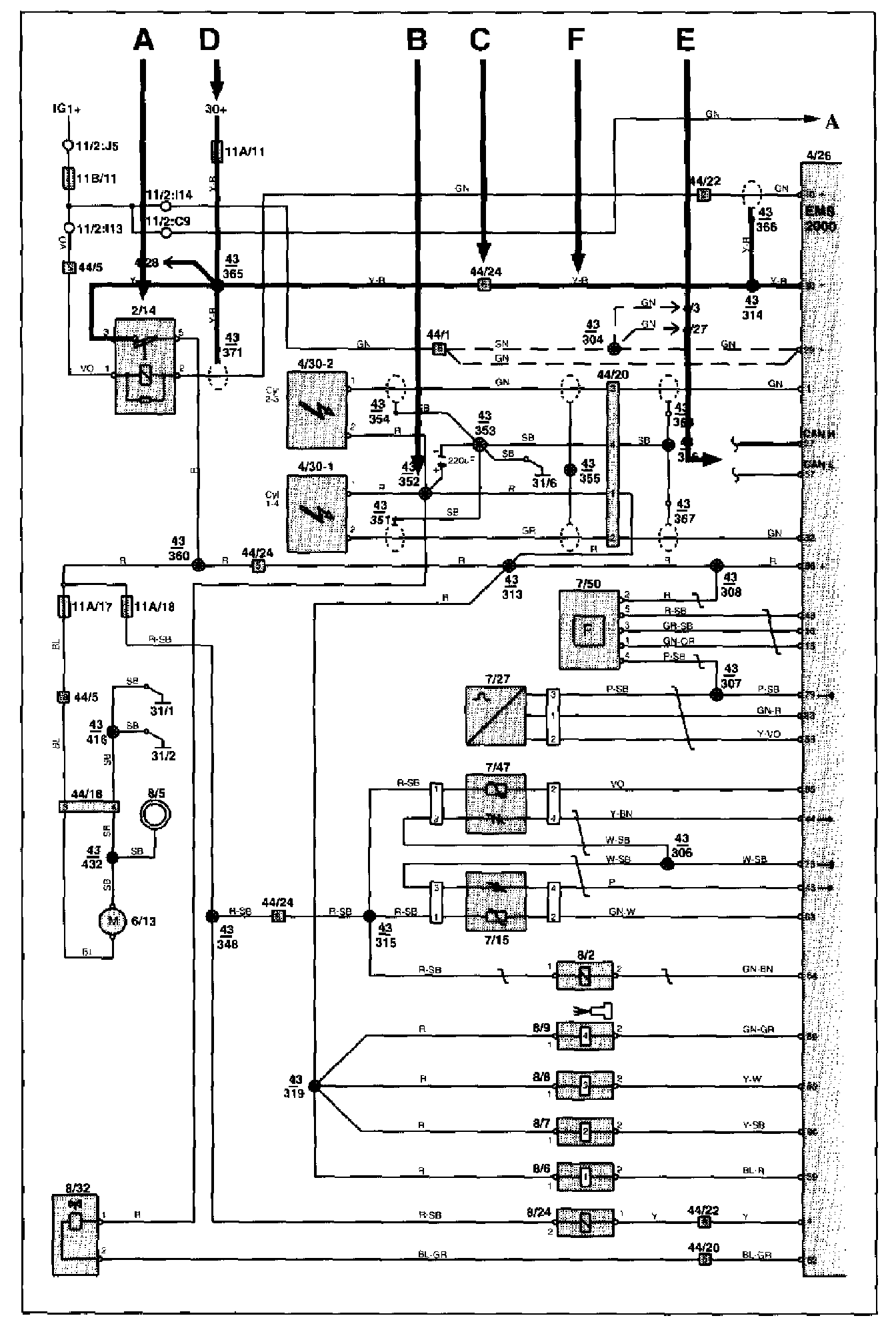
How to Use the Wiring Diagrams



















A. Component designation

Every component has a component designation that consists of two parts.

The first part is a type number that describes the type of component in question for example 3/xx.

The second part of the designation is a serial number, for example, x/2.

Combined these give a component designation, for example, 3/2.

There is a list of components at Component I.D List, where, with the help of the component designation, you can read off the name of the component, for example, 3/2 = light switch. Diagram Legend: Diagram Legend

List of type numbers

The list shows which type of component that respective type numbers refer to, for example, 3/x switch, 6/x = electric motor, etc.

1 Battery
2 Relay
3 Switch
4 Control module
5 Combined instrument panel
6 Electric motor
7 Sensor
8 Actuator
9 Heating element
10 Light
11 Fuse
15 Distribution rail
16 Audio
17 Service/diagnostics
18 Contact reel
19 Meter
20 Ignition component/shunt
31 Ground connection
43 Junction point
44 Connector

B. Junction points

The wiring diagrams contain numbered junction points, e.g. 43/352.

This information contains a section with a list of junction points. This list shows all the components which are connected to each junction point. Electrical Diagrams

The location of the junction points is shown in the "Cable harness routing in vehicle". Harness Locations

C. Connectors

Connectors provide a bridge between two cables harnesses and are described in the "Connectors". Connector Views

D: Electrical distribution

Operation of the fuses and relays is shown in the "Electrical distribution". Electrical Diagrams

E. Data communication

Today's cars are equipped with a CAN network, which transmits information. Connections to this network are shown in their entirety on the respective wiring diagrams. Complete information on CAN communication is can be found in "Data communication". Information Bus

F. Abbreviations

A number of different abbreviations are used in the diagrams. These are explained in the "Wire Color Code Identification and Other Abbreviations". Wire Color Code Identification and Other Abbreviations

G. Component location

The appearance and location of components is described in alphabetical order at the Vehicle Level component locations A - Z Component List. Component Locations