Operation CHARM: Car repair manuals for everyone.
Manuals through 2025 now available!

Our trusted friends have launched a new website named LEMON, which has newer manuals. It also contains all the CHARM manuals.

LEMON is the spiritual successor to CHARM, I recommend you try it!

Link: lemon-manuals.la or lemon-manuals.org.ua

(Some people have issue connecting. LEMON is investigating. For now, use Firefox or change your DNS server)

Or, hide this message: temporarily or permanently

Cruise Control: Service and Repair












Cruise control


































INTRODUCTION
- NOTE! Read through the whole installation instruction before starting the work.
- The illustrations display the procedure in order of operation. The order of operation is repeated in the text section






Cars equipped with SRS/SIPS (Airbag)

Warning! Extra care must be taken when working on cars equipped with SRS/SIPS air bags. This is important to prevent:
1. Personal injury
2. Damage to or malfunction of the SRS/SIPS system.

Work on the SRS/SIPS systems or related components must always be carried out by an authorized Volvo workshop.

Is the car equipped with SRS (supplemental restraint system)?
Cars equipped with a driver's airbag have the letters "SRS" imprinted on the centre panel of the steering wheel. Cars equipped with driver's and passenger airbags are marked with "SRS" on both the steering wheel centre panel and also on the dashboard close to the airbag.
If the car is equipped with SIPS (side impact protection system ) a "SIPS" decal is marked on both the front seats.
Cars equipped with inflatable curtains have the marking "SRS" on one of the panels along the posts on the inside of the car.
Cars equipped with SRS (supplemental restraint system) also have an "SRS" decal on the front windscreen.

Warning! The air bag inflation areas must not be obstructed. Never place any objects, such as upholstery or accessories, within these areas. The panels must be able to open in the correct manner at the right time, otherwise there is an increased risk of personal injury in the event of a collision.

Do not damage the SRS wiring!
Do not trap, chafe, pierce or damage the SRS wiring. SRS wiring has orange casing and/or is plaited.

Steering and front suspension
The contact reel in the SRS system can easily be damaged when working on the steering wheel, steering shaft or steering gear. Refer to the SRS (supplemental restraint system) or service instructions in VIDA for information on carrying out such work. This is to prevent damage.

SRS warning lamp
If the SRS warning lamp lights after repairs have been carried out, take the car to an authorized Volvo workshop.






Supplemental restraint system module, SRS

C30/S40(04-)/V50/S60/XC60/C70(06-)/V70/XC70/S80/XC90
The supplemental restraint system module (SRS) is located on the tunnel under the centre console, in front of the parking brake.






Warning! The ignition must be in position "0" and the key removed from the ignition switch if any connector in the SRS system is to be unplugged. Then wait at least three minutes and disconnect the battery negative lead before unplugging any of the connectors. When work is completed, the ignition key must be turned to position "II" before reconnecting the battery negative lead.






Cruise control

Note! This accessory requires software unique to the car.




- Turn the ignition key to position I to release the steering wheel lock.
- Disconnect the battery negative lead.

Note! The SRS system remains active for a brief period after power is cut off. Thus, wait 3 minutes before starting work.




- Turn the steering wheel a quarter turn so that the holes on the reverse of the steering wheel are accessible.




- Insert a screwdriver in the hole (2) on the reverse of the steering wheel, at right angles to the rear surface of the steering wheel. Insert the screwdriver as far as possible to determine the position of the end of the spring clip (1).
- Position the end of the screwdriver on the top of the spring clip as illustrated.
- Pry the screwdriver upwards towards the upper edge of the hole (2) so that the end of the screwdriver presses the spring clip down (1) until one side of the steering wheel module springs out and releases from the mounting.
- Turn the steering wheel a half turn in the opposite direction. Carry out the same operation on the other side.
- Turn the steering wheel to a neutral position.




- Fold the steering wheel module out.
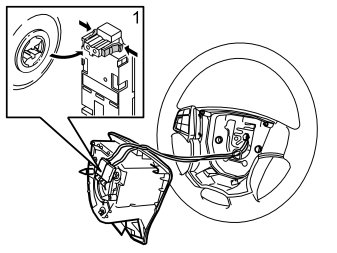
- Remove the two connectors (1) for the ignition cables for the airbag. First press in the catches on the sides. Then pull the connectors straight out.

Note! The connectors are tightly secured. However, tools must not be used when removing.

- Place the steering wheel module to one side.

Warning! Position the steering wheel module with the front upwards in a secure position while carrying out the work.





Applies to vehicles without pre-drawn wiring harness
- Remove the left and right keypad dummy from the steering wheel by carefully prying it off using a plastic weatherstrip tool. Twist the weatherstrip tool to pry them out. They are firmly held in place by three lugs in the steering wheel, so some force is required to remove them.
- Unplug the connector and put the left keypad dummy aside. It will not be reinstalled.

Applies to vehicles with pre-drawn wiring harness
- Remove the left keypad/keypad dummy as described above. Put it aside. It will not be reinstalled.





Applies to vehicles with pre-drawn wiring harness
- Take the new keypad from the kit. Plug in the connector and press the keypad into the steering wheel.





Applies to vehicles without pre-drawn wiring harness
- Remove the three screws (1) and pull out the horn ring slightly so that the connector (2) can be unplugged.




- Detach the ground cable (1) and connector (2) and remove the signal ring from the steering wheel. Put it aside.




- Take the new signal ring from the kit and check that the three springs on its underside are in place.
- Connect the ground cable (1) and connector (2).




- Insert the ignition cables in the holder (1).
- Position the horn ring in the steering wheel.
- Install the three screws (2) in the horn ring. Tighten the screws to 8±2 Nm (6 ±1.5 lb.ft.) in a crisscross pattern.

Note! The screws are self tapping which may mean that it is difficult to screw in.

- Check the function of the horn by press the horn around its entire circumference. A metallic noise should be heard when the three contact points come into contact.




- Plug in the connector for the keypad/keypad dummy on the right and left side and press them into the steering wheel.




- Check that the two springs (1) are in position.
- Check that the ignition cables are correctly positioned in the holder (2).
- Press the two connectors for the ignition cables for the airbag into the steering wheel module.
- Insert the two pins on the reverse of the steering wheel module in the two springs. Ensure that the ignition cables are not trapped
- Press the steering wheel module into the mountings. (Two clicks should be heard).

Installing the negative lead after working with SRS components





Warning! Make sure that no one is in the vehicle when this is done.

- Activate the SRS system as described in "VIDA Vehicle communication, SRS, powering the SRS system" before turning the ignition key.

Initiating the windows
- Initiate window position as described in "VIDA Vehicle communication, Initiating window position".




- Program the software. Programming and Relearning