Operation CHARM: Car repair manuals for everyone.
Manuals through 2025 now available!

Our trusted friends have launched a new website named LEMON, which has newer manuals. It also contains all the CHARM manuals.

LEMON is the spiritual successor to CHARM, I recommend you try it!

Link: lemon-manuals.la or lemon-manuals.org.ua

(Some people have issue connecting. LEMON is investigating. For now, use Firefox or change your DNS server)

Or, hide this message: temporarily or permanently

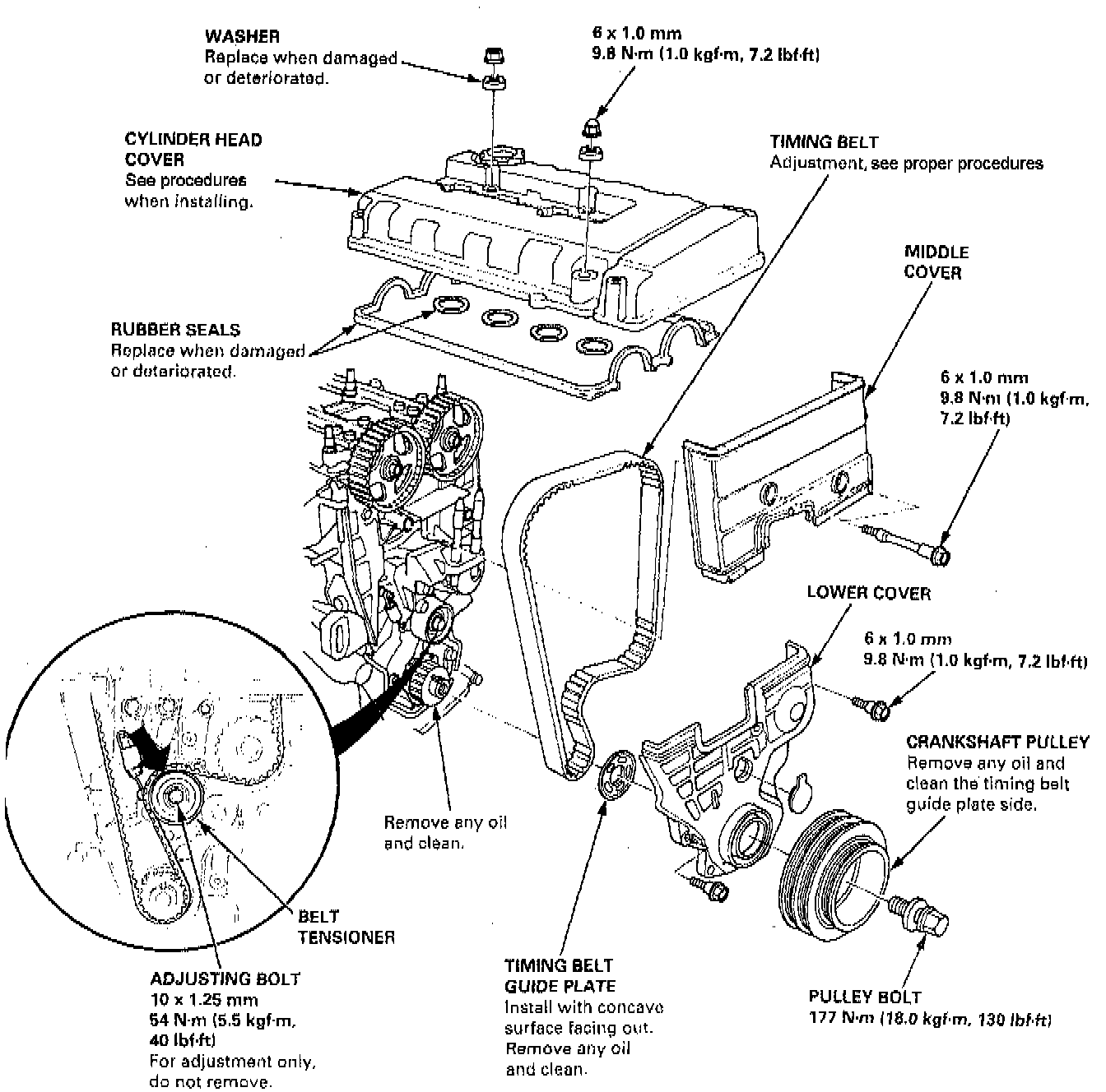
Timing Belt: Service and Repair

NOTES:
- Turn the crankshaft pulley so the No. 1 piston is at Top Dead Center (TDC) before removing the belt.
- Inspect the water pump after removing the timing belt. Refer to Cooling System.

REMOVAL
1. Remove the wheel well splash shield.





2. Loosen the adjusting bolt and mounting bolts, then remove the Power Steering (P/S) pump belt.





3. Loosen the adjusting bolt and idler pulley bracket bolt, then remove the Air Conditioning (A/C) compressor belt.





4. Loosen the adjusting nut and mounting nut, then remove the alternator belt.
5. Remove the cruise control actuator.





6. Remove the side engine mount.
7. Remove the cylinder head cover.
8. Remove the pulley bolt and crankshaft pulley.





9. Remove the middle cover and the lower cover.

NOTES:
- Do not use the middle cover and lower cover for storing removed items.
- Clean the middle cover and lower cover before installation.

10. Loosen the adjusting bolt 180°.
11. Push the tensioner to remove tension from the timing belt, then retighten the bolt.
12. Remove the timing belt from the pulleys.

NOTES:
- Replace the camshaft and crankshaft seals if there are signs of oil leakage.
- Push the tensioner pulley to loosen the belt.

INSTALLATION
Install the timing belt in the reverse order of removal. Only key points are described here.

NOTE: Clean the middle cover and lower cover before installation.





1. Position the crankshaft and the camshaft pulleys as shown before installing the timing belt.
A. Set the crankshaft so that the No. 1 piston is at TDC. Align the groove on the teeth side of the timing belt drive pulley to the V pointer on the oil pump.
B. Align the TDC marks on intake and exhaust pulleys.

NOTE: To set the camshafts at TDC position for No. 1 piston, align the holes in the camshafts with the holes in No. 1 camshaft holders and insert 5.0 mm pin punches in the holes.





2. Install the timing belt tightly in the sequence shown:
- (1) Timing belt drive pulley (crankshaft) - (2) Adjusting pulley - (3) Water pump pulley - (4) Exhaust camshaft pulley - (5) Intake camshaft pulley.
3. Loosen and retighten the adjusting bolt to tension the belt.
4. Rotate the crankshaft about 4 to 6 turns counterclockwise so that the belt positions on the pulleys.
5. Adjust the timing belt tension.




Camshaft Pulley:





6. Check the crankshaft pulley and the camshaft pulleys at TDC.
7. If a camshaft pulley is not positioned at TDC, remove the timing belt and adjust the position following the procedure under installation step 1, then reinstall the timing belt.
8. After installation, adjust the tension of each drive belt.