Operation CHARM: Car repair manuals for everyone.
Manuals through 2025 now available!

Our trusted friends have launched a new website named LEMON, which has newer manuals. It also contains all the CHARM manuals.

LEMON is the spiritual successor to CHARM, I recommend you try it!

Link: lemon-manuals.la or lemon-manuals.org.ua

(Some people have issue connecting. LEMON is investigating. For now, use Firefox or change your DNS server)

Or, hide this message: temporarily or permanently

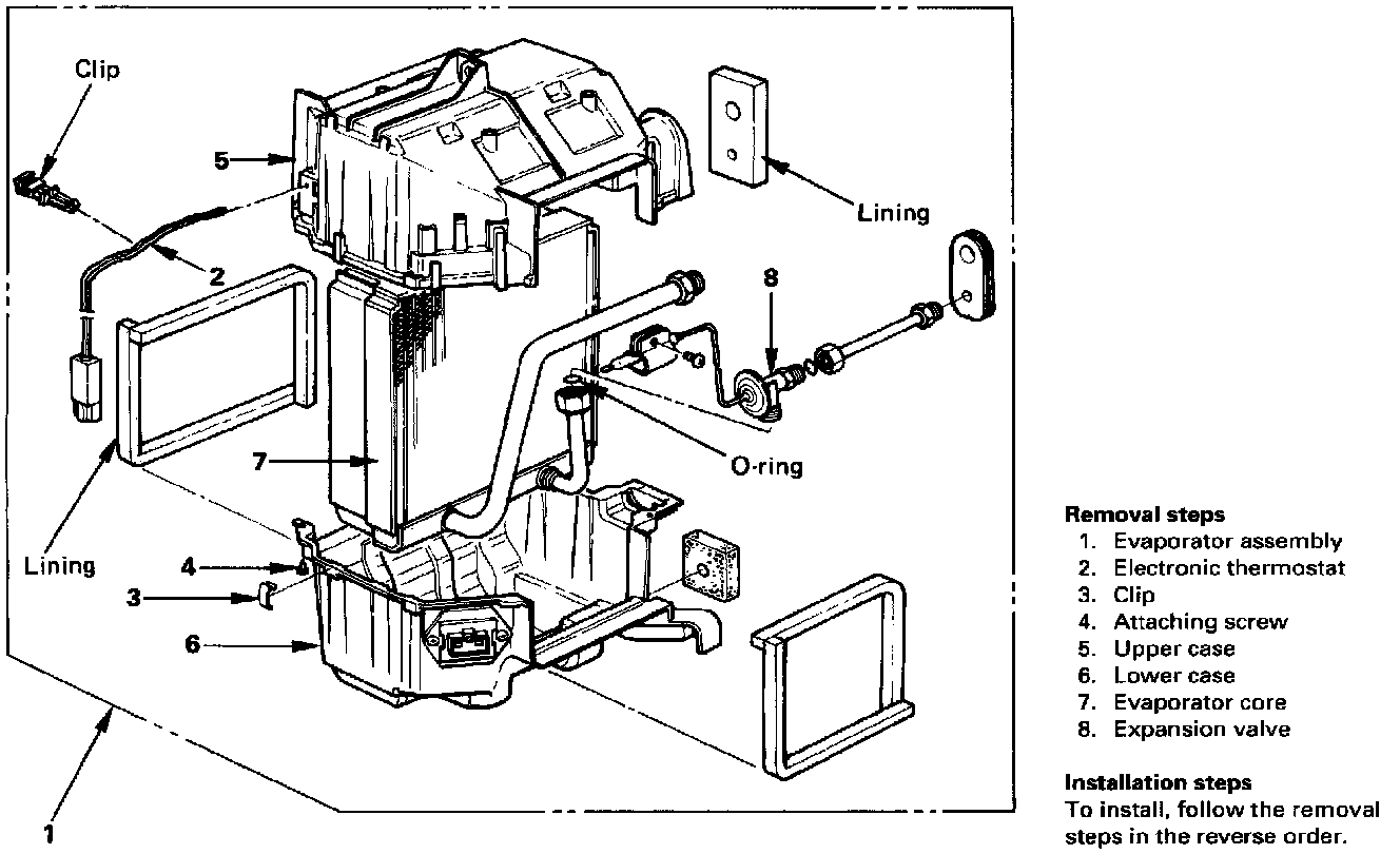
Evaporator Temperature Sensor / Switch: Service and Repair




Preparation:
Disconnect the battery ground cable Discharge and recover refrigerant (Refer to "REFRIGERANT RECOVERY".)

1. Evaporator assembly
^ Refer to "EVAPORATOR ASSEMBLY" removal procedure.
2. Electronic thermostat
^ Remove the sensor fixing clip.
^ Pull the sensor from the evaporator assembly.
3. Clip
4. Attaching screw
5. Uppercase

6. Lower case




^ Slit the case parting face with a knife since the lining is separated when removing the evaporator.




^ Lift to remove the upper case.




7. Evaporator core
8. Expansion valve
^ Tear off the insulator carefully.
^ Remove the sensor fixing clip.
^ Use a back-up wrench when disconnecting all refrigerant pipes.

INSTALLATION
To install, follow the removal steps in the reverse order, noting the following points:
1. The sensor is installed on the core with the clip.
2. The sensor must not interfere with the evaporator core.




3. When install the new evaporator core, install the thermosensor to the evaporator core specified position with the clip as in the image.
4. O-rings cannot be reused. Always replace new ones.
5. Be sure to apply new compressor oil to the O-rings when connecting lines.
6. Be sure to install the sensor and the insulator on the place where they were before.
7. To install a new evaporator core, add 50 cc (1.7 fl.oz.) of new compressor oil to the new core.
8. Tighten the refrigerant lines to the specified torque.
9. Apply an adhesive to parting face of lining when assembling evaporator assembly.