Operation CHARM: Car repair manuals for everyone.
Manuals through 2025 now available!

Our trusted friends have launched a new website named LEMON, which has newer manuals. It also contains all the CHARM manuals.

LEMON is the spiritual successor to CHARM, I recommend you try it!

Link: lemon-manuals.la or lemon-manuals.org.ua

(Some people have issue connecting. LEMON is investigating. For now, use Firefox or change your DNS server)

Or, hide this message: temporarily or permanently

Heating and Air Conditioning: Service and Repair

Precautions for Replacement or Repair of Air Conditioning Parts
There are certain procedures, practices and precautions that should be followed when servicing air conditioning systems:
^ Keep your work area clean.
^ Always wear safety goggle and protective gloves when working on refrigerant systems.
^ Beware of the danger of carbon monoxide fumes caused by running the engine.
^ Beware of discharged refrigerant in enclosed or improperly ventilated garages.
^ Always disconnect the negative battery cable and discharge and recover the refrigerant whenever repairing the air conditioning system.
^ When discharging and recovering the refrigerant, do not allow refrigerant to discharge too fast; it will draw compressor oil out of the system.
^ Keep moisture and contaminants out of the system. When disconnecting or removing any lines or parts, use plugs or caps to close the fittings immediately.

Never remove the caps or plugs until the lines or parts are reconnected or installed.
^ When disconnecting or reconnecting the lines, use two wrenches to support the line fitting, to prevent from twisting or other damage.
^ Always install new O-rings whenever a connection is disassembled.
^ Before connecting any hoses or lines, apply new specified compressor oil to the O-rings.
^ When removing and replacing any parts which require discharging the refrigerant circuit, the operations described in this section must be performed in the following sequence:
1. Use the J-39500 (ACR4: HFC-134a Refrigerant Recovery/Recycling/Recharging/System) or equivalent to thoroughly discharge and recover the refrigerant.
2. Remove and replace the defective part.
3. After evacuation, charge the air conditioning system and check for leaks.




Repair of Refrigerant Leaks
Refrigerant Line Connections
Install new O-rings, if required. When disconnecting or connecting lines, use two wrenches to prevent the connecting portion from twisting or becoming damaged.

When connecting the refrigerant line at a block joint, securely insert the projecting portion of the joint portion into the connecting hole on the unit side and secure with a bolt.

Apply specified compressor oil to the O-rings prior to connecting.




CAUTION: Compressor (PAG) oil to be used varies according to compressor model. Be sure to apply oil specified for the model of compressor.




O-rings must be closely aligned with raised portion of refrigerant line.




Insert nut into union. First tighten nut by hand as much as possible. Then, tighten nut to specified torque.

Leak at Refrigerant Line Connections
1. Check the torque on the refrigerant line fitting and, if too loose, tighten to the specified torque.
^ Use two wrenches to prevent twisting and damage to the line.
^ Do not over tighten.
2. Perform a leak test on the refrigerant line fitting.
3. If the leak is still present, discharge and recover the refrigerant from the system.
4. Replace the O-rings.
^ O-rings cannot be reused. Always replace with new ones.
^ Be sure to apply specified compressor oil to the new O-rings.
5. Retighten the refrigerant line fitting to the specified torque.
^ Use two wrenches to prevent twisting and damage to the line.
6. Evacuate, charge and retest the system.

Leaks in the Hose
If the compressor inlet or outlet hose is leaking, the entire hose must be replaced. Refrigerant hose must not be cut or spliced for repair.
1. Locate the leak.
2. Discharge and recover the refrigerant.
3. Remove the hose assembly.
^ Cap the open connections at once.
4. Connect the new hose assembly.
^ Use two wrenches to prevent twisting or damage to the hose fitting.
^ Tighten the hose fitting to the specified torque.
5. Evacuate, charge and test the system.

Compressor Leaks
If leaks are located around the compressor shaft seal or shell, replace or repair the compressor.

Recovery, Recycling, Evacuation and Charging Handling HFC-134a:
Air conditioning systems contain HFC-134a.
This is a chemical mixture which requires special handling procedures to avoid personal injury.
^ Always wear safety goggles and protective gloves.
^ Always work in a well-ventilated area. Do not weld or steam clean on or near any vehicle- installed air conditioning lines or components.
^ If HFC-134a should come in contact with any part of the body, flush the exposed area with cold water and immediately seek medical help.
^ If it is necessary to transport or carry any container of HFC-134a in a vehicle, do not carry it in the passenger compartment.
^ If it is necessary to fill a small HFC-134a container from a large one, never fill the container completely. Space should always be allowed above the liquid for expansion.
^ HFC-134a and R-12 should never be mixed as their compositions are not the same.
^ HFC-134a PAG oil tends to absorb moisture more quickly than R-12 mineral oil and, therefore, should be handled more carefully.
^ Keep HFC-134a containers stored below 40°C (100°F).

WARNING:
^ SHOULD HFC-134a CONTACT YOUR EYE(S), CONSULT A DOCTOR IMMEDIATELY.
^ DO NOT RUB THE AFFECTED EYE(S). INSTEAD, SPLASH QUANTITIES OF FRESH COLD WATER OVER THE AFFECTED AREA TO GRADUALLY RAISE THE TEMPERATURE OF THE REFRIGERANT ABOVE THE FREEZING POINT.
^ OBTAIN PROPER MEDICAL TREATMENT AS SOON AS POSSIBLE. SHOULD THE HFC-134a TOUCH THE SKIN, THE INJURY MUST BE TREATED THE SAME AS SKIN WHICH HAS BEEN FROSTBITTEN OR FROZEN
.

Refrigerant Recovery
The refrigerant must be discharged and recovered by using the J-39500 (ACR4: HFC-134a Refrigerant Recovery/Recycling/Recharging/System) or equivalent before removing or mounting air conditioning pants.




1. Connect the high and low charging hoses of the ACR4 (or equivalent) as shown in the image.
2. Recover the refrigerant by following the Manufacturer's Instructions.
3. When a part is removed, put a cap or a plug on the connecting portion so that dust, dirt or moisture cannot get into it.

Refrigerant Recycling
Recycle the refrigerant recovered by J-39500 (ACR4: HFC-134a Refrigerant Recovery/Recycling/Recharging/System) or equivalent.

For the details of the actual operation, follow the steps in the ACR4 (or equivalent) Manufacturer's Instructions.




Evacuation of the Refrigerant System

NOTE: Explained below is a method using a vacuum pump. Refer to the ACR4 (or equivalent) manufacturer's instructions when evacuating the system with a ACR4 (or equivalent).

Air and moisture in the refrigerant will cause problems in the air conditioning system. Therefore, before charging the refrigerant, be sure to evacuate air and moisture thoroughly from the system.
1. Connect the gauge manifold.
^ High-pressure valve (HI) - Discharge-side
^ Low-pressure valve (LOW) - Suction-side
2. Discharge and recover the refrigerant.
3. Connect the center hose of the gauge manifold set to the vacuum pump inlet.
4. Operate the vacuum pump, open shutoff valve and then open both hand valves.
5. When the low-pressure gauge indicates approx. 750 mm Hg (30 in Hg), continue the evacuation for 5 minutes or more.
6. Close both hand valves and stop the vacuum pump.
7. Check to ensure that the pressure does not change after 10 minutes or more.
^ If the pressure changes, check the system for leaks.
^ If leaks occur, retighten the refrigerant line connections and repeat the evacuation steps.
8. If no leaks are found, again operate the vacuum pump for 20 minutes or more. After confirming that the gauge manifold pressure is at 750 mm Hg (30 in Hg), close both hand valves.
9. Close positive shutoff valve. Stop the vacuum pump and disconnect the center hose from the vacuum pump.

Charging the Refrigerant System
There are various methods of charging refrigerant into the air conditioning system.

These include using J-39500 (ACR4: HFC-134a Refrigerant Recovery/Recycling/Recharging/System) or equivalent and direct charging with a weight scale charging station.

Charging procedure



ACR4 (or equivalent) method
For the charging of refrigerant recovered by ACR4 (or equivalent), follow the manufacturer's instruction.








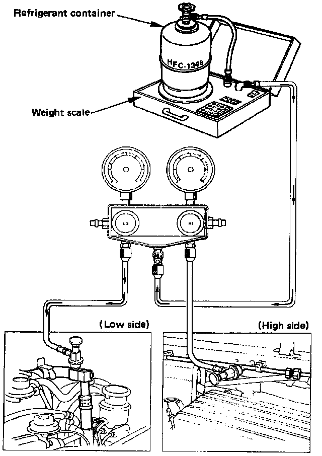
Direct charging with a weight scale charging station method
1. Make sure the evacuation process is correctly completed.
2. Connect the center hose of the manifold gauge to the weight scale.
3. Connect the low pressure charging hose of the manifold gauge to the low pressure side service valve of the vehicle.
4. Connect the high pressure charging hose of the manifold gauge to the high pressure side service valve of the vehicle.
5. Place the refrigerant container up right on a weight scale.

Note the total weight before charging the refrigerant.
5a. Open refrigerant container valve.
5b. Open low side valve on the manifold gauge set. Refer to the manufacturer's instruction's for a weight scale charging station.
6. Perform system leak test.
^ Charge the system with approx. 200 g (0.44 lbs) of HFC-134a.
^ Make sure the high pressure valve of the manifold gauge is closed.
^ Check to ensure that the degree of pressure does not change.
^ Check for refrigerant leaks by using a HFC134a leak detector.
^ If a leak occurs, recover the refrigerant. Repair the leak, and start all over again from the first step of evacuation.
7. If no leaks are found, continue charging refrigerant to the air conditioning system.
^ Charge the refrigerant until the scale reading decreases by the amount of the charge specified.

Specified amount g (lbs.) = 750 (1.65)

^ If charging the system becomes difficult:
1. Run the engine at idle and close all the vehicle doors.
2. Turn A/C switch "ON".
3. Set the fan switch to its highest position.
4. Set air source selector lever to "CIRC".
5. Slowly open the low side valve on the manifold gauge set.

WARNING: BE ABSOLUTELY SURE NOT TO OPEN THE HIGH PRESSURE VALVE OF THE MANIFOLD GAUGE. SHOULD THE HIGH PRESSURE VALVE BE OPENED, THE HIGH PRESSURE REFRIGERANT WOULD FLOW BACKWARD, AND THIS MAY CAUSE THE REFRIGERANT CONTAINER TO BURST.

8. When finished with the refrigerant charging, close the low pressure valve of the manifold gauge and container valve.
9. Check for refrigerant leaks.

Checking the A/C system
1. Run the engine and close all the vehicle doors.
2. Turn A/C switch "ON", set the fan switch to its highest position, set air source lever to "CIRC" and set temperature lever to full cool position.
3. Check the high and low pressure of the manifold gauge.
^ Immediately after charging refrigerant, both high and low pressure might be slightly high, but they settle down to the pressure guide- lines shown below:
Ambient temperature: 25-30°C (77 - 86°F) Pressure guidelines:
^ High-pressure side;
Approx. 1372.9-1863.3 kPa (199.1-270.2 psi)
^ Low-pressure side;
Approx. 147.1-294.2 kPa (21.3-42.7 psi)
^ If an abnormal pressure is found, refer to "CHECKING REFRIGERANT SYSTEM WITH MANIFOLD GAUGE".
4. Put your hand in front of the air outlet and move the temperature control lever of the control panel to different positions. Check if the outlet temperature changes as selected by the control knob.