Operation CHARM: Car repair manuals for everyone.
Manuals through 2025 now available!

Our trusted friends have launched a new website named LEMON, which has newer manuals. It also contains all the CHARM manuals.

LEMON is the spiritual successor to CHARM, I recommend you try it!

Link: lemon-manuals.la or lemon-manuals.org.ua

(Some people have issue connecting. LEMON is investigating. For now, use Firefox or change your DNS server)

Or, hide this message: temporarily or permanently

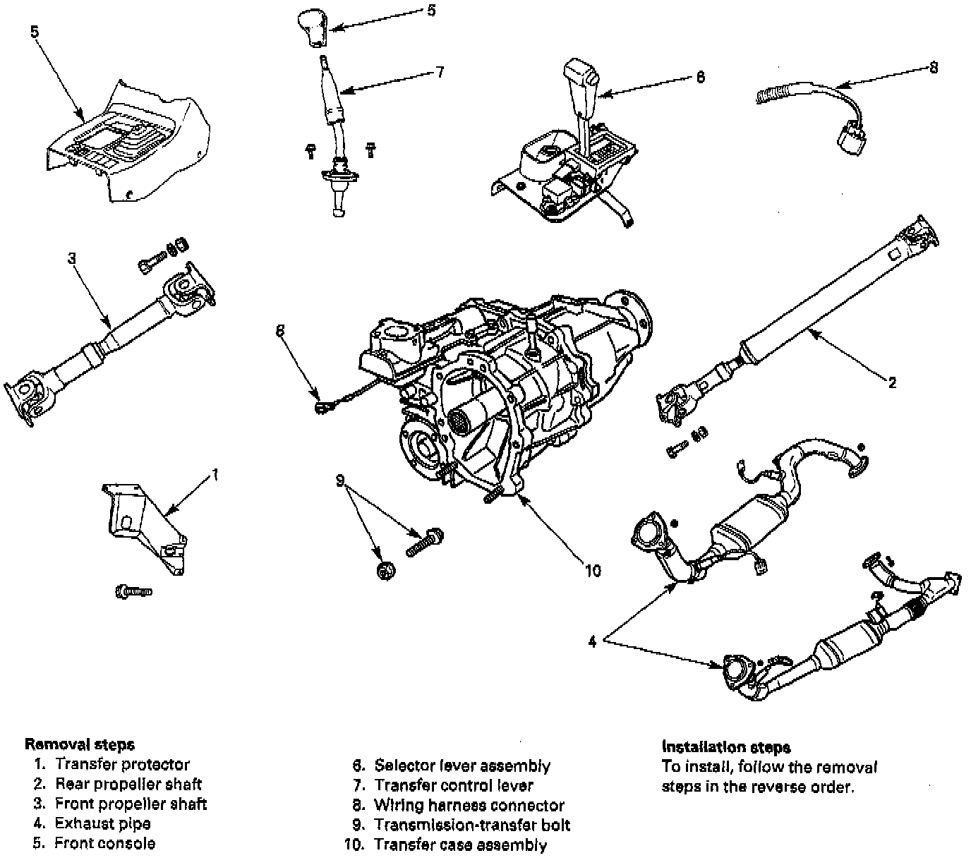
Replacement





REMOVAL
Preparation:
- Disconnect battery negative (-) cable.
- Drain transfer case fluid.
1. Transfer protector
2. Rear propeller shaft
3. Front propeller shaft
- Remove the rear and front propeller shaft from the transfer case side.
4. Exhaust pipe.
- Disconnect four oxygen sensor connectors from the transmission harness.
- Remove the right and left catalytic converter assemblies.
5. Front console.
- Remove the transfer control lever knob.
- Disconnect the harness connectors.
6. Selector lever assembly.
7. Transfer control lever.
8. Wiring harness connector.
- Disconnect the 4WD switch and speed sensor harness connector from the transmission harness.
9. Transmission-transfer bolt.
- Support the transfer case with a transmission jack.
- Remove four transmission-transfer bolts and three nuts.
10. Transfer case assembly.
- Remove the transfer case assembly from the vehicle.

INSTALLATION
To install, follow the removal steps in the reverse order, noting the following points:
1. Transfer case assembly.





- Apply a thin coat of molybdenum disulfide grease to the input shaft spline.





- Transmission-transfer bolt.
Torque: 46 Nm (34 ft. lbs.).
2. Exhaust pipe bolt.
Torque:
Exhaust pipe to exhaust manifold: 67 Nm (49 ft. lbs.).
Exhaust pipe flange bolt: 43 Nm (32 ft. lbs.).
3. Propeller shaft bolt
Torque: 63 Nm (46 ft. lbs.).
4. Transfer protector bolt
Torque: 37 Nm (27 ft. lbs.).