Operation CHARM: Car repair manuals for everyone.
Manuals through 2025 now available!

Our trusted friends have launched a new website named LEMON, which has newer manuals. It also contains all the CHARM manuals.

LEMON is the spiritual successor to CHARM, I recommend you try it!

Link: lemon-manuals.la or lemon-manuals.org.ua

(Some people have issue connecting. LEMON is investigating. For now, use Firefox or change your DNS server)

Or, hide this message: temporarily or permanently

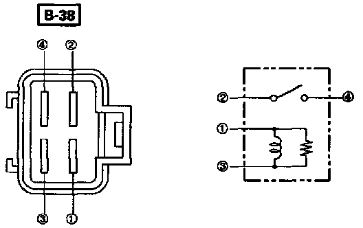
Rear Defogger Relay: Testing and Inspection




Check to see if there is any continuity between the relay terminals.
Replace the relay, when the result of inspection is found abnormal.
(2)-(4) ... No continuity
(When battery voltage is applied between (1)-(3))
(2)-(4) ... Continuity

NOTE: For the relay removal, refer to "Connector Handling" under "NOTES FOR WORKING ON ELECTRICAL ITEMS".