Operation CHARM: Car repair manuals for everyone.
Manuals through 2025 now available!

Our trusted friends have launched a new website named LEMON, which has newer manuals. It also contains all the CHARM manuals.

LEMON is the spiritual successor to CHARM, I recommend you try it!

Link: lemon-manuals.la or lemon-manuals.org.ua

(Some people have issue connecting. LEMON is investigating. For now, use Firefox or change your DNS server)

Or, hide this message: temporarily or permanently

Cruise Control Servo: Service and Repair

Actuator/Cable Replacement




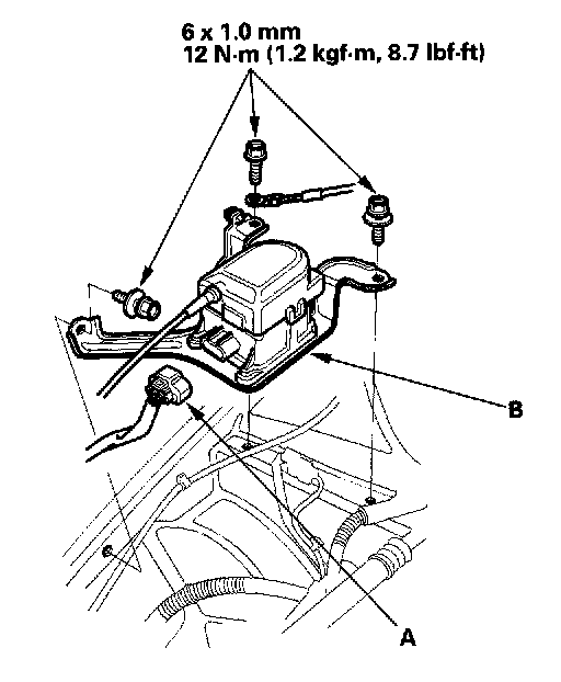
1. Loosen the locknut (A), then disconnect the actuator cable (B) from the throttle linkage.




2. Disconnect the 4P connector (A) from the actuator.
3. Remove the three mounting bolts, and remove the actuator assembly (B).




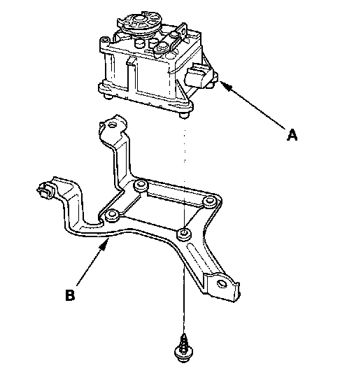
4. Remove the actuator cover (A), then remove the actuator cable (B) from the actuator.




5. Remove the actuator (A) from the bracket (B).
6. Install in the reverse order of removal, and adjust the free play at the throttle linkage after connecting the actuator cable.