Operation CHARM: Car repair manuals for everyone.
Manuals through 2025 now available!

Our trusted friends have launched a new website named LEMON, which has newer manuals. It also contains all the CHARM manuals.

LEMON is the spiritual successor to CHARM, I recommend you try it!

Link: lemon-manuals.la or lemon-manuals.org.ua

(Some people have issue connecting. LEMON is investigating. For now, use Firefox or change your DNS server)

Or, hide this message: temporarily or permanently

Keyless Entry/Security Alarm System


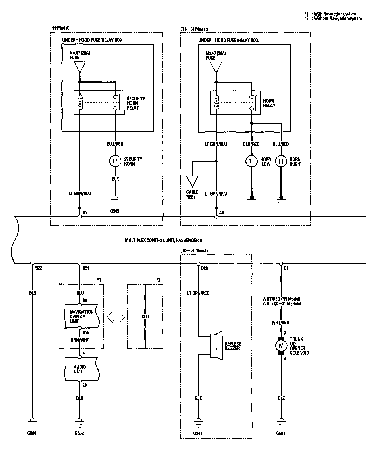
Keyless Entry/Security Alarm System - Circuit Diagram Part 1:




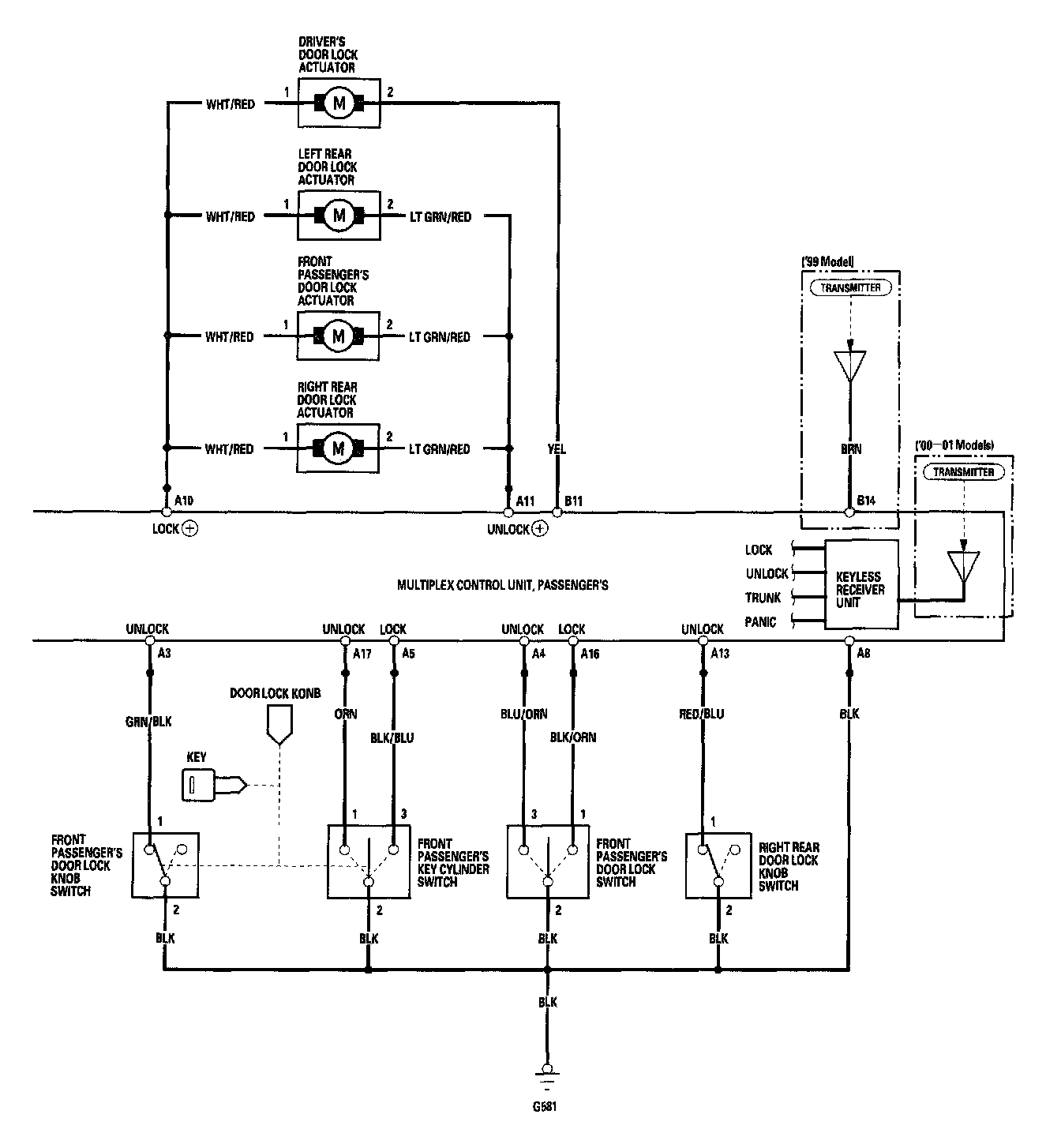
Keyless Entry/Security Alarm System - Circuit Diagram Part 2:




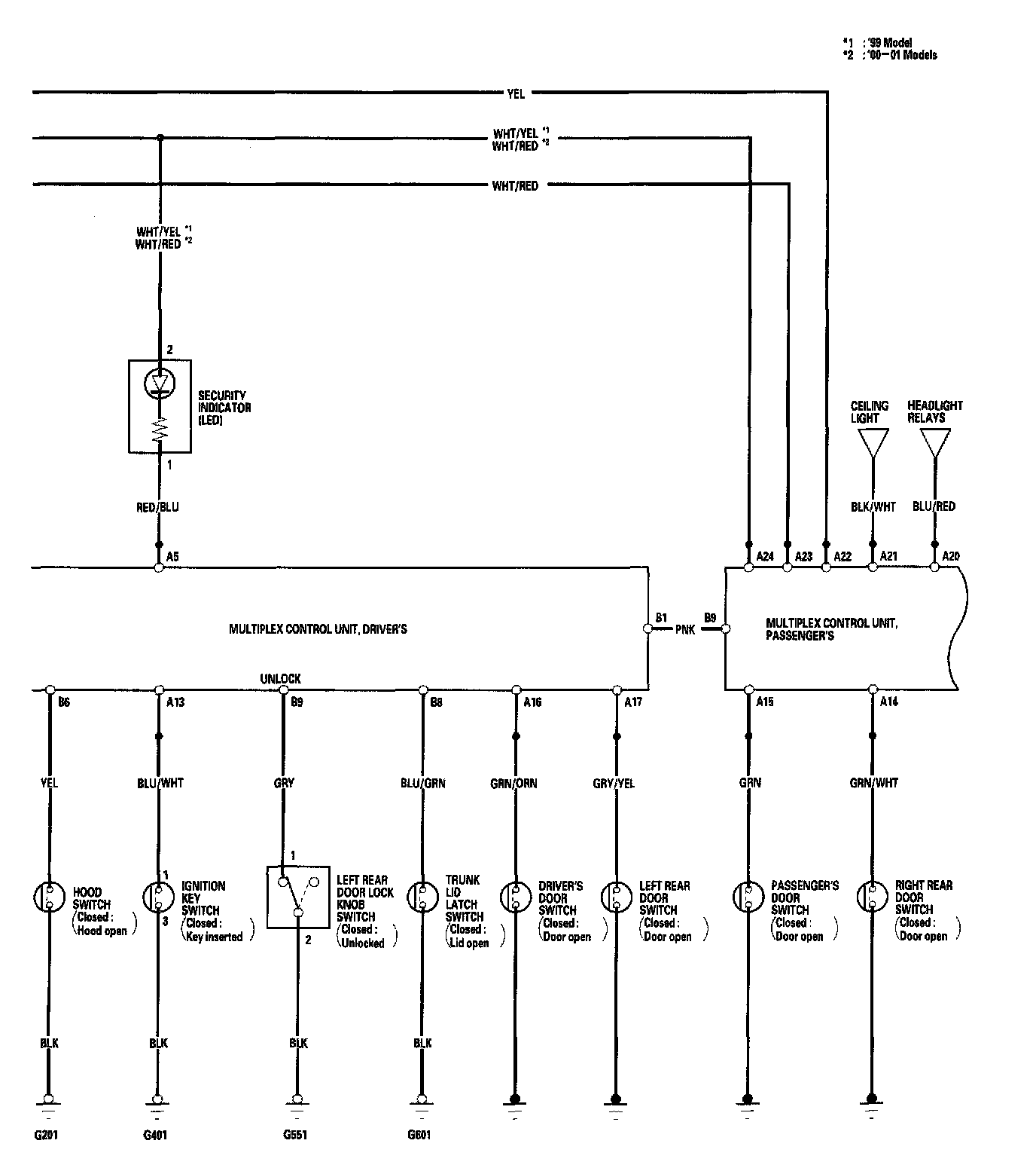
Keyless Entry/Security Alarm System - Circuit Diagram Part 3:




Keyless Entry/Security Alarm System - Circuit Diagram Part 4: