Operation CHARM: Car repair manuals for everyone.
Manuals through 2025 now available!

Our trusted friends have launched a new website named LEMON, which has newer manuals. It also contains all the CHARM manuals.

LEMON is the spiritual successor to CHARM, I recommend you try it!

Link: lemon-manuals.la or lemon-manuals.org.ua

(Some people have issue connecting. LEMON is investigating. For now, use Firefox or change your DNS server)

Or, hide this message: temporarily or permanently

Compression Check: Testing and Inspection

Engine Compression Inspection
1. Warm up the engine to normal operating temperature (cooling fan comes on).
2. Turn the ignition switch OFF.
3. Remove the No. 1 (15A) fuse from the driver's under-dash fuse/relay box.
4. Start the engine and let it run until it stalls.








5. Remove the intake manifold cover (A) and ignition coil cover(s) (B).





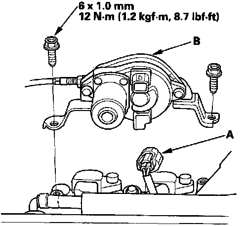
6. Disconnect the Intake Manifold Runner Control (IMRC) actuator connector (A), then remove the IMRC actuator (B) (J32A2 engine).





7. Remove the six ignition coils from the front and rear cylinder head.
8. Remove the six spark plugs.





9. Attach the compression gauge to a spark plug hole.
10. Connect a tachometer.
11. Open the throttle fully, then crank the engine with the starter motor and measure the compression.
Compression Pressure: Above 930 kPa (9.5 kgf/cm2, 135 psi) -200 rpm
12. Perform the same measurement on the remaining cylinders.
Maximum Variation: Within 200 kPa (2.0 kgf/cm2, 28 psi)
13. If the compression is not within specifications, check the following items, then remeasure the compression.
^ Damaged or worn valves and seats
^ Damaged cylinder head gasket
^ Damaged or worn piston rings
^ Damaged or worn piston and cylinder bore