Manuals through 2025 now available!
Our trusted friends have launched a new website named LEMON, which has newer manuals. It also contains all the CHARM manuals.
LEMON is the spiritual successor to CHARM, I recommend you try it!
Link:
lemon-manuals.la or
lemon-manuals.org.ua
(Some people have issue connecting. LEMON is investigating. For now, use Firefox or change your DNS server)
Or, hide this message:
temporarily or
permanently
Torque Specifications
COOLING SYSTEM Thermostat Replacement
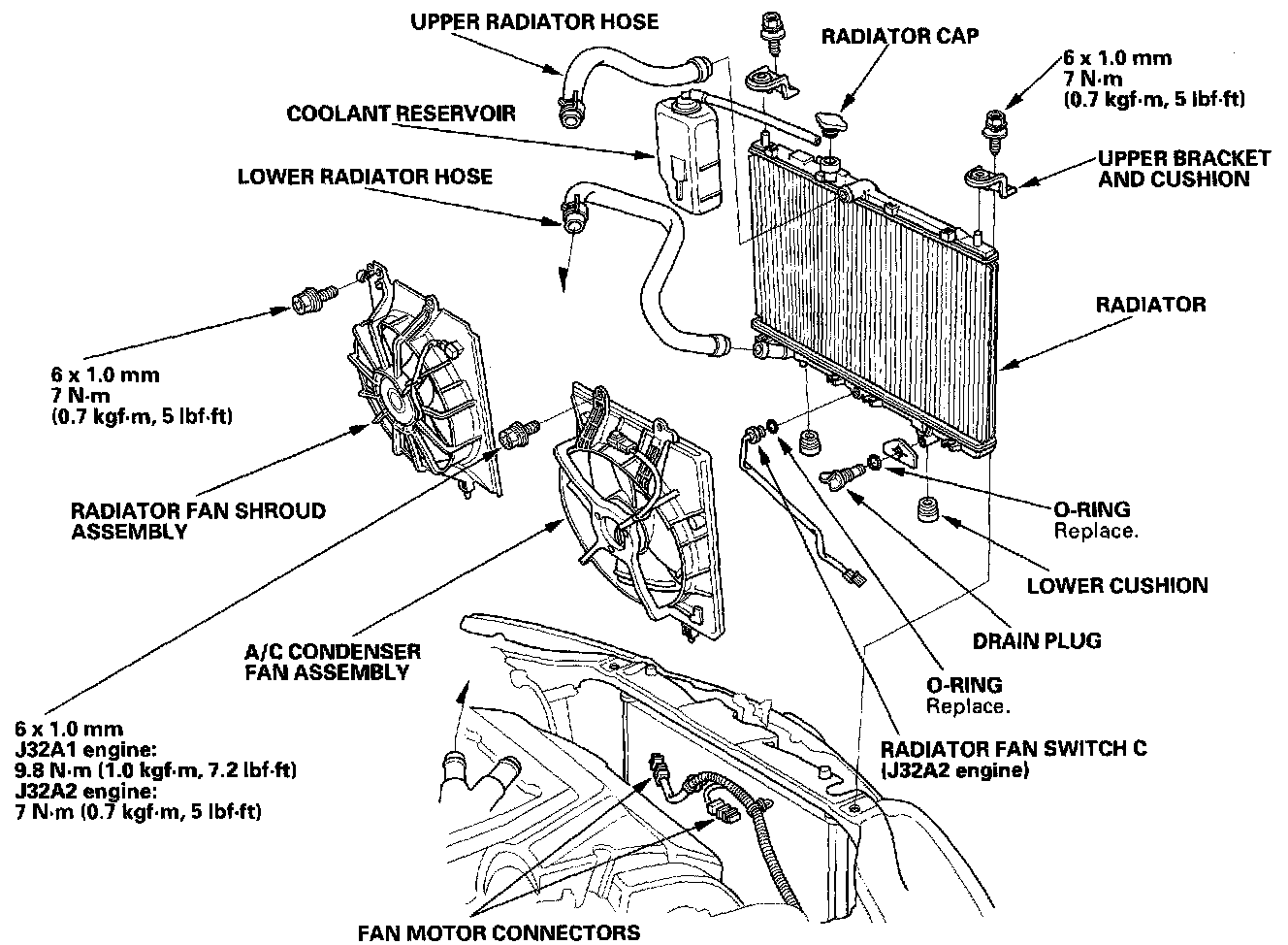
Radiator and Fans Replacement
Water pump displacement
at 6,000 engine rpm
172 L/min (182 US qt/min)
Water Pump Bolt Torque:
Water Pump Torque