Operation CHARM: Car repair manuals for everyone.
Manuals through 2025 now available!

Our trusted friends have launched a new website named LEMON, which has newer manuals. It also contains all the CHARM manuals.

LEMON is the spiritual successor to CHARM, I recommend you try it!

Link: lemon-manuals.la or lemon-manuals.org.ua

(Some people have issue connecting. LEMON is investigating. For now, use Firefox or change your DNS server)

Or, hide this message: temporarily or permanently

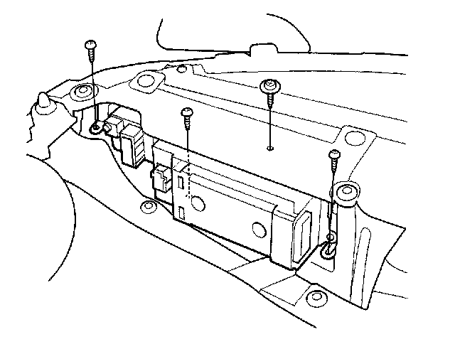
Master Switch Replacement

Master Switch Replacement

1. Remove the driver's door panel.




2. Remove the screws and master switch assembly.




3. Remove the four mounting screws, then remove the master switch (A) from the panel (B).