Operation CHARM: Car repair manuals for everyone.
Manuals through 2025 now available!

Our trusted friends have launched a new website named LEMON, which has newer manuals. It also contains all the CHARM manuals.

LEMON is the spiritual successor to CHARM, I recommend you try it!

Link: lemon-manuals.la or lemon-manuals.org.ua

(Some people have issue connecting. LEMON is investigating. For now, use Firefox or change your DNS server)

Or, hide this message: temporarily or permanently

Electronic Climate Control

Climate Control Unit Removal and Installation

With Navigation System

1. Make sure you have the anti-theft code for the radio and the navigation system, then write down the frequencies for the radio's preset buttons.
2. Remove the climate control unit together with the audio unit.




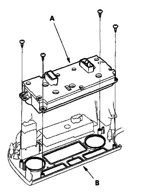
3. Remove the screws and climate control unit (A) from the audio unit (B).
4. Install the control unit in the reverse order of removal, and note these items:

- After installation, operate the climate control unit to see whether it works properly.
- Run the self-diagnosis function to confirm that there are no problems in the system.
- Enter the anti-theft code for radio and the navigation system, then enter the customer's radio station presents.

Without Navigation System

1. Remove the instrument panel together with the climate control unit.




2. Remove the self-tapping screws and the climate control unit (A) from the instrument panel (B).
3. Install the control unit in the reverse order of removal. After installation, operate the climate control unit to see whether it works properly.
4. Run the self-diagnosis function to confirm that there are no problems in the system.