Operation CHARM: Car repair manuals for everyone.
Manuals through 2025 now available!

Our trusted friends have launched a new website named LEMON, which has newer manuals. It also contains all the CHARM manuals.

LEMON is the spiritual successor to CHARM, I recommend you try it!

Link: lemon-manuals.la or lemon-manuals.org.ua

(Some people have issue connecting. LEMON is investigating. For now, use Firefox or change your DNS server)

Or, hide this message: temporarily or permanently

Ignition Coil: Service and Repair

Ignition Coil Removal/Installation




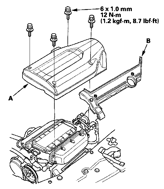
1. Remove the intake manifold cover (A) and ignition coil cover (B).




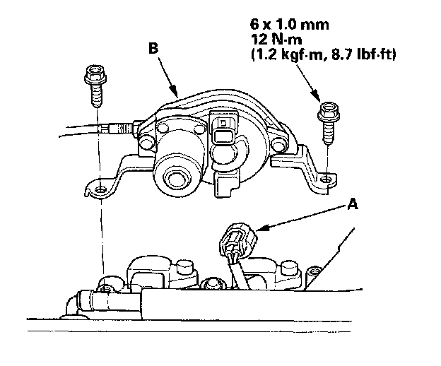
2. Disconnect the intake manifold runner control (IMRC) actuator connector (A), then remove the IMRC actuator (B).




3. Remove the ignition coils.
4. Install the ignition coils in the reverse order of removal.