Operation CHARM: Car repair manuals for everyone.
Manuals through 2025 now available!

Our trusted friends have launched a new website named LEMON, which has newer manuals. It also contains all the CHARM manuals.

LEMON is the spiritual successor to CHARM, I recommend you try it!

Link: lemon-manuals.la or lemon-manuals.org.ua

(Some people have issue connecting. LEMON is investigating. For now, use Firefox or change your DNS server)

Or, hide this message: temporarily or permanently

Transmission Installation

Transmission Installation
1. Flush the ATF cooler.





2. Install the torque converter assembly (A) on the mainshaft (B) with the new O-ring (C).
3. Install the 14 x 20 mm dowel pins (D) in the torque converter housing.
4. Place the transmission on the jack, and raise the transmission to the engine level.





5. Attach the transmission to the engine, then install the transmission housing mounting bolts.





6. Install the transmission housing mounting bolts.





7. Install the transmission housing mounting bolts.
8. Remove the jack from the transmission.





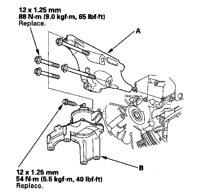
9. Install the front mount bracket with the new bolts.





10. Install the rear mount bracket (A).
11. Install the rear mount/base bracket (B).





12. Install the new set ring (A) on the intermediate shaft (B).
13. Clean the areas where the intermediate shaft contacts the transmission (differential) with solvent or carburetor cleaner, and dry with compressed air. Then install the intermediate shaft (B), be sure not to allow dust or other foreign particles to enter the transmission.
14. Install the new set ring on the left driveshaft.
15. Clean the areas where the left driveshaft contacts the transmission (differential) with solvent or carburetor cleaner, and dry with compressed air. Then install the left driveshaft, be sure not to allow dust or other foreign particles to enter the transmission. Turn the steering knuckle fully outward, and slide the driveshaft into the differential until you feel its set ring fully engage the side gear.
16. Slide the right driveshaft over the intermediate shaft splines until you feel the driveshaft fully engage the intermediate shaft set ring.





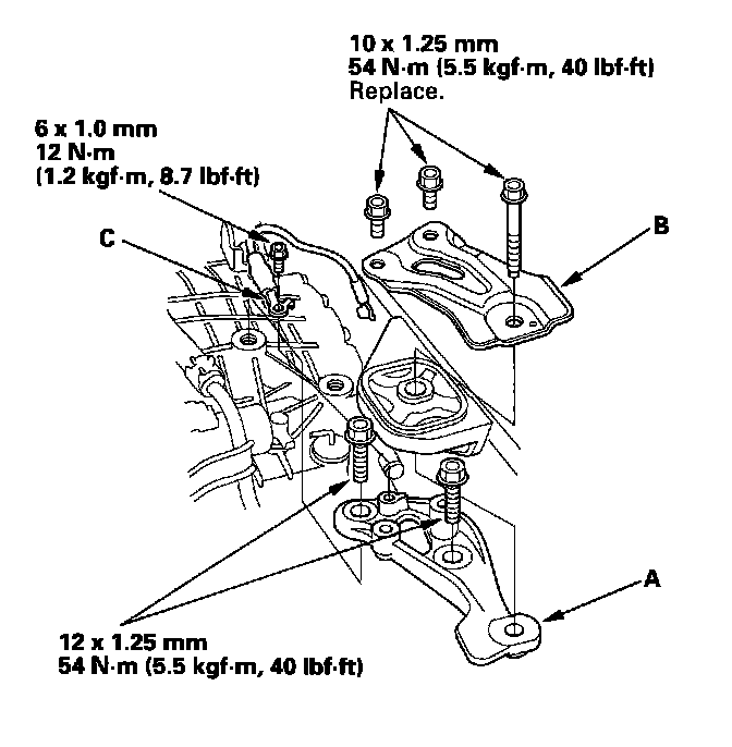
17. Install the transmission lower mounts.





18. Support the front subframe (A) with the special tool and a jack, and lift it up to body.





19. Slide the steering gearbox (A) in the gearbox mounting bracket (B) on the subframe. Apply a soap and water solution to the steering gearbox bushing (C) surfaces upper and lower. If you don't apply a soap and water solution to the bushing surfaces, the gearbox bushing will be damaged when installing the subframe.
20. Loosely install the new subframe mounting bolts (D), and stiffener mounting bolts (E) (F).





21. Loosely install the both mid-mounts mounting bolts.





22. Align the reference marks (A) with edge (B) of both rear stiffener (C), and tighten the rear subframe mounting bolts, then front bolts, and tighten the stiffener bolts to the specified torque.
23. Tighten the mid-mount mounting bolts.





24. Install the rear mount base bracket bolts.
25. Install the damper (A).





26. Install the transmission lower mounts nuts.





27. Install the steering gearbox mounting bolts and stiffener.





28. Install the steering gearbox mounting bracket bolts.





29. Secure the power steering fluid line bracket on the subframe with the bolt.





30. Install the rear mount stop.





31. Attach the shift cable end (A) to the control lever (B), then insert the control pin (C) into the control lever hole through the shift cable end, and secure the control pin with the spring clip (D). Do not bend the shift cable excessively.
32. Install the shift cable cover (E), then secure the shift cable holder (F) to the shift cable cover with the three bolts.





33. Attach the torque converter to the drive plate with eight bolts (A). Rotate the crankshaft pulley as necessary to tighten the bolts to 1/2 of the specified torque, then to the final torque, in a crisscross pattern. After tightening the last bolt, check that the crankshaft rotates freely.
34. Install the engine stiffener (B).





35. Secure the power steering fluid line with the clamps.





36. Secure the power steering fluid line bracket (A) with the bolt, and install the steering gearbox heat shield (B).





37. Install the exhaust pipe A, its mount (B), and new gaskets (C).





38. Install the damper forks (A) with damper pinch bolts (B) and new self-locking nuts (C), then install the ball joints on the lower arms (D) with the castle nuts (E) and new cotter Dins (F).
39. Install the stabilizer links (G) to the lower arms, and install the nuts (H). Insert a 6 mm Allen wrench (I) in the ball joint pin (J), and tighten the nuts.





40. Install the new front mount bolt.
41. Install the front mount stop (A) and vacuum hose clamp bracket (B).
42. Connect the vacuum hose (C) to the vacuum line (D), then install the hose on its clamp (E) at the mark (F).





43. Remove the engine support hanger, and remove the special tool adapter from the engine.





44. Install the clamp bracket.





45. Install the strut brace (A), then install the harness clamp (B), hose (C), and bolts (D).





46. Install the transmission upper mount bracket (A), transmission upper mount bracket plate (B), and ground cable (C).





47. Connect the ATF cooler hose (A) to the ATF cooler line (B), and secure it with the clip.
48. Install the ATF cooler hose (C) on the clamp (D) at the mark (E).





49. Connect the ATF cooler hoses (A) to the ATF cooler lines (B), and secure the hoses with the clips.





50. Connect the 3rd clutch transmission fluid pressure switch connector (A), and install the harness clamp (B) on the clamp bracket (C).





51. Connect the shift solenoid harness connector (A), A/T clutch pressure control solenoid valve B connector, and solenoid valve C connector, and install the harness clamp (D) on the clamp bracket (E).





52. Connect the countershaft speed sensor connector (A) and mainshaft speed sensor connector (B).
53. Connect the AF sensor connector (C), then install it on its bracket (D).
54. Connect the transmission range switch connector (E), then install it on its bracket (F).
55. Install the harness clamps (G) on the harness clamp brackets (H).





56. Install the A/T clutch pressure control solenoid valve A connector and 2nd clutch transmission fluid pressure switch connector (B), and install the harness clamps (C) on the harness clamp brackets (D).
57. Refill the transmission with ATF.
58. Install the battery base.
59. Install the air cleaner housing and intake air duct.
60. Install the battery tray, battery, and battery cover, then secure the battery with its hold-down bracket.
61. Connect the battery terminals.
62. Set the parking brake. Start the engine, and shift the transmission through all gears three times.
63. Check the shift lever operation, A/T gear position indicator operation, and shift cable adjustment.
64. Check and adjust the front wheel alignment.
65. Install the splash shield.
66. Start the engine in the [P] or [N] position, and warm it up to normal operating temperature (the radiator fan comes on).
67. Turn off the engine, and check the ATF level.
68. Perform the road test.
69. Enter the anti-theft code for the radio (and navigation system), then enter the radio station presets, and set the clock.