Operation CHARM: Car repair manuals for everyone.
Manuals through 2025 now available!

Our trusted friends have launched a new website named LEMON, which has newer manuals. It also contains all the CHARM manuals.

LEMON is the spiritual successor to CHARM, I recommend you try it!

Link: lemon-manuals.la or lemon-manuals.org.ua

(Some people have issue connecting. LEMON is investigating. For now, use Firefox or change your DNS server)

Or, hide this message: temporarily or permanently

Engine Installation

Engine Installation

Special Tools Required
Front subframe adapter EGS02BMDXSB0





1. Install the accessory brackets and tighten their bolts to the specified torques.
2. Position the engine/transmission assembly under the vehicle. Attach the chain hoist to the engine, then lift the engine into position in the vehicle.

NOTE: Reinstall the mounting bolts/support nuts in the sequence given. Failure to follow this sequence may cause excessive noise and vibration, and reduce bushing life.

3. Support the front subframe with the front subframe adapter and a jack, and lift it up to the body.





4. Loosely install the four front subframe mounting bolts (A) and the six 12 x 1.25 mm bolts (B), (C) with the stiffeners (D).





5. Align all reference marks (A) on the front subframe (B) with the edge of the body (C), then tighten the bolts on the front subframe to the specified torque.
6. Remove the front subframe adapter and a jack.





7. Tighten the transmission lower rear mount nuts (A) and transmission lower front mount nuts (B).





8. Tighten the rear engine mount bolts.
9. Lower the vehicle on the hoist.





10. Tighten the front engine mount nut.





11. Tighten the upper half of the side engine mount bracket bolts.
12. Remove the chain hoist from the engine.
13. Raise the vehicle on the hoist to full height.





14. Install the A/C compressor.





15. Install the power steering (P/S) hose.





16. Connect the power steering pressure switch connector.
17. Install a new set ring on the end of each driveshaft, then install the driveshafts. Make sure each ring "clicks" into place on the differential and intermediate shafts.
18. Connect the suspension lower arm ball joints.
19. Connect the tie-rod end ball joints.
20. Connect the stabilizer links.
21. Install the transfer assembly.
22. Install the shift cable.





23. Align the reference marks (A) on the propeller shaft (B) and transfer shaft flange (C), then install the propeller shaft.





24. Install exhaust pipe A using new gaskets (B) and new self locking nuts (C).





25. Install the front subframe stiffener.





26. Install the automatic transmission fluid (ATF) cooler hoses.





27. Install the splash shield.
28. Install the front wheels.
29. Lower the vehicle on the hoist.
30. Install the radiator.





31. Install the ground cables.





32. Install the upper radiator hose (A) and lower radiator hose (B).





33. Install the heater hoses.





34. Install the power steering pump outlet hose (A) with a new O-ring (B) to the pump (C), and secure the hose clamp (D) with the bolt.
35. Install the drive belt.





36. Install the alternator cable (A), then install the harness clamps (B).





37. Connect the powertrain control module (PCM) connector (A) and the engine wire harness connectors (B) on the right side of the engine compartment.
38. Install the harness clamps (C).





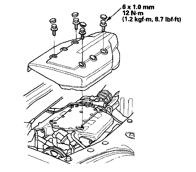
39. Align the reference. marks (A) on the steering joint and steering gearbox pinion shaft. Connect the steering joint (B) to the steering gearbox pinion shaft (C). Tighten the steering joint bolt.
40. Install the steering joint cover (D).
41. Install the carpet and driver's side console lower panel.





42. Install the brake booster vacuum hose (A), evaporative emission (EVAP) canister hose (B), and vacuum hose (C).





43. 2003-2004 models: Install the fuel feed hose (A) with new washers (B).





44. 2005-2006 models: Connect the fuel feed hose, then install the quick-connect fitting cover (A).
45. Install the shift cable with the spring clip/washer, then install the shift cable bracket.





46. Install the starter motor cable (A), harness clamp (B), and ground cable (C).





47. Install the battery base (A), then install the harness clamps (B).





48. Install the intake air duct (A), then install the breather pipe (B).
49. Connect the intake air temperature (IAT) sensor 2 connector (C).





50. Install the intake manifold cover.
51. Install the battery. Clean the battery posts and cable terminals with sandpaper, then assemble them and apply grease to prevent corrosion.
52. Inspect for fuel leaks. Turn the ignition switch ON (II) (do not operate the starter) so the fuel pump runs for about 2 seconds and pressurizes the fuel line. Repeat this operation two or three times, then check for fuel leakage at any point in the fuel line.
53. Move the shift lever to each gear, and verify that the A/T gear position indicator follows the transmission range switch.
54. Refill the engine with new engine oil.
55. Refill the transmission with ATF.
56. Refill the radiator with engine coolant, and bleed air from the cooling system with the heater valve open.
57. Refill the power steering system fluid.
58. Do the powertrain, control module (PCM) reset procedure.
59. Do the crankshaft position (CKP) pattern clear/CKP pattern learn procedure.
60. Inspect the idle speed
61. Inspect the ignition timing.
62. Check the wheel alignment.
63. Enter the anti-theft codes for the radio and the navigation system, then enter the customer's audio presets.
64. Do the power window control unit reset procedure.
65. Set the clock.