Operation CHARM: Car repair manuals for everyone.
Manuals through 2025 now available!

Our trusted friends have launched a new website named LEMON, which has newer manuals. It also contains all the CHARM manuals.

LEMON is the spiritual successor to CHARM, I recommend you try it!

Link: lemon-manuals.la or lemon-manuals.org.ua

(Some people have issue connecting. LEMON is investigating. For now, use Firefox or change your DNS server)

Or, hide this message: temporarily or permanently

Transmission Installation

Transmission Installation
Special Tools Required
- Frame positioning guide pin 070AG-SJAA10S
- Engine hanger, A and reds AAR-T-12566
- Engine hanger balance bar VSB02C00019
- Front subframe adapter EQS02BMDXSB0 These special tools are available through the Acura Tool and Equipment Program 1-888-424-6857

NOTE: Use fender covers to avoid damaging painted surfaces.

1. Clean the ATF cooler.
2. Install the clamp bracket.





3. Install the torque converter (A) on the mainshaft (B) with the new O-ring (C).





4. Install the 14 mm dowel pin (D) and 10 mm dowel pin (E) in the torque converter housing.
5. Install the starter (A), a new gasket (B), and harness clamp bracket (C) on the transmission.





6. Install the transmission lower mount with the new bolts.





7. Place the transmission on the jack, and raise it to engine level.
8. Attach the transmission to the engine, and install the lower transmission housing mounting bolts.





9. Install the rear transmission housing mounting bolts.





10. Install the upper transmission housing mounting bolts.





11. Install the transmission housing mounting bolt (A).





12. Install the sensor harness clamps (B) on the clamp bracket (C).
13. Install the front mount bracket (D) with the new mounting bolts.
14. Install the new set ring (A) on the intermediate shaft (B), and install the intermediate shaft in the differential. While installing the intermediate shaft in the differential, be sure not to allow dust or other foreign particles to enter the transmission.





15. Install the exhaust manifold bracket (C) and heat shield (D).
16. Install the new set ring on the left driveshaft, then install the left driveshaft in the differential. While installing the driveshaft in the differential, be sure not to allow dust or other foreign particles to enter the transmission. Install the right driveshaft over the intermediate shaft.

NOTE: Turn the right and left steering knuckle fully outward, and slide the driveshaft and intermediate shaft into the differential and intermediate shaft until you feel its set ring engage the side gear.

17. Support the front subframe (A) with the front subframe adapter (VSB02C000016) and a jack, and lift it up to the body.





18. Loosely install the new subframe mounting bolts (A), new rear stiffener mounting bolts (B), front stiffener mounting bolts (C), and front and rear stiffeners.





19. Loosely tighten the right rear subframe mounting bolt (A); insert the special tool through the positioning slot (B) on the rear stiffener, through the positioning hole (C) on the subframe, and into the positioning hole (D) on the body, then tighten the subframe mounting bolt.





20. Loosely tighten the left rear subframe mounting bolt in the same manner in step 19.
21. Loosely tighten the right and left front subframe mounting bolts.
22. Loosen the right rear mounting bolt, then tighten the bolt to the specified torque.
23. Tighten the left rear mounting bolt to the specified torque.
24. Tighten the right and left front mounting bolts to the specified torque.
25. Check that the positioning holes and slot are aligned using the special tool.
26. Tighten the rear and front stiffener mounting bolts to the specified torque.
27. Remove the jack and front subframe adapter.
28. Install the new transmission lower mount bolts.





29. Attach the torque converter to the drive plate (A) with the eight bolts (B). Rotate the crankshaft pulley as necessary to tighten the bolt to 1/2 of the specified torque, then to the final torque, in a crisscross pattern. After tightening the last bolt, check that the crankshaft rotates freely.





30. Install the torque converter cover (C).
31. Connect the power steering fluid hose (A) to the line (B) at the right front of the front subframe, and secure the hose with its hose clamp (C).





32. Connect the ATF cooler hose (D) to the ATF cooler (E), and secure the hose with the clip (F).
33. Install the steering gearbox heat shield.





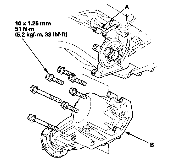
34. Install the dowel pin (A) in the transmission, and install the transfer assembly (B) on the transmission.





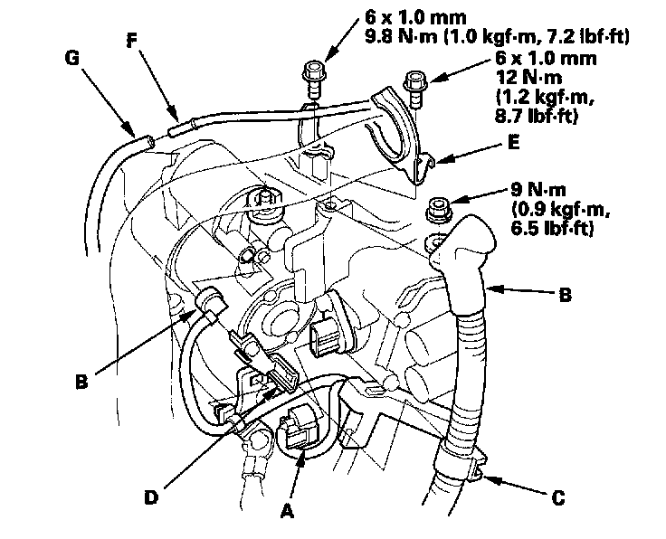
35. Secure the transfer assembly breather tube bracket (A) on the transfer assembly with the bolt, and install the breather tube (B) over the breather pipe (C). If the breather tube was removed from the clamp, install the tube at the dot (D) on the clamp (E).





36. Install the propeller shaft.
37. Install the propeller shaft (A) to the transfer companion flange (B) by aligning the previously made reference mark (C).





38. Install exhaust pipe A with the new self-locking nuts and the new gaskets (B) (C).





39. Install the damper forks (A) with the damper pinch bolts, the new damper fork bolts, and the new self-locking nuts. Attach the knuckle holder (B) to the knuckle, and secure the knuckle holder with the bolt and new nut.





40. Install the stabilizer links (C) to the lower arms, and install the nuts (D). Insert a 6 mm Allen wrench (E) in the ball joint pin (F), and tighten the nuts.
41. Install the tie-rod end ball joints (G) to each knuckle with the nuts and the new cotter pins (H).
42. Install the new rear mount bolt, and install the rear mount stop with new nuts.





43. Install the new front mount bolt, and install the front mount stop (A) and vacuum hose clamp (B).





44. Remove the engine support hanger and engine hanger balancer bar.
45. Install the connector bracket on the engine front cylinder head.





46. Install the clamp brackets on the engine rear cylinder head, and connect the vacuum tube and solenoid connector.





47. Install the shift cable bracket on the steering gearbox stiffener,





48. Connect the power steering angle sensor connector.





49. Connect the 2nd clutch transmission fluid pressure switch connector (A), and secure the vacuum line with the bolt.





50. Connect the ATF cooler hoses (A) to the ATF cooler lines (B), and secure the hoses with the clips (C).





51. Connect the output shaft (countershaft) speed sensor connector (A), input shaft (mainshaft) speed sensor connector (B), 3rd clutch transmission fluid pressure switch connector (C). Connect the ATF temperature sensor connector (D), and install the connector on the connector bracket (E). Install the harness clamp (F) on the bracket.





52. Connect the transmission range switch connector (A), and install the harness clamp (B) on the clamp bracket (C).





53. Install the transmission ground cable (D).
54. Install the harness clamp bracket (A) and connector bracket (8), and install the harness clamps (C) on the clamp brackets (A) (D).





55. Secure the harness cover (E) with the bolt, and connect the A/T clutch pressure control solenoid valve C connector (F).
56. Secure the harness cover with the bolt, and connect the A/T clutch pressure control solenoid valve A connector, A/T clutch pressure control solenoid valve B connector, and 4th clutch transmission fluid pressure switch connectors (C).





57. Attach the shift cable end (A) to the control lever (B), then insert the control pin (C) into the control lever hole through the shift cable end, and secure the control pin with the spring clip/washer (D).





58. Secure the shift cable bracket (E).
59. Connect the solenoid harness connector (A).





60. Install the starter cables (B), and install the harness clamp (C) on the clamp bracket (D).
61. Secure the radiator hose clamp (E) with the bolt.
62. Secure the vacuum line (F) with the bolt, and connect the vacuum hose (G) to the vacuum line.
63. Install the power steering pump outlet line (A) with the new O-ring (B) to the pump, and install the hose (C) in its clamp (D).





64. Connect the power steering pressure switch connector.





65. Install the strut brace.





66. Connect the steering joint.
67. Remove the steering wheel.
68. Center the SRS cable reel and install the steering wheel.
69. Refill the power steering fluid reservoir with fluid to the upper level line.
70. Refill the transmission with ATF.
71. Install the battery base.
72. Install the air intake duct and air cleaner housing.
73. Install the battery tray, battery, and battery hold down bracket, then connect the battery terminals.
74. Install the splash shield.
75. Install the covers in the order presented; intake manifold cover (A), upper grille cover (B), right upper fender trim (C), cowl cover upper trim (D), left upper fender trim (E), and battery trim (F).





76. Reinstall the hood support struts to the upper location on both sides of the hood.
77. Install the windshield wiper arms and cowl cover.
78. Set the parking brake, run the engine at fast idle, and turn the steering wheel from lock-to-lock several times to bleed air from the system. Recheck the fluid level, and refill if necessary.
79. Set the parking brake. Start the engine, and shift the transmission through all positions three times. Check the shift lever operation, A/T gear position indicator operation, and shift cable adjustment.
80. Check and adjust the front wheel alignment.
81. Start the engine in the P or N position, and warm it up to normal operating temperature (the radiator fan comes on).
82. Turn off the engine, and check the ATF level.
83. Perform the road test.
84. Enter the radio and navigation anti-theft codes, then enter the radio presets, and set the clock.
85. Do the steering column position memorization procedures.
86. Do the power window control unit reset procedure.