Operation CHARM: Car repair manuals for everyone.
Manuals through 2025 now available!

Our trusted friends have launched a new website named LEMON, which has newer manuals. It also contains all the CHARM manuals.

LEMON is the spiritual successor to CHARM, I recommend you try it!

Link: lemon-manuals.la or lemon-manuals.org.ua

(Some people have issue connecting. LEMON is investigating. For now, use Firefox or change your DNS server)

Or, hide this message: temporarily or permanently

Transmission Removal

Transmission Removal

Special Tools Required
- Engine support hanger, A and Reds AAR-T-12566
- Engine hanger balance bar VSB02C000019
- Front subframe adapter VSB02C000016 These special tools are available through the Acura Tool and Equipment Program 1-888-424-6857

NOTE: Use fender covers to avoid damaging painted surfaces. Special tool Reds engine support hanger AAR-T-12566 must be used with the side engine mount installed.

1. Make sure you have the customer's radio and navigation anti-theft codes, and write down the radio presets.
2. Remove the covers in the order presented; battery trim (A), left upper fender trim (B), cowl cover upper trim (C), right upper fender trim (D), upper grille cover (E), and intake manifold cover (F).





3. Remove the windshield wiper arms and cowl cover.
4. Disconnect the support strut from the pivot ball on both sides (bolted to the hood). Raise and secure the hood in a vertical position. Remove the right side pivot ball and install it into the lower threaded hole, then reattach the support strut.

NOTE: Do not attempt to close the hood with the support strut in the vertical position; it will damage the support strut and the hood.





5. Set the wheels in the straight ahead position, and lock the steering wheel.
6. Drain the power steering system fluid from the reservoir.
7. Make sure the ignition switch is OFF. Disconnect the negative terminal from the battery, then disconnect the positive terminal.
8. Remove the battery hold-down bracket, and remove the battery cover, battery, and battery tray.
9. Remove the air intake duct and air cleaner housing.
10. Remove the battery base.
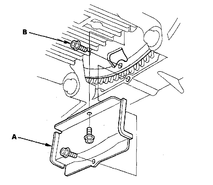
11. Remove the splash shield.
12. Remove the drain plug (A), and drain the automatic transmission fluid (ATF).





13. Reinstall the drain plug and a new sealing washer (B).
14. Remove the strut brace.





15. Disconnect the steering joint.
16. Remove the power steering pump outlet line (A) from the power steering pump, and remove the hose (B) from its clamp (C).





17. Disconnect the power steering pressure switch connector.





18. Remove the starter cables (A) from the starter, and remove the harness clamp (B) from the clamp bracket (C).





19. Disconnect the solenoid harness connector (D).
20. Remove the bolt securing the radiator hose clamp (E).
21. Disconnect the vacuum hose (F) from the vacuum line (G), and remove the vacuum line bolt (H).
22. Remove the nuts securing the shift cable bracket (A).





23. Remove the spring clip/washer (B) and the control pin (C), then separate the shift cable end (D) from the control lever (E).
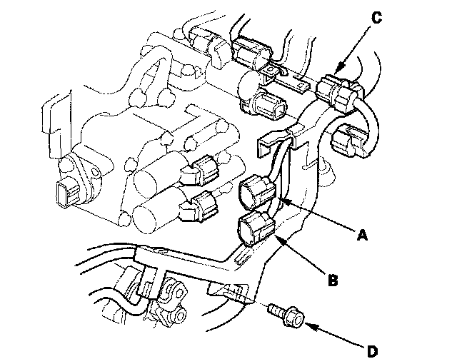
24. Disconnect the A/T clutch pressure control solenoid valve A connector, A/T clutch pressure control solenoid valve B connector, and 4th clutch transmission fluid pressure switch connectors (C), and remove the harness cover mounting bolt (D).





25. Remove the harness cover mounting bolt, and remove the harness clamps (A) from the clamp brackets (B).





26. Disconnect the A/T clutch pressure control solenoid valve C connector, and remove the connector bracket (D) and the harness clamp bracket.
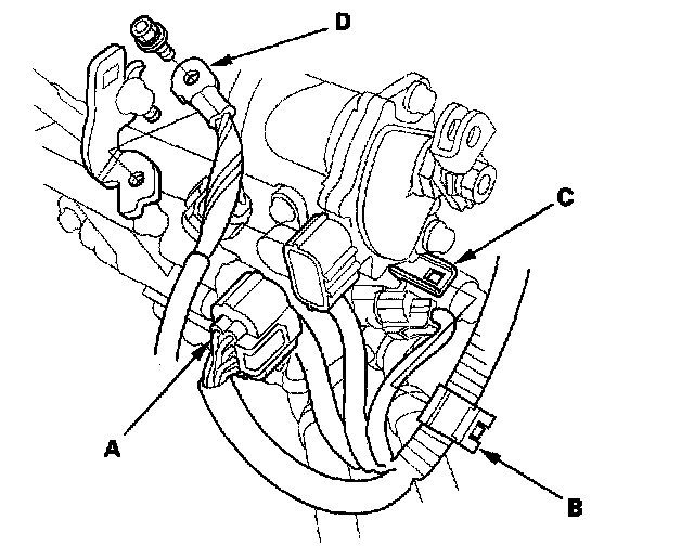
27. Disconnect the transmission range switch connector (A), and remove the harness clamp (B) from the clamp bracket (C).





28. Remove the transmission ground cable (D).
29. Disconnect the output shaft (countershaft) speed sensor connector (A), input shaft (mainshaft) speed sensor connector (B), 3rd clutch transmission fluid pressure switch connector (C), and ATF temperature sensor connector (D).





30. Disconnect the 2nd clutch transmission fluid pressure switch connector (A), and remove the vacuum line bolt (B).





31. Remove the ATF cooler hoses (A) from the ATF cooler lines (B). Turn the ends of the cooler hoses up to prevent ATF from flowing out, then plug the cooler hoses and lines.





32. Check for any signs of leakage at the hose joints.
33. Remove the connector bracket from the engine front cylinder head; use the bracket bolt hole to attach the engine balancer bar front arm.





34. Disconnect the solenoid connector, disconnect the vacuum tube from the joint, then remove the bracket from the engine rear cylinder head; use the bracket bolt hole to attach the engine balancer bar rear arm.





35. Install the engine balancer bar (VSB02C000019); attach the front arm (A) to the front cylinder head with the spacer and the 10 mm bolt, and attach the rear arm (B) to the rear cylinder head with the 8 mm bolt.





36. Install the engine support hanger (AAR-T-12566) to the vehicle, and attach the hook to the engine balancer bar slot. Tighten the wing nut (C) by hand, and lift and support the engine.
37. Remove the front mount stop (A) and the front mount bolt (B).





38. Remove exhaust pipe A.





39. Make a reference mark (A) across the propeller shaft (B) and the transfer companion flange (C).





40. Separate the propeller shaft from the transfer companion flange.
41. Remove the propeller shaft.
42. Insert a 6 mm Allen wrench (A) in the top of the ball joint pin (B), and remove the nuts (C), then separate the stabilizer link (D) from the lower arms (E).





43. Remove the damper pinch bolts (F), damper fork bolts and self-locking nuts, knuckle holder bolts (G) and nuts (H). Remove the damper forks (I).
44. Remove the cotter pins (J) and nuts (K), and separate the steering tie-rod end ball joints (L) from the knuckle.
45. Remove the bolt securing the transfer assembly breather tube bracket (A), and disconnect the breather tube (B) from the breather pipe (C) on the transfer assembly.





46. Remove the transfer assembly from the transmission.





47. Remove the steering gearbox heat shield.





48. Loosen the hose clamp bolt, then disconnect the power steering fluid hose (A) from the line at the right front of the subframe.





49. Remove the ATF cooler hose (B) from the ATF cooler. Turn the end of the cooler hose up to prevent ATF from flowing out, then plug the hose.
50. Remove the torque converter cover (A), and remove the drive plate bolts (B) (8) while rotating the crankshaft pulley.





51. Remove the transmission lower mount bolts.





52. Disconnect the power steering angle sensor connector.





53. Remove the shift cable bracket on the steering gearbox stiffener.





54. Remove the rear mount stop, and remove the rear mount bolt.





55. Attach the front subframe adapter (VSB02C000016) to the subframe by looping the strap over the front of the subframe, then secure the strap.





56. Raise the jack and line up the slots in the arms with the bolt holes on the corner of the jack base, then tighten the bolts.





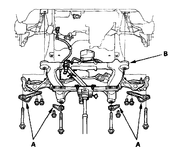
57. Remove the four bolts securing the stiffeners (A) and the four bolts securing the front subframe (B), then lower the front subframe.





58. Remove the transmission lower mount.
59. Pry out the driveshafts from the differential and the intermediate shaft.
60. Remove the exhaust manifold bracket and the heat shield.





61. Remove the intermediate shaft.
62. Coat all precision machined surfaces with clean engine oil, then put plastic bags over driveshaft ends and intermediate shaft ends.
63. Remove the upper transmission housing mounting bolts.





64. Remove the front mount bracket (A).





65. Remove the sensor harness (B) from the harness clamp (C).
66. Remove the transmission housing mounting bolt (D) using a socket 22 mm in length.
67. Remove the rear transmission housing mounting bolts.





68. Lower the transmission by loosening the wing nut of the engine support hanger, and tilt the engine just enough for the transmission to clear the side frame.
69. Place a jack under the transmission.
70. Remove the lower transmission housing mounting bolts.





71. Slide the transmission away from the engine to remove it from the vehicle.
72. Remove the starter, gasket, and harness clamp bracket from the transmission.





73. Remove the torque converter and dowel pins.





74. Remove the clamp bracket.





75. Inspect the drive plate, and replace if it's damaged.