Operation CHARM: Car repair manuals for everyone.
Manuals through 2025 now available!

Our trusted friends have launched a new website named LEMON, which has newer manuals. It also contains all the CHARM manuals.

LEMON is the spiritual successor to CHARM, I recommend you try it!

Link: lemon-manuals.la or lemon-manuals.org.ua

(Some people have issue connecting. LEMON is investigating. For now, use Firefox or change your DNS server)

Or, hide this message: temporarily or permanently

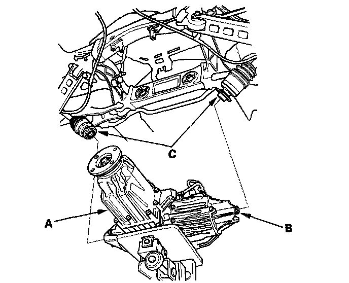
Differential Installation

Rear Differential Installation
1. Raise the rear differential (A) with the transmission jack.





2. If the original differential is being reinstalled, replace the set rings (B).
3. Apply multipurpose grease to the splines of the rear driveshafts (C), then install the rear driveshafts to the rear differential.
4. Install the new front mounting bolts.





5. Install the new rear mounting bolts.





6. Connect the breather hose (A).





7. Connect the rear differential harness connectors (B) and (C).
8. Install the propeller shaft.
9. Refill the differential fluid.