Operation CHARM: Car repair manuals for everyone.
Manuals through 2025 now available!

Our trusted friends have launched a new website named LEMON, which has newer manuals. It also contains all the CHARM manuals.

LEMON is the spiritual successor to CHARM, I recommend you try it!

Link: lemon-manuals.la or lemon-manuals.org.ua

(Some people have issue connecting. LEMON is investigating. For now, use Firefox or change your DNS server)

Or, hide this message: temporarily or permanently

Front

Front Brake Pad Inspection and Replacement

Special Tools Required
Brake caliper piston compressor 07AAE-SEPA101

CAUTION
Frequent inhalation of brake pad dust, regardless of material composition, could be hazardous to your health.
^ Avoid breathing dust particles.
^ Never use an air hose or brush to clean brake assemblies. Use an OSHA approved vacuum cleaner.

Replacement - Except Type S Model

1. Remove some brake fluid from the master cylinder.
2. Raise the front of the vehicle, and support it with safety stands in the proper locations.
3. Remove the front wheels.
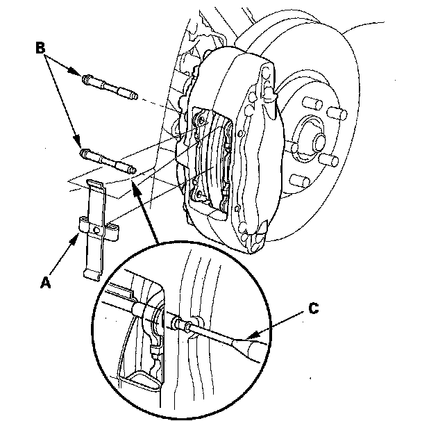
4. Remove the brake hose mounting bolts (A).





5. Remove the flange bolt (B) while holding the caliper pin (C) with a wrench being careful not to damage the pin boot, and pivot the caliper (D) up out of the way. Check the hose and pin boots for damage and deterioration.
6. Remove the brake pads (A) and the pad shims (B).





7. Remove the pad retainers (A).





8. Clean the caliper bracket (B) thoroughly; remove any rust, and check. for grooves and cracks.
9. Check the brake disc for damage and cracks.
10. Clean and install the pad retainers.
11. Mount the brake caliper piston compressor (A) on the caliper body (B).





12. Press in the piston with the brake caliper piston compressor so the caliper will fit over the brake pads. Make sure the piston boot is in position to prevent damaging it when pivoting the caliper down.

NOTE: Be careful when pressing in the piston; brake fluid might overflow from the master cylinder reservoir.

13. Remove the brake caliper piston compressor.
14. Apply a thin coat of M-77 assembly paste (P/N 08798-9010) to the brake pad side of inner pad shim A, inner pad shim B, both sides of the outer pad shim C, outer pad shim D the back of the brake pads (E), and to the other areas indicated by the arrows. Wipe excess assembly paste off the shims and the brake pads. Contaminated brake discs or pads reduce stopping ability. Keep grease and assembly paste off the brake discs and pads.





15. Install the brake pads and pad shims correctly. Install the brake pad with the wear indicator (F) on the upper-inside. If you are reusing the brake pads, always reinstall the brake pads in their original positions to prevent a momentary loss of braking efficiency.
16. Pivot the caliper (B) down into position. Install the flange bolt (C), and torque it to the specified torque while holding the pin A with a wrench being careful not to damage the pin boot.





17. Install the brake hose mounting bolts, and tighten them to the specified torque.
18. Press the brake pedal several times to make sure the brakes work.

NOTE: Engagement of the brake may require a greater pedal stroke immediately after the brake pads have been replaced as a set. Several applications of the brake pedal will restore the normal pedal stroke.

19. Add brake fluid as needed.
20. After installation, check for leaks at hose and line joints or connections, and retighten if necessary. Test-drive the vehicle, then check for leaks.

Replacement - Type S Model (4-piston caliper type)

NOTE: Due to the high performance nature of the brake system on Type S model, the rotors and pads may wear faster than on except Type S model. Be sure to inspect the front rotor thickness anytime the front pads are replaced.

1. Remove some brake fluid from the master cylinder.
2. Raise the front of the vehicle, and support it with safety stands in the proper locations.
3. Remove the front wheels. Take care not to scratch the calipers.
4. Depress pad spring (A). Remove pad pins (B) from caliper by pushing from the outside to the inside with a commercially available 5/32 " pin punch (C).





5. Remove the pad shims (A) and the brake pads (B).





6. Clean the caliper thoroughly; remove any rust, and check for grooves and cracks.
7. Check the brake disc for damage and cracks.
8. Mount the brake caliper piston compressor (A) on the caliper.





9. Press in the outside and inside pistons with the brake caliper piston compressor so the caliper will fit over the pads.

NOTE: Be careful when pressing in the piston; brake fluid might overflow from the master cylinder reservoir.

10. Remove the brake caliper piston compressor.
11. Apply Molykote CU-7439 PLUS PASTE to the pad side of the shims (A), the back of the brake pads (B) and the other areas indicated by the arrows. Wipe excess assembly paste off the pad shims and brake pads. Contaminated brake discs or brake pads reduce stopping ability. Keep grease assembly paste off the brake disc and pads.





12. Install the brake pads and pad shims correctly. Install the brake pad with the wear indicator (B) on the top outside. If you are reusing the brake pads, always reinstall the brake pads in their original positions to prevent a momentary loss of braking efficiency.
13. Install the pad spring (A).





14. Hold the pad spring, and install the pad pins (B) into the caliper from the inside to the outside of vehicle using the special tool.
15. Press the brake pedal several times to make sure the brakes work.

NOTE: Engagement of the brakes may require a greater pedal stroke immediately after the brake pads have been replaced as a set. Several applications of the brake pedal will restore the normal pedal stroke.

16. Add brake fluid as needed.
17. After installation, check for leaks at the brake hose and line joints or connections, and retighten if necessary. Test-drive the vehicle, then check for leaks.