Operation CHARM: Car repair manuals for everyone.
Manuals through 2025 now available!

Our trusted friends have launched a new website named LEMON, which has newer manuals. It also contains all the CHARM manuals.

LEMON is the spiritual successor to CHARM, I recommend you try it!

Link: lemon-manuals.la or lemon-manuals.org.ua

(Some people have issue connecting. LEMON is investigating. For now, use Firefox or change your DNS server)

Or, hide this message: temporarily or permanently

Engine Installation

Engine Installation

Special Tools Required
^ Front subframe adapter VSB02C000016
^ Engine support hanger, A and Reds AAR-T-12566
^ Engine hanger balance bar VSB02C000019
These special tools are available through Acura Tool and Equipment Program, 1-888-424-6857

1. Install the engine mount brackets and accessory brackets, and tighten their bolts to the specified torques.





2. Position the engine/transmission under the vehicle. Be sure that they are properly aligned. Carefully lower the vehicle until the engine/transmission are properly positioned in the engine compartment. Make sure the vehicle is not resting on any part of the engine/transmission. Support the engine/transmission with a chain hoist (A) and carefully raise the engine/transmission into place.

NOTE: Reinstall the mounting bolts/support nuts in the sequence given in the following steps. Failure to follow this sequence may cause excessive noise and vibration, and reduce engine mount life.





3. Install the engine support hanger (AAR-T-12566) to the vehicle.





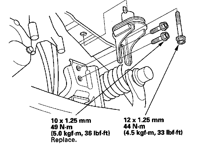
4. Install the engine with the engine hanger balance bar (VSB02C000019). Attach the front arm (A) to the front cylinder head with a spacer (B) and the connector bracket bolt (10 x 1.25 mm) (C). Attach the rear arm (D) to the rear cylinder head with the harness clamp bracket bolt (8 x 1.25 mm) (E).
5. Install mounting bolts into the upper half of the side engine mount bracket. Tighten the bolts to the specified torque.





6. Install the transmission upper mount bracket (A), then tighten the bolts in the numbered sequence shown.





7. Remove the chain hoist, then raise the vehicle on the lift to full height.
8. Using the subframe adapter (VSB20C000016) and a jack, raise the front subframe up to the body.





9. Loosely install the new front subframe mounting bolts (four) (A), the 12 x 1.25 mm bolts (four) (B) (C), and the stiffeners (D).
10. Loosely install the subframe middle mount.





11. Remove the jack and front subframe adapter.
12. Align the reference marks (A) with the edge (B) of both rear stiffeners (C), and tighten the rear subframe mounting bolts, then the front bolts, and finally the stiffener bolts to the specified torque.





13. Tighten the bolts securing the subframe middle mounts.
14. M/T model: Tighten the nuts securing the transmission lower front mount and transmission lower rear mount.





15. A/T model: Tighten the bolts securing the transmission lower mount.





16. Lower the vehicle.
17. M/T model: Install the shift cable, and tighten the two bolts securing the shift cable bracket.





18. Install the vacuum hose (A).





19. Tighten the rear engine mount bolt (B), then install the rear engine mount stop (C).
20. M/T model: Tighten the two bolts securing the rear engine damper.





21. Tighten the front engine mount bolt (A), then install the front engine mount stop (B) and vacuum hose (C)





22. Loosen the mounting bolts for the upper half of the side engine mount bracket, then retighten them to specified torque.





23. Loosen the mounting bolts for the transmission upper mount bracket (A), then retighten the bolts in the numbered sequence shown,





24. Install the ground cable (B).

25. Remove the engine support hanger and engine hanger balance bar.
26. Install the connector bracket to the front cylinder head.





27. Install the harness clamp bracket to the rear cylinder head.





28. A/T model: Install the ATF cooler hoses to the transmission.
29. A/T model: Install the shift cable bracket to the front subframe.





30. Install the A/C compressor.





31. Install the heater hoses.





32. A/T model: Install the shift cable.
33. Install the radiator.
34. Raise the vehicle on the lift to full height.
35. Connect the power steering pressure switch connector.





36. Install the power steering (P/S) hose.





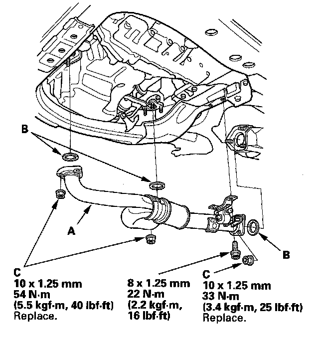
37. Install exhaust pipe A using new gaskets (B) and new self locking nuts (C).





38. Install a new set ring on the end of each driveshaft, then install the driveshafts. Make sure each ring "clicks" into place in the differential and intermediate shaft.
39. Connect the suspension lower arm ball joints.
40. Connect the tie-rod end ball joints.
41. Install the damper fork.
42. Connect the stabilizer links.
43. Install the splash shield.





44. Install the engine under cover.





45. Install the front wheels.

NOTE: On J35A8 engine, be careful not to damage or chip the paint of the brake calipers when installing the wheels.

46. Lower the vehicle.
47. Connect the steering joint to the steering gearbox pinion shaft (A) by aligning the reference mark (B), then remove the wire (C) from the joint yoke (D).





48. Install the steering joint cover (E).
49. Install the steering wheel.
50. Install the P/S pump outlet hose (A) with a new O-ring (B).





51. Install the P/S hose (C) to the clamp (D).
52. Install the P/S fluid reservoir to the clamp, then install the return hose.





53. Install the drive belt.
54. M/T model: Install the clutch slave cylinder and clutch line bracket mounting bolt.
55. M/T model: Install the shift cable and select cable, then tighten the three bolts securing the shift cable holder.
56. Connect the engine wire harness connectors (A), then install the harness clamp (B).





57. Connect the fuel feed hose (A), then install the quick-connect fitting cover (B).





58. Install the brake booster vacuum hose (A) and evaporative emission (EVAP) canister hose (B).





59. Install the strut brace (A), then install the harness clamp (B), and install the two 6 mm bolts (C).





60. Install the under-hood fuse/relay box (A), and connect the harness connector (B).





61. Install the battery cables (C).
62. Install the battery base (A), then install the harness clamps (B).





63. Install the air cleaner assembly.
64. Install the air intake duct (A), then install the breather pipe (B).





65. Install the engine cover.





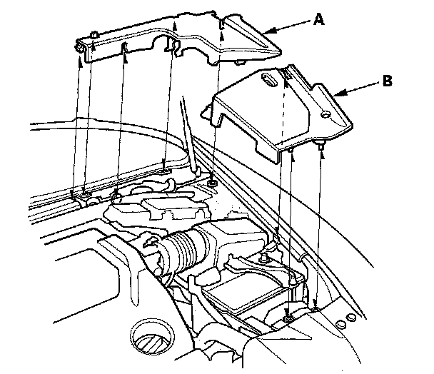
66. Install the battery. Clean the battery posts and cable terminals with sandpaper, then assemble them and apply grease to prevent corrosion.
67. A/T model: Move the shift lever to each gear, and verify that the A/T gear position indicator follows the transmission range switch.
68. M/T model: Check that the transmission shifts into gear smoothly.
69. Inspect for fuel leaks. Turn the ignition switch ON (II) (do not operate the starter) so the fuel pump runs for about 2 seconds and pressurizes the fuel line. Repeat this operation two or three times, then check for fuel leakage at any point in the fuel line.
70. Refill the engine with engine oil.
71. Refill the transmission with fluid.
72. Refill reservoir with the power steering fluid.
73. Refill the radiator with engine coolant, and bleed the air from the cooling system with the heater valve open.
74. Bleed air from the P/S system. If necessary, add fluid.
75. Check the front wheel alignment. If necessary, adjust it.
76. Do the engine control module (ECM)/powertrain control module (PCM) reset procedure.
77. Do the ECM/PCM idle learn procedure.
78. Do the crankshaft position (CKP) pattern clear/CKP pattern learn procedure.
79. Inspect the idle speed.
80. Inspect the ignition timing.
81. Install the right rear engine compartment cover (A), then install the right side engine compartment cover (B).





82. Install the left rear engine compartment cover (A) and the left side engine compartment cover (B).





83. Enter the anti-theft codes for the audio system and navigation system (if equipped).
84. Set the clock.