Operation CHARM: Car repair manuals for everyone.
Manuals through 2025 now available!

Our trusted friends have launched a new website named LEMON, which has newer manuals. It also contains all the CHARM manuals.

LEMON is the spiritual successor to CHARM, I recommend you try it!

Link: lemon-manuals.la or lemon-manuals.org.ua

(Some people have issue connecting. LEMON is investigating. For now, use Firefox or change your DNS server)

Or, hide this message: temporarily or permanently

Ignition System: Locations

Ignition System Component Location Index:



Exterior Lights Component Location Index:



Exterior Lights Component Location Index:



Accessory Power Sockets Component Location Index:



Rear Window Defogger Component Location Index:



Power Windows Component Location Index:



Turn Signal/Hazard Flasher Component Location Index:



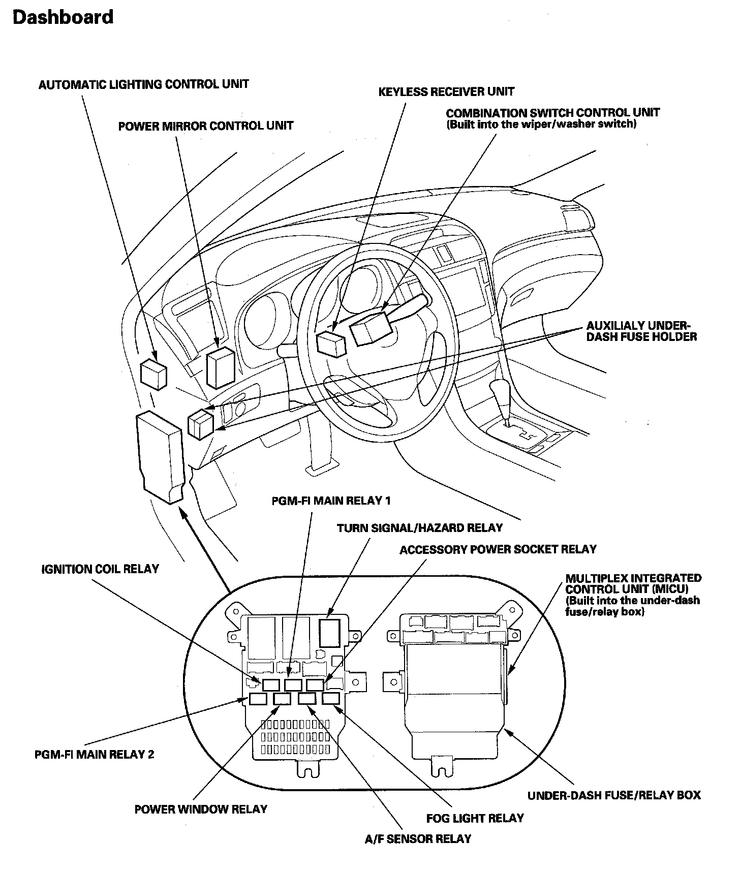
Relay and Control Unit Locations Dashboard:



Relay and Control Unit Locations Engine Compartment:



Climate Control Component Location Index Part 2:



6. Right Side Of Engine Compartment:



45. Left Side Of Engine Compartment:



68. Behind Left Kick Panel: