Operation CHARM: Car repair manuals for everyone.
Manuals through 2025 now available!

Our trusted friends have launched a new website named LEMON, which has newer manuals. It also contains all the CHARM manuals.

LEMON is the spiritual successor to CHARM, I recommend you try it!

Link: lemon-manuals.la or lemon-manuals.org.ua

(Some people have issue connecting. LEMON is investigating. For now, use Firefox or change your DNS server)

Or, hide this message: temporarily or permanently

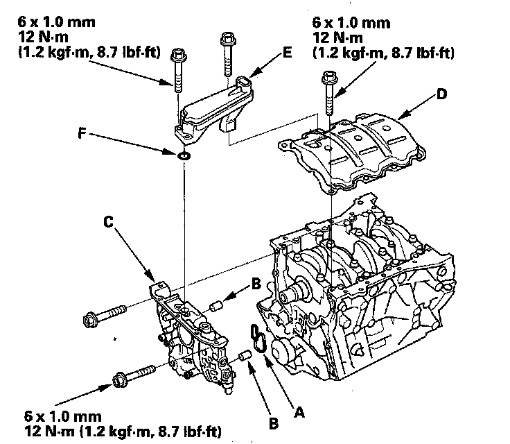
Torque Specifications

Cylinder head





If either diameter is less than 11.3 mm (0.44 in.), replace the cylinder head bolt.

Torque the cylinder head bolts in sequence to 30 Nm (3.0 kgf-m, 22 lbf-ft). Use a beam-type torque wrench. When using a preset-type torque wrench, be sure to tighten slowly and do not overtighten. If a bolt makes any noise while you are torquing it, loosen the bolt and retorque it from the first step.
After torquing, tighten all cylinder head bolts in two steps (90° per step). If you are using a new cylinder head bolt, tighten the bolt an extra 90°.


Intake Manifold





Install the intake manifold. Tighten the bolts and nuts sequentially in two or three steps.


Main Bearing Cap





Tighten the bearing cap bolts, and then the bearing cap side bolts to the specified torque in the sequence as shown. Repeat the torque sequence again to make sure the bolts are properly torqued.


Connecting Rod Bearing Cap
Tightening Torque 20 Nm (2.0 kgf-m, 14 lbf-ft) + 90°


Crankshaft Pulley
Tightening Torque 65 Nm (6.5 kgf-m, 47 lbf-ft) + 60°


Oil Pump






Water Pump