Operation CHARM: Car repair manuals for everyone.
Manuals through 2025 now available!

Our trusted friends have launched a new website named LEMON, which has newer manuals. It also contains all the CHARM manuals.

LEMON is the spiritual successor to CHARM, I recommend you try it!

Link: lemon-manuals.la or lemon-manuals.org.ua

(Some people have issue connecting. LEMON is investigating. For now, use Firefox or change your DNS server)

Or, hide this message: temporarily or permanently

Part 1

Transmission Reassembly

Transmission:





Special Tool Required
Mainshaft holder 07GAB-PF50101 or 07GAB-PF50100

1. Make sure that the ATF magnet is cleaned and installed in the torque converter housing. Clean and install the ATF magnet, if necessary.
2. Install the main separator plate and two dowel pins on the torque converter housing. Then install the ATF pump drive gear (A), driven gear (B), and ATF pump driven gear shaft (C). Install the ATF pump driven gear with its grooved and chamfered side facing down.





3. Install the torque converter check valve spring and valve in the torque converter housing.
4. Install the main valve body (seven 6 mm bolt and three 8 mm bolts). Make sure the ATF pump drive gear (A) rotates smoothly in the normal operating direction, and the ATF pump driven gear shaft (B) moves smoothly in the axial and normal operating direction.





5. If the ATF pump drive gear and ATF pump driven gear shaft do not move smoothly, loosen the main valve body bolts. Realign the ATF pump driven gear shaft, and retighten the bolts to the specified torques, then recheck. Failure to align the ATF pump driven gear shaft correctly will result in a seized ATF pump drive gear or ATF pump driven gear shaft.
6. Install the lubrication check valve, cooler check valve and cooler check valve spring in the main valve body. Install the lubrication check valve in the direction shown in the in the exploded view.
7. Install the secondary separator plate and two dowel pins on the main valve body, and install the secondary valve body (one bolt).
8. Install the three check balls and choke in the secondary valve body.
9. Install the accumulator separator plate and two dowel pins on the secondary valve body.
10. Position the detent arm on the accumulator separator plate, and install the detent arm shaft into the detent arm through the separator plates to the main valve body.
11. Install the 8 x 62 mm ATF feed pips in the main valve body, and install the accumulator body 1 bolts).
12. Install the regulator separator plate and two dowel pins on the main valve body.
13. Install the stator shaft with the new O-ring, and install the regulator valve body (eight bolts).
14. Install the stator shaft stop in the main valve body.
15. Install the ATF strainer with the new O-ring (two bolts).
16. Install the ATF passage pipe (one bolt) in the torque converter housing.
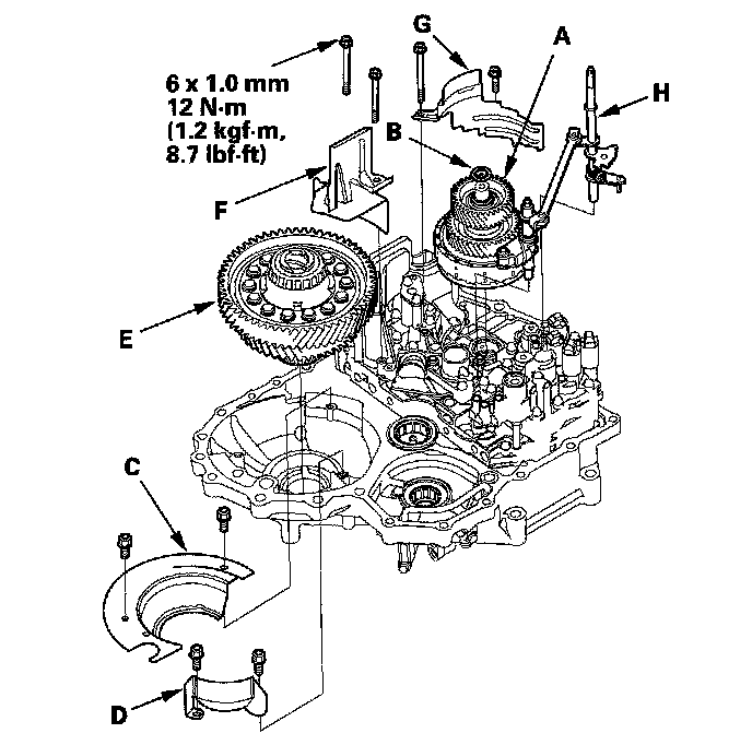
17. Install the intermediary shaft (A) into the main valve body, and install the 26.5 mm washer (B) on the top of the intermediary shaft.





18. Install the baffle plates (C) (D).
19. Install the differential assembly (E) in the torque converter housing.
20. Install the baffle plates (F) (G), and make sure if the differential is clear of the baffle plate.
21. Install the control shaft and park lever link (H).
22. Assemble the mainshaft, countershaft, and secondary shaft.
23. Install the needle bearing (A) on the secondary shaft roller bearing in the torque converter housing.





24. Turn the shift fork shaft (B) so the large chamfered hole is facing the fork bolt hole of the shift fork.
25. Engage the shift fork (C) with the reverse selector on the countershaft, and join the mainshaft (D), countershaft (E), and secondary shaft (F), then install them in the torque converter housing and shift fork on the shift fork shaft.
26. Secure the shift fork (A) to the shift fork shaft with the lock bolt and the new lock washer (B), then bend the lock tab of the lock washer against the bolt head.





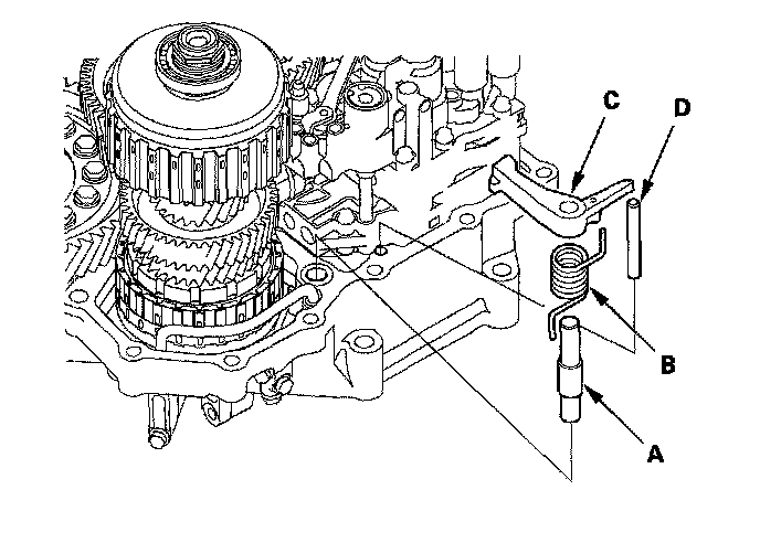
27. Install the park pawl shaft (A), pawl spring (B), park pawl (C), and park pawl stop (D).





28. Align the control lever pin with the manual valve guide.





29. Hook the detent arm spring to the detent arm.





30. Install the 8 x 85 mm ATF feed pipe (A), 8 x 151.5 mm pipes (B), and 8 x 40 mm pipe (C) in the accumulator body.





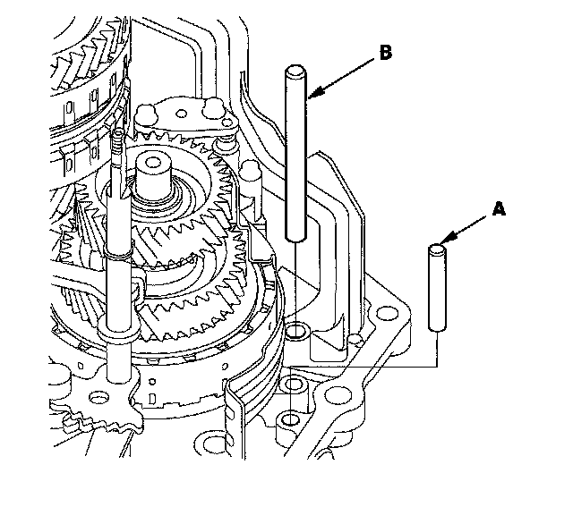
31. Install the 8 x 57.6 mm ATF feed pipe (A) and 10 x 123 mm pipe (B) in the torque converter housing.





32. Install the two dowel pins (A) and the new gasket (B) on the torque converter housing (C).





33. Place the transmission housing (D) on the torque converter housing.
34. Wrap a screwdriver tip with tape to prevent damage to the reverse idler gear teeth. Engage the reverse idler gear with reverse gears by rotating the idler gear using the screwdriver.





35. While expanding the snap ring of the countershaft bearing using snap ring pliers, install the transmission housing onto the bearing part-way. Then release the snap ring pliers, and push down on the housing until it bottoms and the snap ring snaps into place in the transmission housing snap ring groove.