Operation CHARM: Car repair manuals for everyone.
Manuals through 2025 now available!

Our trusted friends have launched a new website named LEMON, which has newer manuals. It also contains all the CHARM manuals.

LEMON is the spiritual successor to CHARM, I recommend you try it!

Link: lemon-manuals.la or lemon-manuals.org.ua

(Some people have issue connecting. LEMON is investigating. For now, use Firefox or change your DNS server)

Or, hide this message: temporarily or permanently

Part 2

Transmission Reassembly (Continued)

36. Install the transmission housing mounting bolts (22 bolts) along with the transmission hanger (A), and tighten the bolts in two or more steps in a crisscross pattern to 44 N-m (4.5 kgf-m, 33 lbf-ft).





37. Install and tighten the two mounting bolts (B) to 39 N-m (4.0 kgf-m, 29 lbf-ft). Keep the mounting bolts free of grease or oil.
38. Install the mainshaft holder onto the mainshaft.





39. Install the new lock washer (A) with the marked side (B) up over the mainshaft (C), and apply the surfaces of the lock washer and old locknut (D) with ATF.





40. Install the old locknut, and tighten it to seat the lock washer to 178 N-m (18.2 kgf-m, 132 lbf-ft), then remove the old locknut.
41. Install the new locknut and tighten it to 176 N-m (18.2 kgf-m, 132 lbf-ft), then stake the locknut into its shaft in depth (A) of 0.7-1.3 mm (0.03-0.05 in.) using a 3.5 mm punch (B).





42. Install the end cover (A), dowel pins (B), and new O-ring (C).





43. Install the snap ring cap (D) with the new O-ring (E).
44. Apply thread lock sealant to the threads of the sealing plug (F), and install the sealing plug and the new sealing washer (G).
45. Install the new O-ring (E) on the solenoid harness connector (F).





46. Route the solenoid harness through the transmission housing, and install the solenoid harness connector.
47. Connect the GRN harness connector to shift solenoid valve C.
48. Connect the YEL harness connector to shift solenoid valve A.
49. Connect the RED harness connector to shift solenoid valve B.
50. Connect the ORN harness connector to shift solenoid valve D.
51. Secure the solenoid harness connector with the bolt on the transmission housing.
52. Install the solenoid valve cover (A) with the two dowel pins (B) and the new gasket (C), and secure it with the seven bolts.





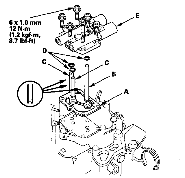
53. Place the new gasket (A) on the solenoid valve cover, then install the 8 x 105.8 mm ATF feed pipe (B) and 8 x 58.3 mm pipes (C) with their filter side into the transmission housing.





54. Install the new O-rings (D) over the ATF feed pipes, and install A/T clutch pressure control solenoid valves A and B (E).
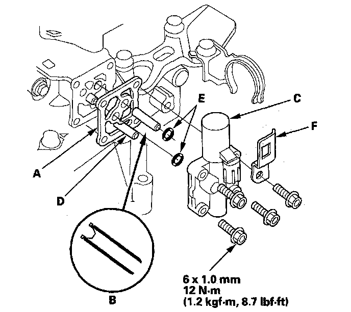
55. Install the 8 x 53 mm ATF joint pipe (A) with the filter side into its mounting hole (B).





56. Check the height (A) if the 8 x 53 mm ATF joint pipe (B) between the top (C) of the pipe and solenoid valve body mounting surface (D). The height is about 7 mm (0.3 in.). If the height is over 7 mm (0.3 in.), install the pipe securely until it stops the accumulator body.





57. Install the new gasket (A) on the transmission housing. Install the 8 x 34.5 mm ATF pipe (B) with the filter side into the transmission housing, and install the 8 x 25.5 mm ATF pipe (D).





58. Install new O-rings (E) over the ATF joint pipes.
59. Install A/T clutch pressure control solenoid valve C and harness stay (F).
60. Set the selector control shaft to the N position by turning the selector control shaft with a 6.0 mm wrench.





61. Set the transmission range switch (A) to the N position. The transmission range switch clicks in the N position, and the selector control shaft hole (B) aligns with the N positioning line (C).





62. Install the transmission range switch gently over the selector control shaft (D), and install the bolts loosely.
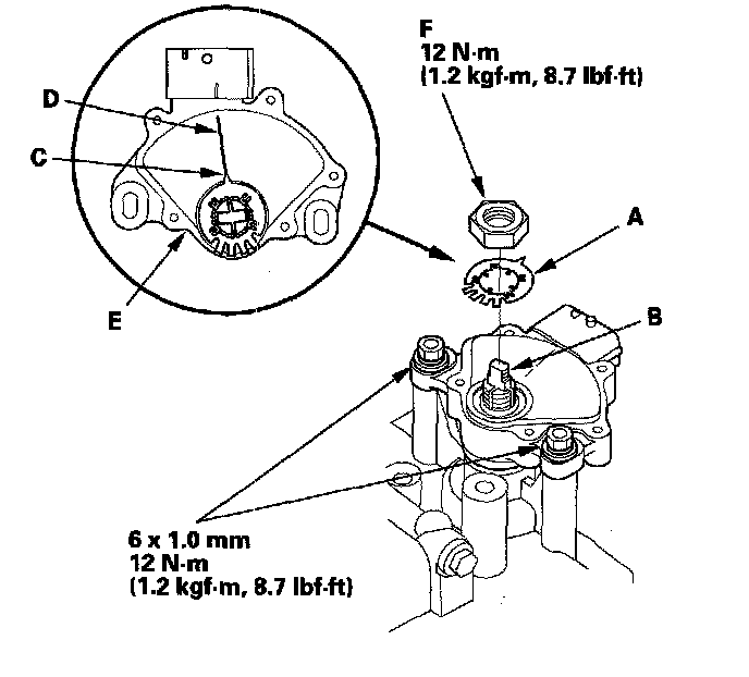
63. Install the new lock washer (A) over the selector control shaft (B) with aligning the projection (C) of the lock washer with the N positioning line (D) on the transmission range switch (E), and install the locknut (F).





64. Push the locknut against the transmission housing to seat the range switch into the selector control shaft, and tighten the locknut to 12 N-m (1.2 kgf-m, 8.7 lbf-ft) while holding the selector control shaft with a 6 mm wrench, then bend the lock tabs against the lock nut.





65. Tighten the bolts to 12 N-m (1.2 kgf-m, 8.7 lbf-ft) securing the transmission range switch.
66. Install the control lever (A), spring washer (B), lock washer (C), and locknut (D) on the selector control shaft (E).





67. Install the new O-ring (A) on the input shaft (mainshaft) speed sensor (B), and install the input shaft (mainshaft) speed sensor.





68. Install the new O-ring (C) on the output shaft (countershaft) speed sensor (D), and install the output shaft (countershaft) speed sensor.
69. Install the 4th clutch transmission fluid pressure switch (A) with the new sealing washer (B). Tighten the switch with the metal part.





70. Install the 3rd clutch transmission fluid pressure switch (A) with the new sealing washer (B). Tighten the switch on the metal part, not the plastic part.





71. Install the ATF cooler lines (C) with the new sealing washers (D) and line bolts (E).
72. Install the connector bracket, and secure the ATF lines with the 6.0 mm bolts (F) on the transmission housing. Tighten the bolts to 12 N-m (1.2 kgf-m, 8.71 lbf-ft).
73. Install the ATF temperature sensor (G) with the new O-ring (H), then install the connector on the connector bracket.
74. Install the 2nd Clutch transmission fluid pressure switch (A) with the new sealing washer (B). Tighten the switch with the metal part.





75. Install the ATF dipstick guide pipe (A) with the new O-ring (B).





76. Install the ATF dipstick (C) in its guide pipe.