Operation CHARM: Car repair manuals for everyone.
Manuals through 2025 now available!

Our trusted friends have launched a new website named LEMON, which has newer manuals. It also contains all the CHARM manuals.

LEMON is the spiritual successor to CHARM, I recommend you try it!

Link: lemon-manuals.la or lemon-manuals.org.ua

(Some people have issue connecting. LEMON is investigating. For now, use Firefox or change your DNS server)

Or, hide this message: temporarily or permanently

Back-Up Light Switch Test

Back-up Light Switch Test

NOTE: Use fender covers to avoid damaging painted surfaces.

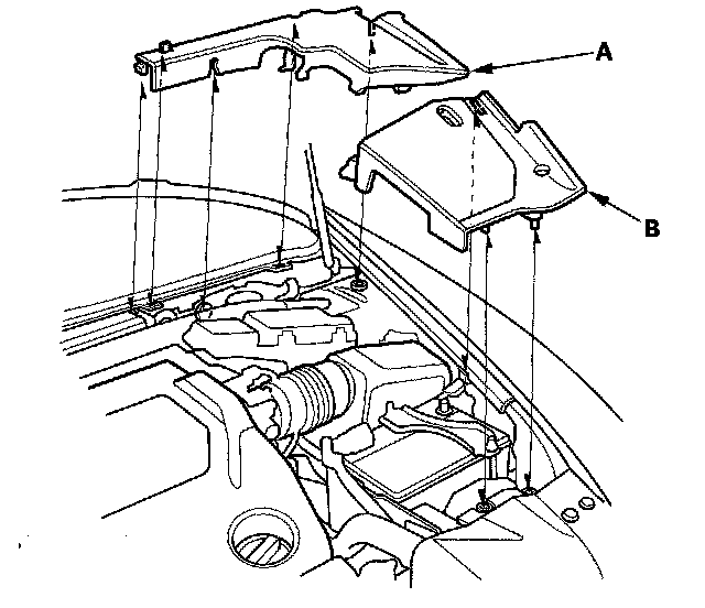
1. Remove the left rear engine compartment cover (A) and the left side engine compartment cover (B).





2. Make sure you have the anti-theft codes for the audio unit and the navigation system, then write down the audio presets.
3. Disconnect the negative cable from the battery, then disconnect the positive cable.
4. Remove the battery.
5. Remove the air cleaner assembly.
6. Remove the battery base.





7. Disconnect the back-up light switch (A) 2P connector.





8. Check for continuity between the back-up light switch 2P connector terminals No. 1 and No. 2. There should be continuity when the shift lever is only in reverse.
9. If necessary, replace the back-up light switch. Apply liquid gasket (P/N 08718-0001) to threads of the switch, and install it on the transmission housing. Tighten the back-up light switch to the specified torque.

NOTE:
^ If you apply liquid gasket P/N 08718-0012, the component must be install with 4 minutes.
^ If too much time has passed after applying the liquid gasket, remove the old liquid gasket and residue, then reapply new gasket.

10. Install the battery base.
11. Install the air cleaner assembly.
12. Install the battery. Clean the battery posts and cable terminals. Connect the positive cable to the battery first, then connect the negative cable, and apply multipurpose grease to prevent corrosion.
13. Install the left rear engine compartment cover and the left side engine compartment cover.
14. Enter the anti-theft codes for the audio unit and navigation system, then enter the audio presets and set the clock.