Operation CHARM: Car repair manuals for everyone.
Manuals through 2025 now available!

Our trusted friends have launched a new website named LEMON, which has newer manuals. It also contains all the CHARM manuals.

LEMON is the spiritual successor to CHARM, I recommend you try it!

Link: lemon-manuals.la or lemon-manuals.org.ua

(Some people have issue connecting. LEMON is investigating. For now, use Firefox or change your DNS server)

Or, hide this message: temporarily or permanently

Variable Valve Timing: Description and Operation




Fuel and Emissions System Description - VTEC System

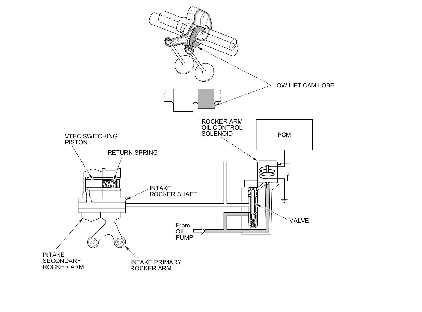
VTEC System

- The VTEC system changes the cam profile to correspond to engine speed. It maximizes torque at low engine speed and output at high engine speed. The low lift cam is used at low engine speeds, and the high lift cam is used at high engine speeds.
- The intake valve side has primary and secondary rocker arms. These rocker arms are locked and separated to change the cam profile by switching the oil passages. Roller rockers are used to minimize mechanical friction.





- The VTEC system oil pressure is switched by the rocker arm oil control valve changing the hydraulic circuit. The rocker arm oil control valve is controlled by the rocker arm oil control solenoid. The rocker arm oil pressure switch detects VTEC system oil pressure and sends this information to the PCM.





VTEC System Operation

At low engine speed

The rocker arm oil control solenoid is turned off by the PCM. Oil pressure from the rocker arm oil control valve does not enter the rocker shaft. The intake primary and secondary rocker arms are separated by a return spring and lifted by the low lift cam lobe.






At high engine speed

The rocker arm oil control solenoid is turned on by the PCM. Oil pressure from the rocker arm control solenoid enters into the intake secondary rocker arm via the rocker shaft, and it moves the VTEC switching piston in the intake secondary rocker arm. This causes the VTEC switching piston to slide into the primary rocker arm, locking the primary and secondary rocker arms together. Both intake rocker arms are lifted by the high lift cam lobe.