Operation CHARM: Car repair manuals for everyone.
Manuals through 2025 now available!

Our trusted friends have launched a new website named LEMON, which has newer manuals. It also contains all the CHARM manuals.

LEMON is the spiritual successor to CHARM, I recommend you try it!

Link: lemon-manuals.la or lemon-manuals.org.ua

(Some people have issue connecting. LEMON is investigating. For now, use Firefox or change your DNS server)

Or, hide this message: temporarily or permanently

Fuel and Emissions System Description - Electronic Control System




Fuel and Emissions System Description - Electronic Control System

Electronic Control Systems

The functions of the fuel and emission control systems are managed by the powertrain control module (PCM).

Self-Diagnosis

The PCM detects the failure of a signal from a sensor or from another control unit and stores a Pending or Confirmed DTC. Depending on the failure, a Confirmed DTC is stored in either the first or the second drive cycle. When a Confirmed DTC is stored, the PCM turns on the malfunction indicator lamp (MIL) by a signal sent to the gauge via the F-CAN A.

- One Drive Cycle Detection Method
When an abnormality occurs in the signal from a sensor or from another control unit, the PCM stores a Confirmed DTC and turns on the MIL immediately.
- Two Drive Cycle Detection Method
When an abnormality occurs in the signal from a sensor or from another control unit in the first drive cycle, the PCM stores a Pending DTC. The MIL does not come on at this time. If the failure continues in the second drive cycle, the PCM stores a Confirmed DTC and turns on the MIL.

Fail-Safe Function

When an abnormality occurs in the signal from a sensor or from another control unit, the PCM ignores that signal and substitutes a pre-programmed value for it that allows the engine to continue running. This causes a Confirmed DTC to be stored and the MIL to come on.

MIL Bulb Check and Readiness Code Condition

When the ignition switch is turned to ON (II), the PCM turns on the MIL via the F-CAN A circuit for about 15 to 20 seconds to check the bulb condition. If any readiness codes are not set to complete, the MIL flashes five times. If all readiness codes are set to complete, the MIL goes off.

Self Shut Down (SSD) Mode

After the ignition switch is turned to LOCK (0), the PCM stays on for up to an hour. If a PCM connector is disconnected during this time, the PCM may be damaged. To cancel this mode, disconnect the negative cable from the battery or jump the SCS line with the HDS after the ignition switch is turned to LOCK (0).

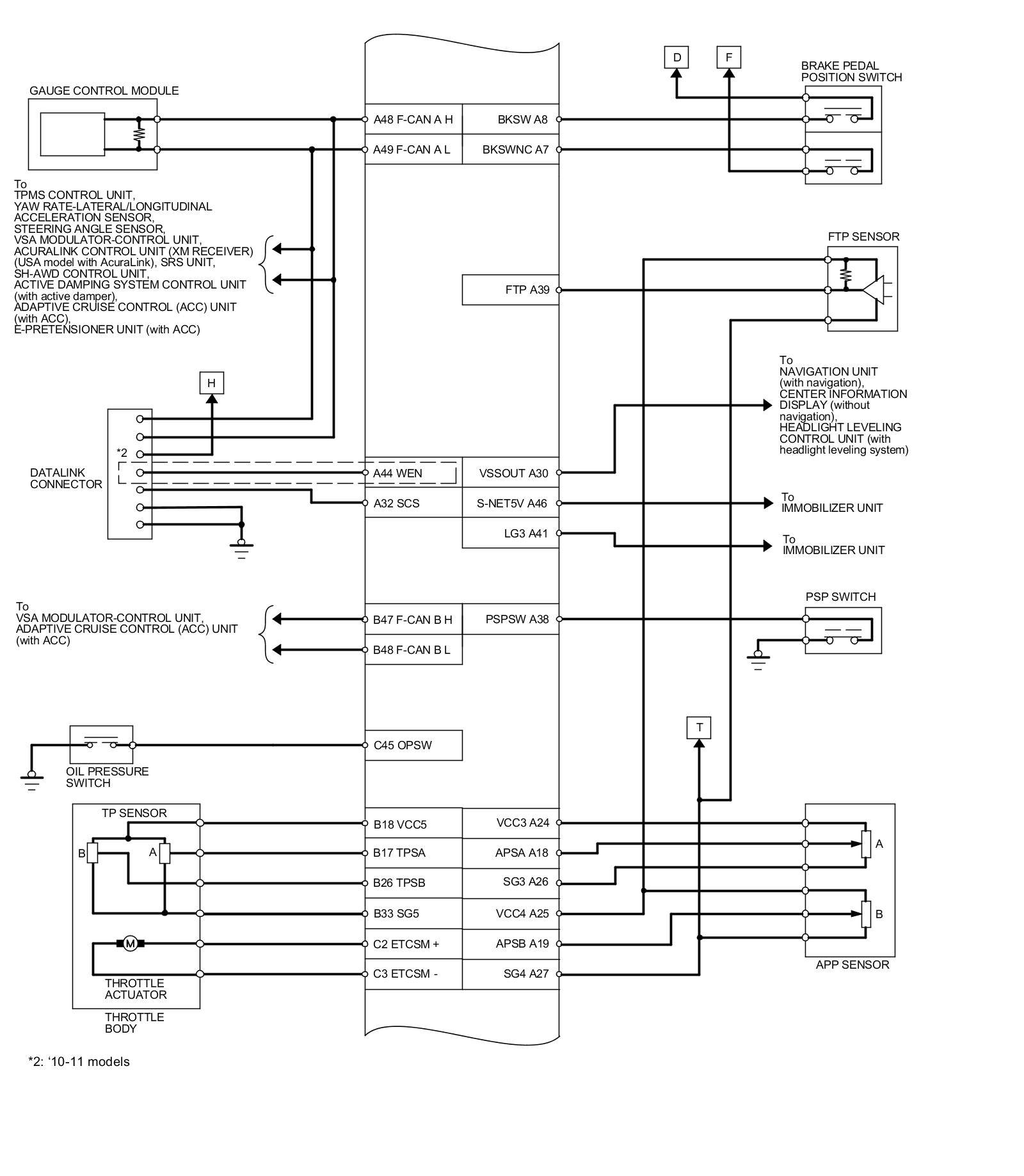
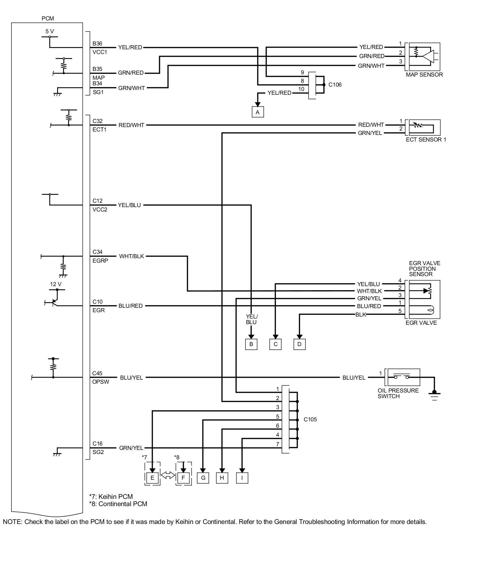
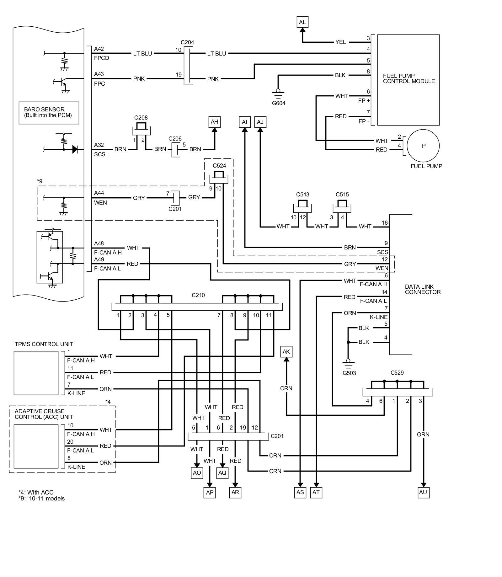
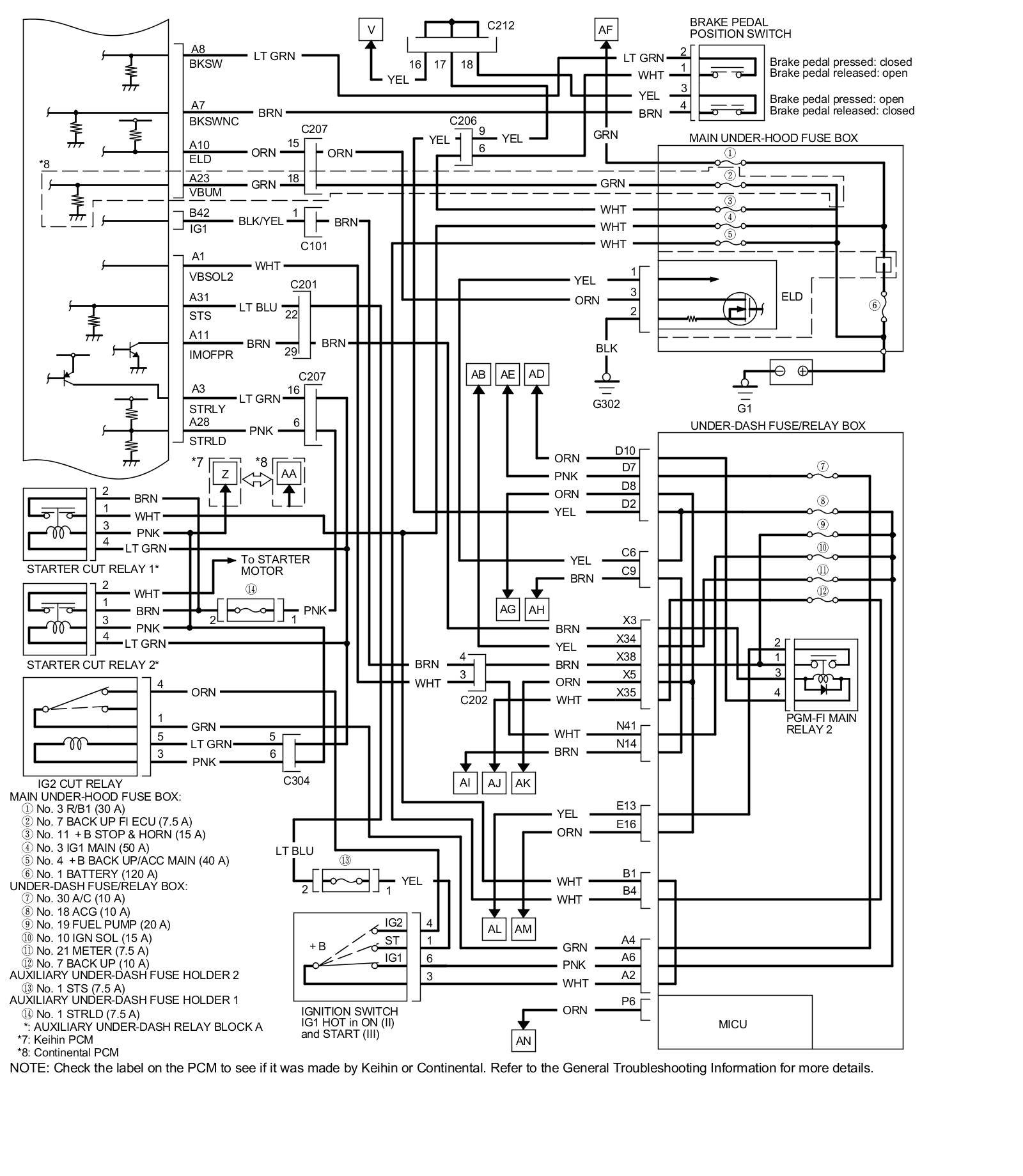
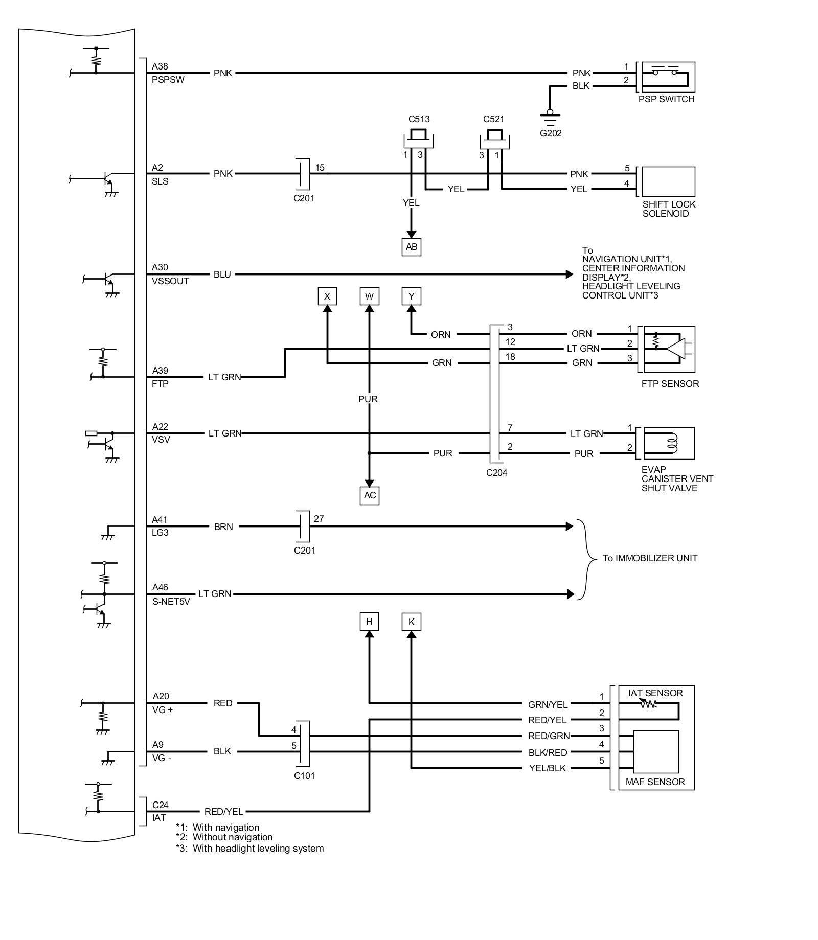
PCM Inputs and Outputs at PCM Connector A (square) (49P)









PCM Inputs and Outputs at PCM Connector A (square) (49P)









PCM Inputs and Outputs at PCM Connector A (square) (49P)









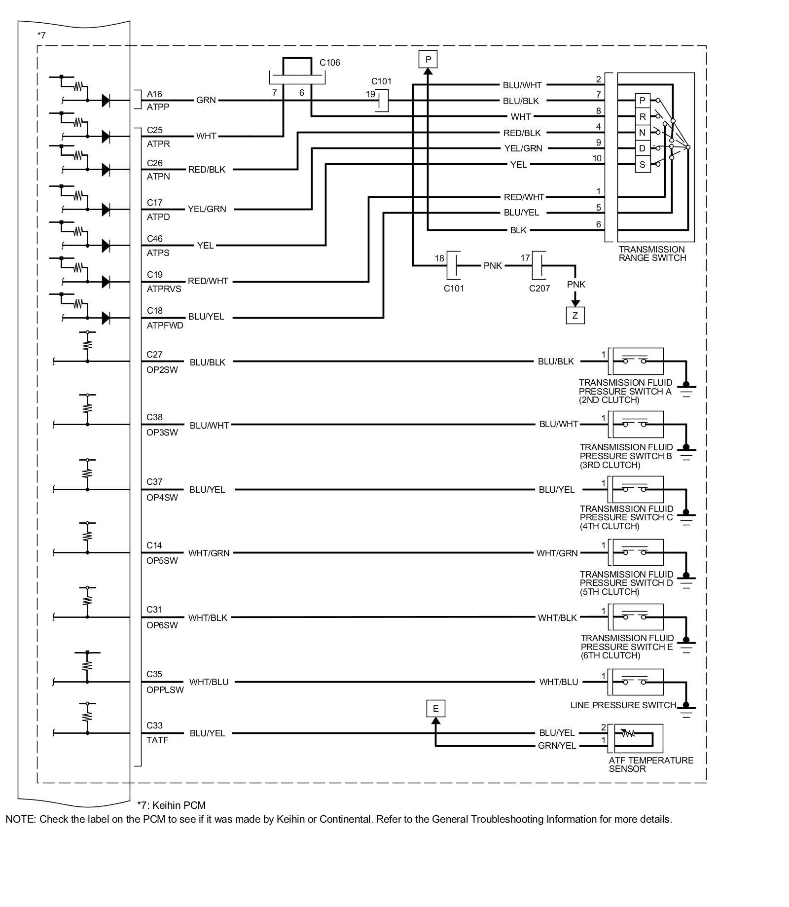
PCM Inputs and Outputs at PCM Connector B (triangle) (49P)









PCM Inputs and Outputs at PCM Connector B (triangle) (49P)









PCM Inputs and Outputs at PCM Connector B (triangle) (49P)









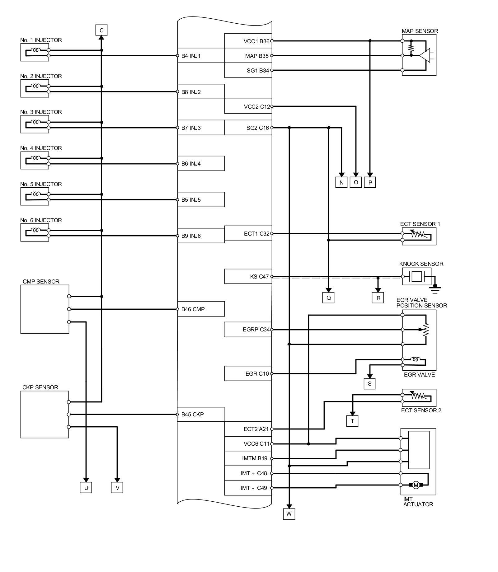
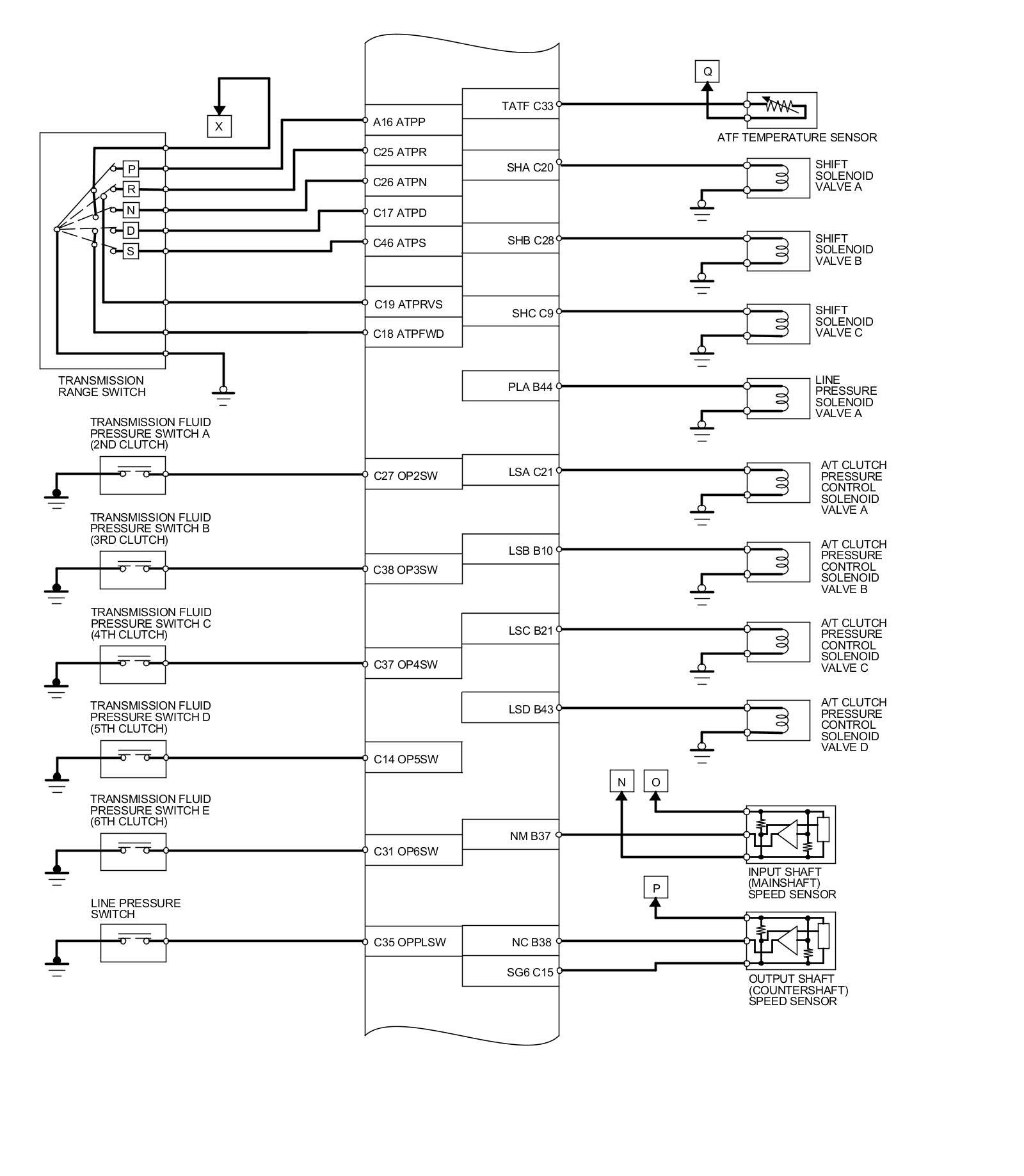
PCM Inputs and Outputs at PCM Connector C (circle) (49P)









PCM Inputs and Outputs at PCM Connector C (circle) (49P)









PCM Inputs and Outputs at PCM Connector C (circle) (49P)













PCM Inputs and Outputs at PCM Connector C (circle) (49P)













PCM Inputs and Outputs at PCM Connector C (circle) (49P)









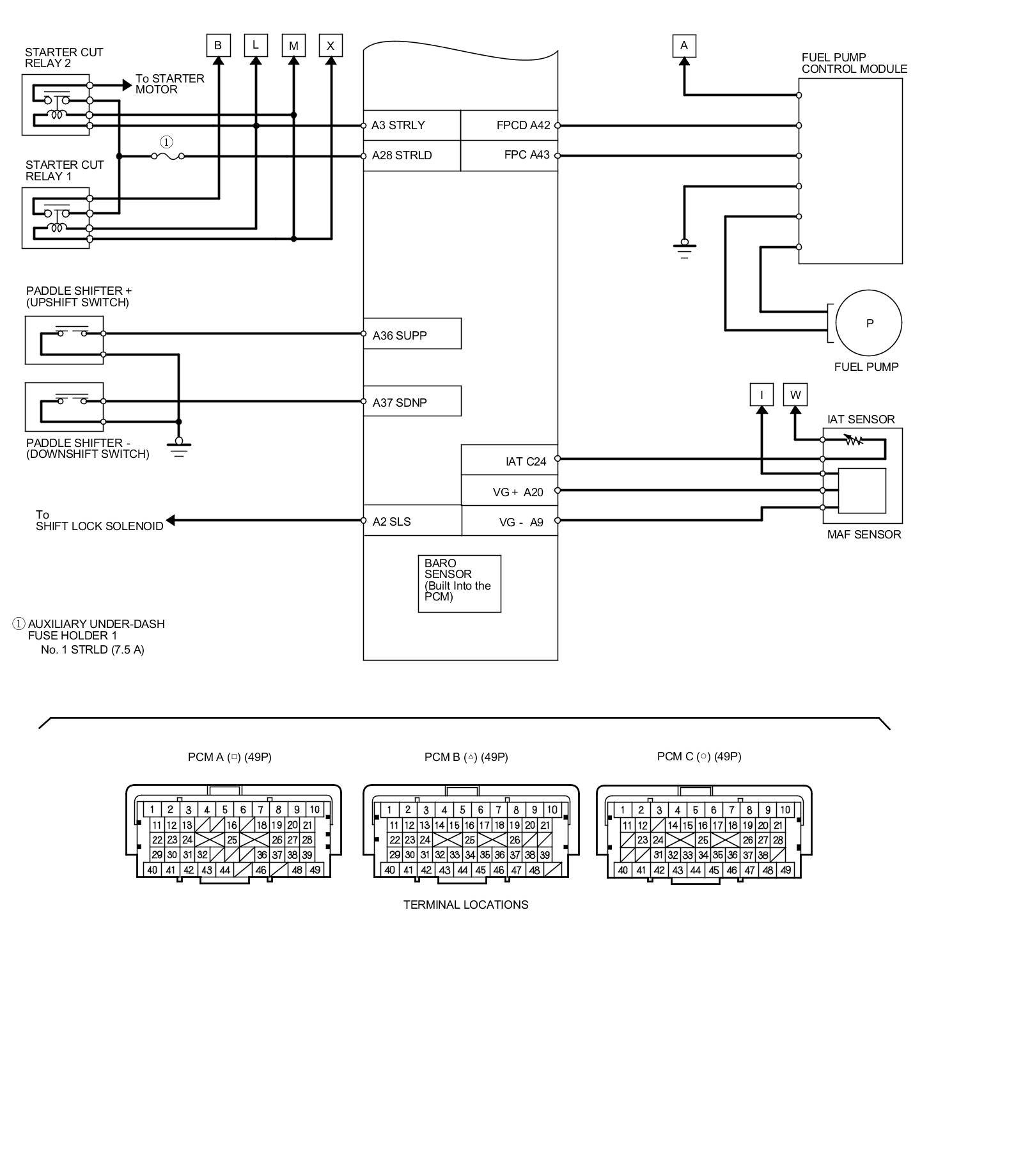
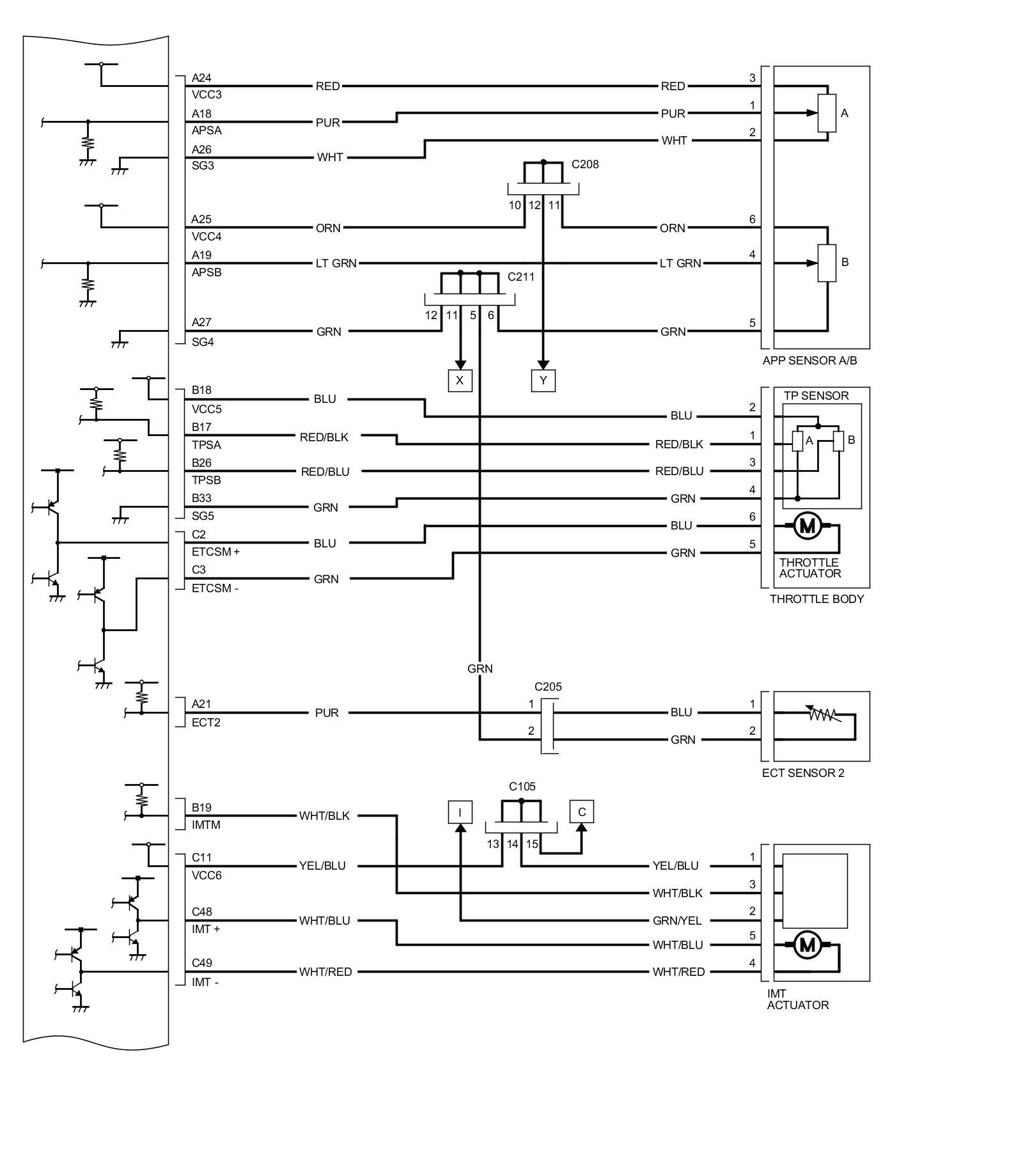
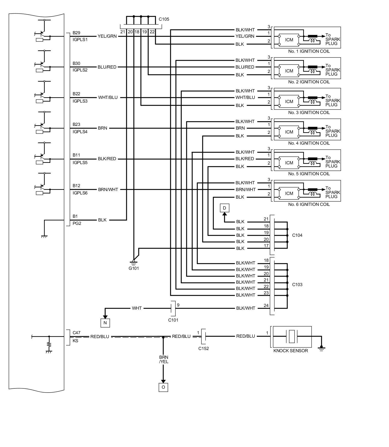
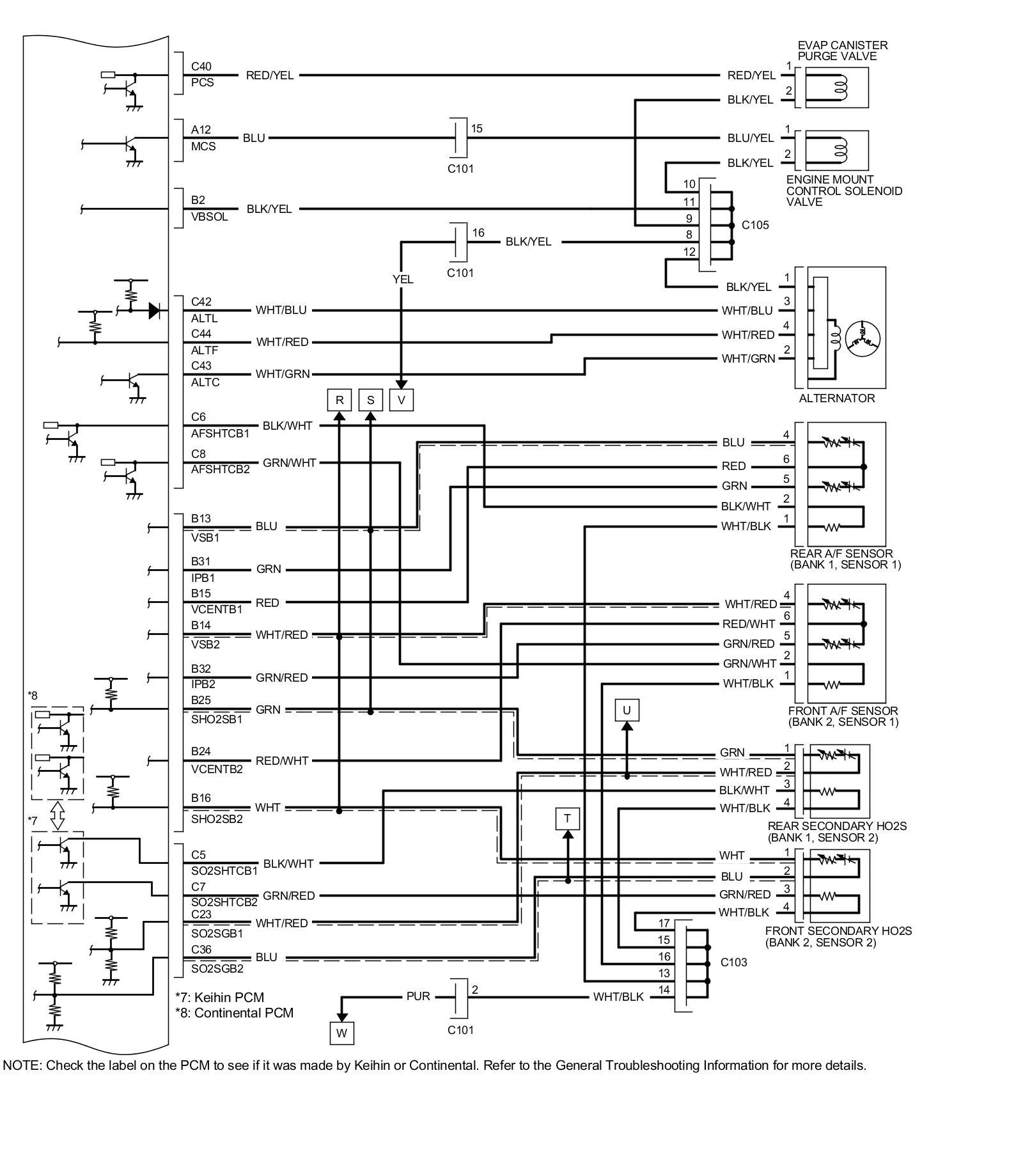
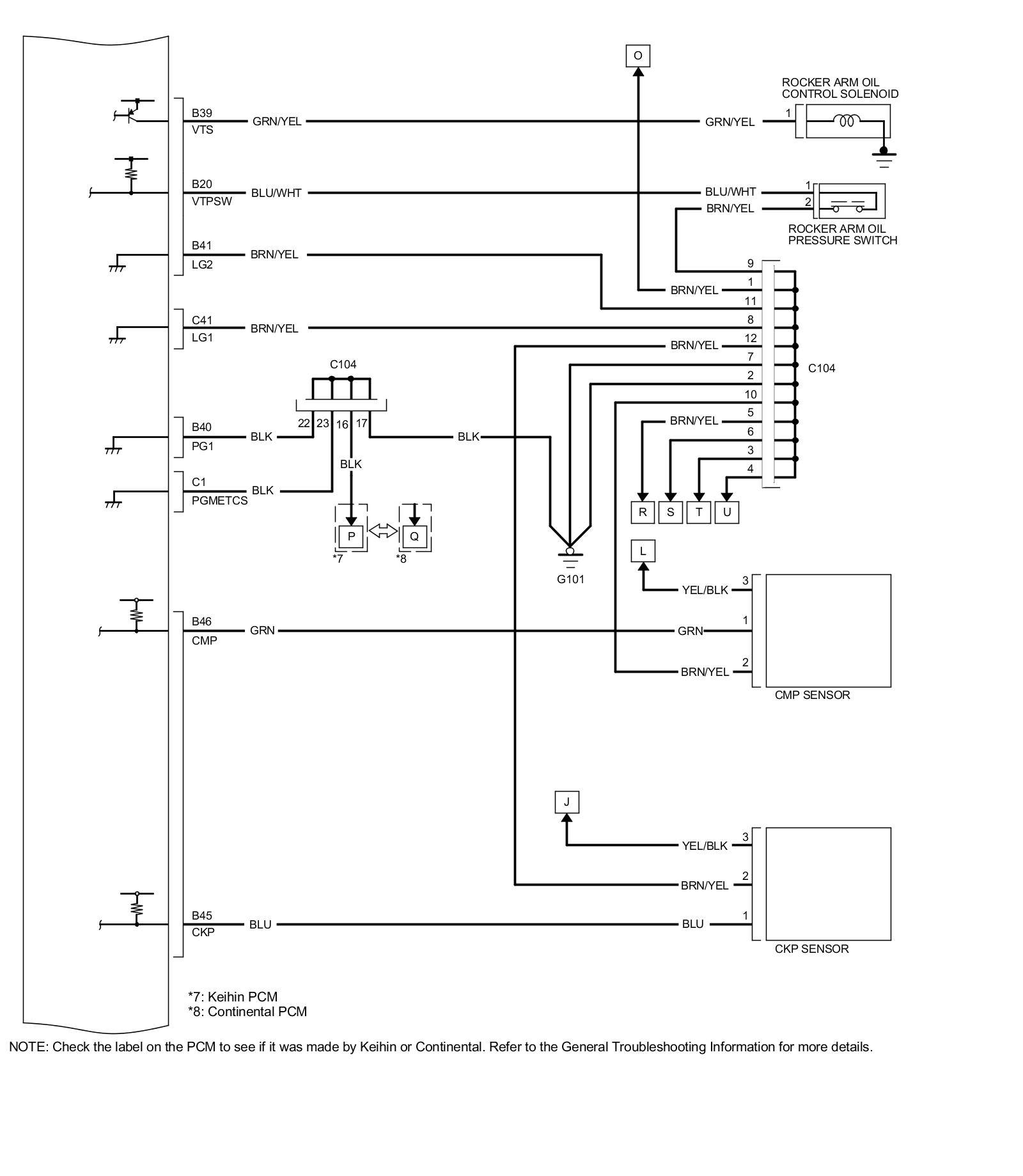
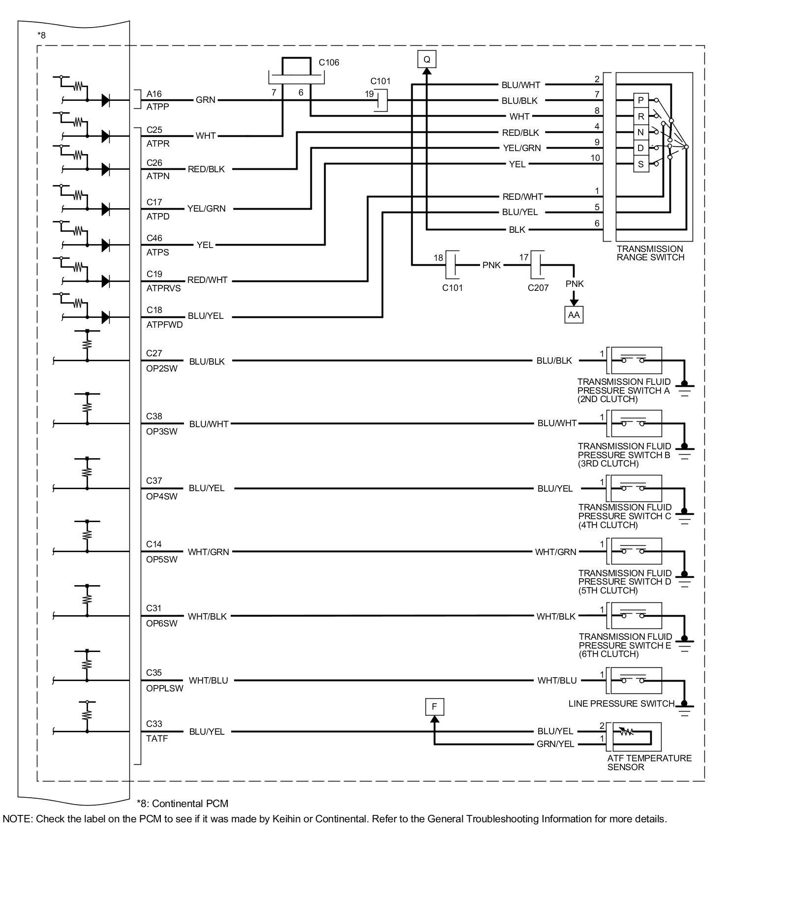
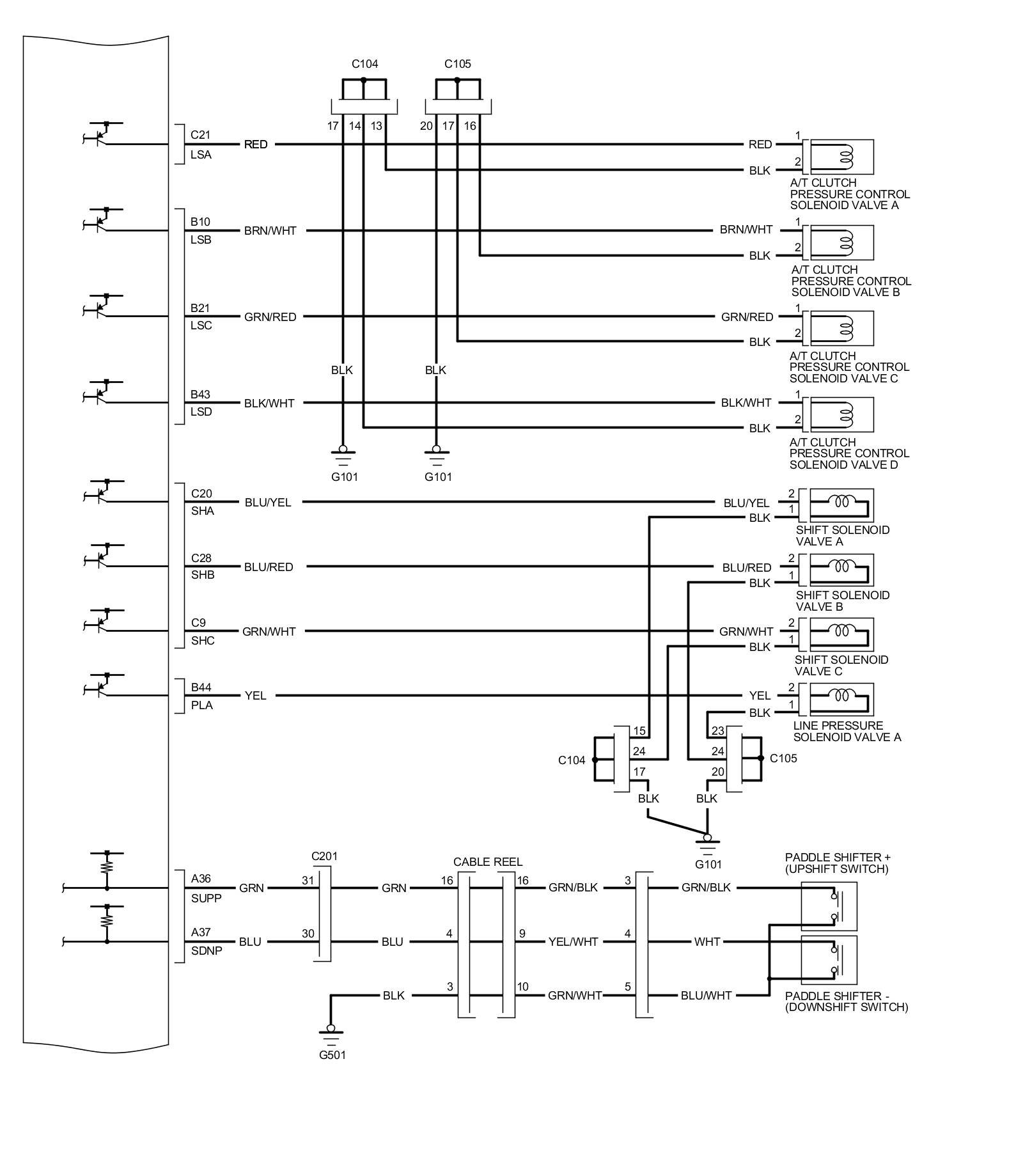
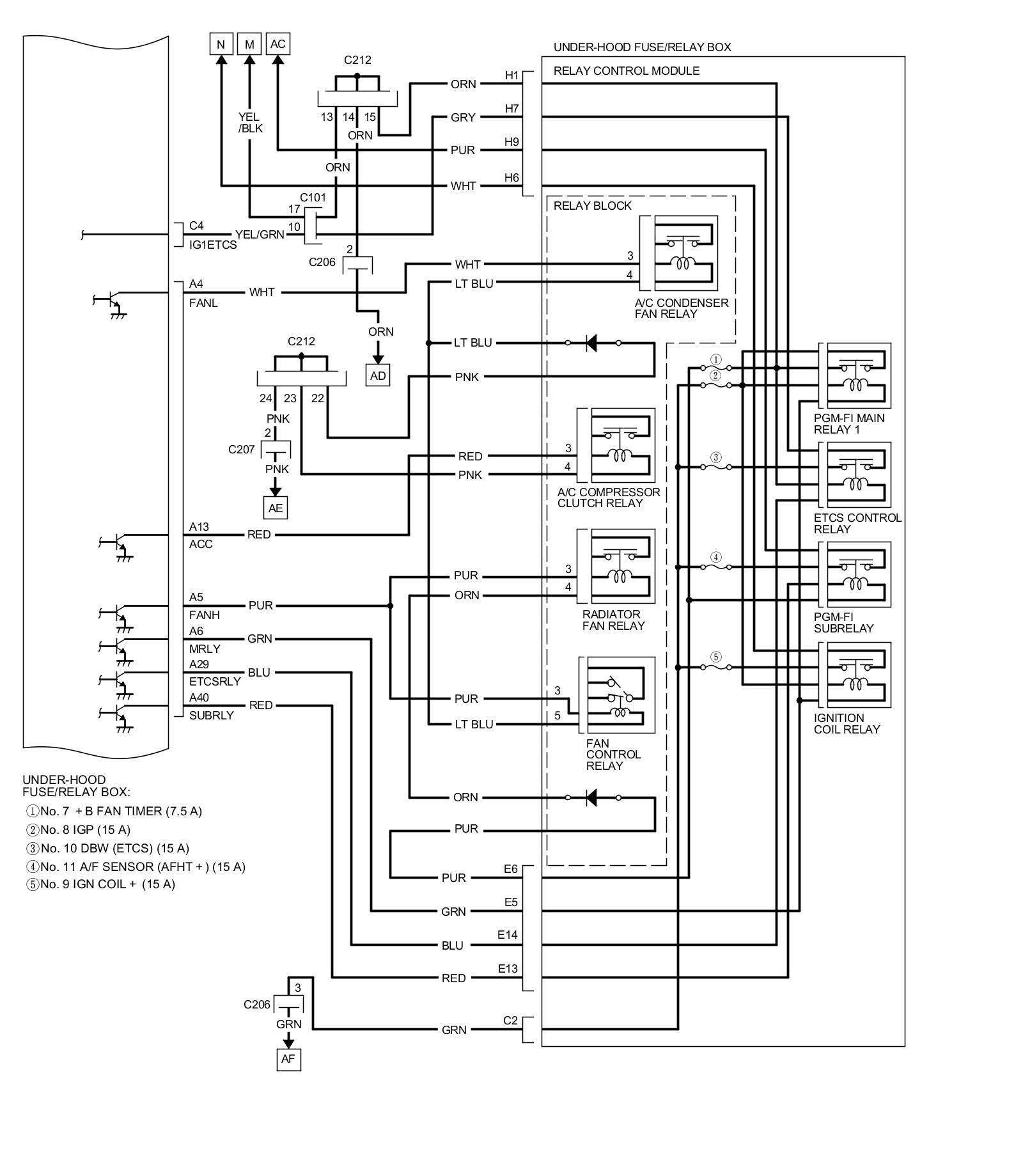
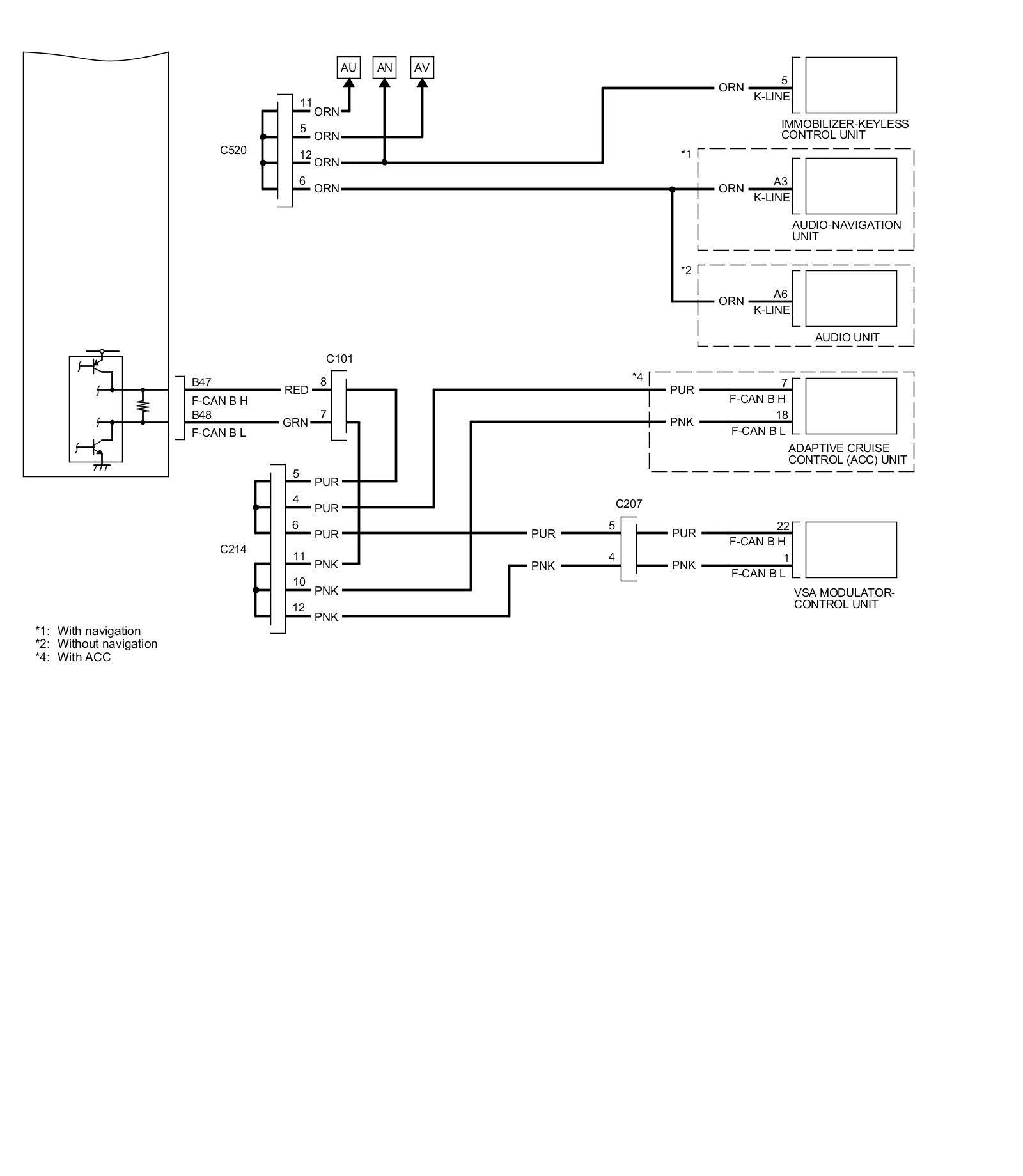
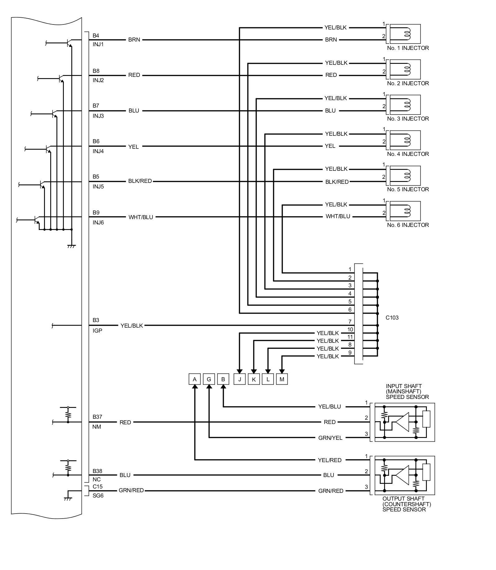
PCM Electrical Connections


























PCM Circuit Diagram