Operation CHARM: Car repair manuals for everyone.
Manuals through 2025 now available!

Our trusted friends have launched a new website named LEMON, which has newer manuals. It also contains all the CHARM manuals.

LEMON is the spiritual successor to CHARM, I recommend you try it!

Link: lemon-manuals.la or lemon-manuals.org.ua

(Some people have issue connecting. LEMON is investigating. For now, use Firefox or change your DNS server)

Or, hide this message: temporarily or permanently

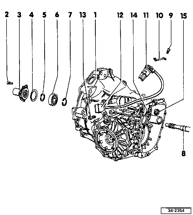
Housing, Input Shaft Bearing, Multi-Function Switch: Overview







NOTE: Observe instructions at "Sequence of Operations"

1. Transmission housing with differential and drive flanges
- Mount transmission in repair stand
- Ensure proper press-in depth of sleeve for transmission breather: refer to "Procedures"
- Seal transmission housing with AMV 188 200
2. Self-locking Torx bolt
- Always replace
- 35 Nm (26 ft lb)
3. Guide sleeve with oil seal
4. Dished washer
- Small diameter toward guide sleeve (curved side)
5. Circlip
6. Input shaft ball bearing
7. Circlip
8. Input shaft
9. Bolt
- 25 Nm (18 ft lb)
10. Mounting plate for multi-function switch
11. Multi-function switch
- Back-up light switch
12. Connector for multi-function switch
13. Torx bolt
- 10 Nm (7 ft lb)
14. Cover for shift lever shaft
- If necessary, remove with multi-purpose tool VW 771 and inside puller 18.5-23.5 mm (3/4-15/16 in.), e.g. Kukko 2113
- Tightening torque for securing bolts: 20 Nm (15 ft lb)
15. 5th/Reverse gear detent
- Can be replaced with transmission installed
- Tightening torque for securing bolts: 10 Nm (7 ft lb)
- Set bevelled side of plastic bushing toward hole for relay shaft
- Observe assembly position: refer to "Procedures"