Operation CHARM: Car repair manuals for everyone.
Manuals through 2025 now available!

Our trusted friends have launched a new website named LEMON, which has newer manuals. It also contains all the CHARM manuals.

LEMON is the spiritual successor to CHARM, I recommend you try it!

Link: lemon-manuals.la or lemon-manuals.org.ua

(Some people have issue connecting. LEMON is investigating. For now, use Firefox or change your DNS server)

Or, hide this message: temporarily or permanently

Radiator Support: Service and Repair

Lock carrier plate with support and headlight mount, removing and installing

CAUTION! DO NOT re-use any fasteners that are worn or deformed in normal use. Many fasteners are designed to be used only once and become unreliable and may fail when used a second time. This includes, but is not limited to, nuts, bolts, washers, self-locking nuts or bolts, circlips, and cotter pins. For replacements always use new parts.


Removing

- Remove front bumper Service and Repair
- Remove headlights
- Remove radiator and lower radiator mounting bolts, then disconnect Bowden cable from lock carrier plate -11-.





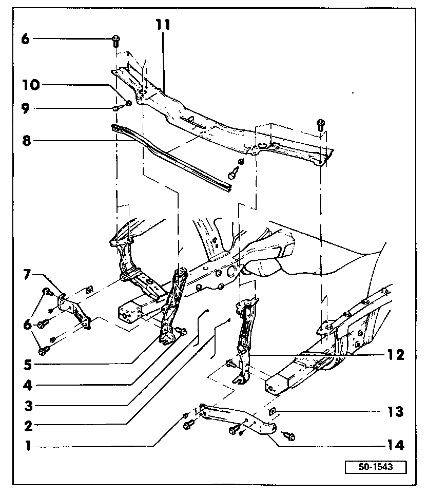
1 - Push-in nut
2 - Locking lever for left lock pin
3 - Locking lever for right lock pin
4 - Combi bolts
23 Nm (17 ft lb)
5 - Right support
6 - Combi self-tapping screws
7.5 Nm (66 in lb)
7 - Right headlight mount
8 - Seal
Remove lock carrier plate
9 - Adjustment stopper
10 - Hex nut
15 Nm (11 ft lb)
11 - Lock carrier plate
12 - Left support
13 - Speed nut
14 - Left headlight mount