Manuals through 2025 now available!
Our trusted friends have launched a new website named LEMON, which has newer manuals. It also contains all the CHARM manuals.
LEMON is the spiritual successor to CHARM, I recommend you try it!
Link:
lemon-manuals.la or
lemon-manuals.org.ua
(Some people have issue connecting. LEMON is investigating. For now, use Firefox or change your DNS server)
Or, hide this message:
temporarily or
permanently
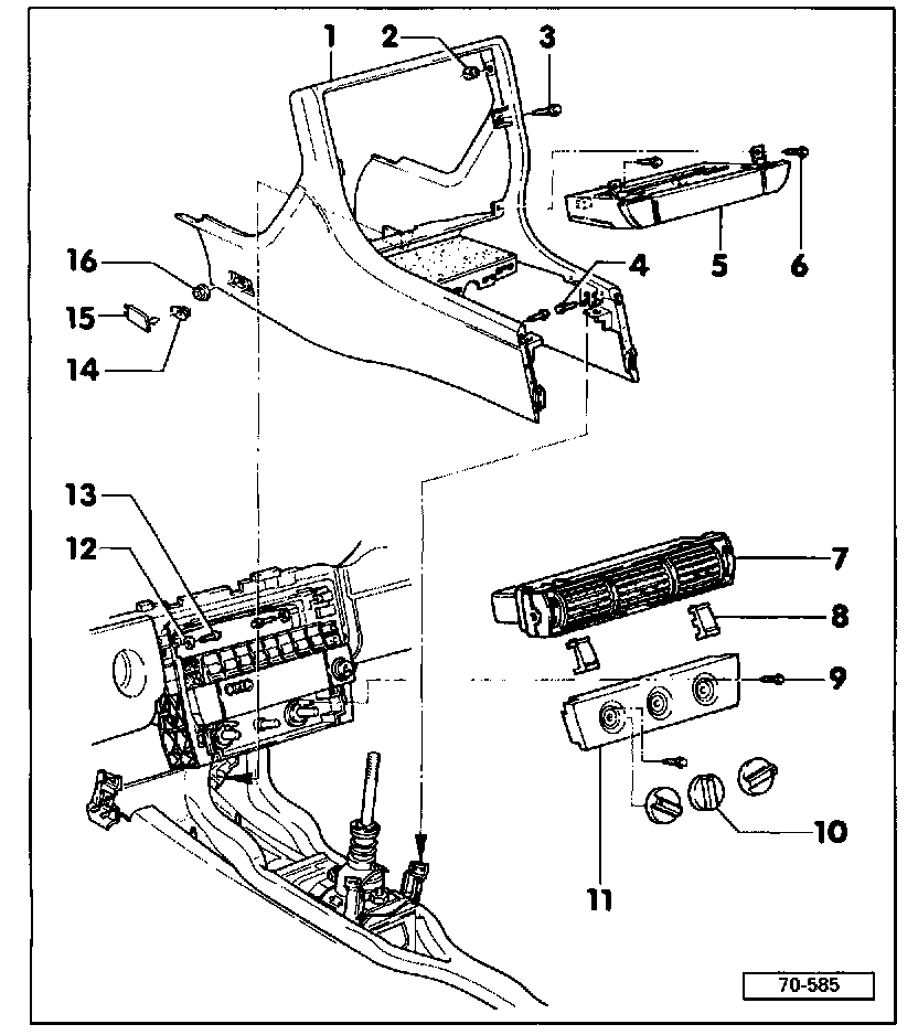
Front Center Console, Assembly
Front center console, assembly 1 -
Front center console
2 -
Speed nut
3 -
Bolt
4 -
Bolt
5 -
Ashtray
6 -
Bolt
7 -
Center air outlet
8 -
Switch mounting trim
9 -
Screw
10 -
Rotary switch
11 -
Trim plate for heater controls
12 -
Packing
13 -
Bolt
14 -
Retaining clip
15 -
Cover
16 -
Nut