Operation CHARM: Car repair manuals for everyone.
Manuals through 2025 now available!

Our trusted friends have launched a new website named LEMON, which has newer manuals. It also contains all the CHARM manuals.

LEMON is the spiritual successor to CHARM, I recommend you try it!

Link: lemon-manuals.la or lemon-manuals.org.ua

(Some people have issue connecting. LEMON is investigating. For now, use Firefox or change your DNS server)

Or, hide this message: temporarily or permanently

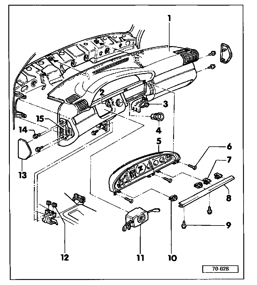
Instrument Panel

Instrument panel, assembly




1 - Instrument panel
2 - Clamping ring for ignition switch trim ring
3 - Screw
4 - Ignition switch trim ring
5 - Instrument cluster
6 - Screw
7 - Retaining clip
8 - Trim strip
9 - Bolt
10 - Speed nut
11 - Steering column switch
12 - Speed nut
13 - Cover cap
14 - Bolt
15 - Fuse panel