Operation CHARM: Car repair manuals for everyone.
Manuals through 2025 now available!

Our trusted friends have launched a new website named LEMON, which has newer manuals. It also contains all the CHARM manuals.

LEMON is the spiritual successor to CHARM, I recommend you try it!

Link: lemon-manuals.la or lemon-manuals.org.ua

(Some people have issue connecting. LEMON is investigating. For now, use Firefox or change your DNS server)

Or, hide this message: temporarily or permanently

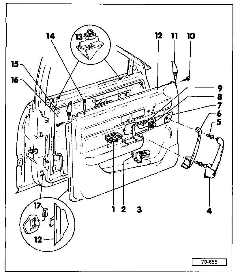
Front Door Panel

Front door trim panel, assembly





1 - Console
2 - Screw
3 - Console for seat memory control
4 - Door armrest cover
5 - Screw
6 - Door armrest
7 - Trim plate
8 - Switch
9 - Inner door lock mechanism
10 - Screw
11 - Filler piece
12 - Trim panel
13 - Adjusting clip
14 - Locking button
15 - Plugs
16 - Insulation
17 - Base for hooks