Operation CHARM: Car repair manuals for everyone.
Manuals through 2025 now available!

Our trusted friends have launched a new website named LEMON, which has newer manuals. It also contains all the CHARM manuals.

LEMON is the spiritual successor to CHARM, I recommend you try it!

Link: lemon-manuals.la or lemon-manuals.org.ua

(Some people have issue connecting. LEMON is investigating. For now, use Firefox or change your DNS server)

Or, hide this message: temporarily or permanently

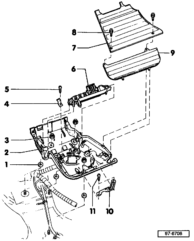
Electronic Control Box, Assembly

Electronic Control Box, Assembly:





1 - Rubber washer
2 - Housing
3 - Nut

- Tightening torque: 2.2 Nm (19 in lb)
4 - Clip
5 - Screw
6 - Bracket
7 - Upper cover

8 - Screw
9 - Lower cover

10 - Clip
- For Engine Control Module (ECM)
11 - Screw