Operation CHARM: Car repair manuals for everyone.
Manuals through 2025 now available!

Our trusted friends have launched a new website named LEMON, which has newer manuals. It also contains all the CHARM manuals.

LEMON is the spiritual successor to CHARM, I recommend you try it!

Link: lemon-manuals.la or lemon-manuals.org.ua

(Some people have issue connecting. LEMON is investigating. For now, use Firefox or change your DNS server)

Or, hide this message: temporarily or permanently

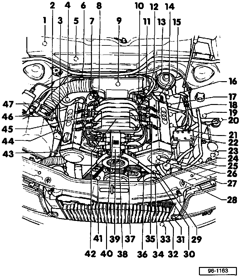
In Engine Compartment



Engine Compartment, Component Locations:





1 - Battery -A-

2 - EGR vacuum regulator solenoid valve -N18-

3 - Intake manifold change-over valve -N156-

4 - Heated oxygen sensor -G39-1-Z19-

5 - Back-up light switch -F4

6 - Power Output stage -N122-

7 - Electronic Engine Coolant Temperature (ECT) thermal switch -F76-

8 - Idle Air Control (IAC) valve -N71-

9 - Throttle Position (TP) sensor -G69-, Closed Throttle Position (CTP) switch -F60-

10 - EGR temperature sensor -G98-

11 - Engine Coolant Temperature (ECT) sensor -G62-

12 - Cruise control switch E45-

13 - Brake fluid level warning switch -F34-

14 - Camshaft Position (CMP) sensor -G40-

15 - Servotronic solenoid valve -N119-
On steering gear

16 - Speedometer Vehicle Speed Sensor (VSS) -G22-

17 - Heated Oxygen Sensor (HO2S) 2-G108-, Oxygen Sensor (02S) 2 heater -Z28-

18 - Engine speed (RPM) sensor -G28-

19 - Engine Coolant Level (ECL) warning switch -F66-

20 - Cruise control vacuum pump -V18-

21 - Crankshaft Position (CKP) sensor -G4-(reference)

22 - ABS hydraulic unit -N55-

23 - Windshield washer pump -Vs-, windshield washer fluid level warning switch -F77-

24 - Headlight washer pump -V11-97-21

25 - Coolant Fan Control (FC) series resistance -N39-

26 - Oil pressure switch -F1-
0.9 bar (13 psi)

27 - 0.3 bar oil pressure switch -F22-, engine oil pressure sensor -G10

28 - Coolant Fan Control (FC) thermal switch -F18-,-F54-

29 - A/C compressor speed sensor -G111-

30 - Protection diode -J201-
On compressor

31 - A/C refrigerant high pressure switch -F23-

32 - A/C refrigerant high pressure switch -F118-

33 - Outside air temperature sensor -G17-

34 - Coolant fan -V7-

35 - Knock sensor (KS) 2 -G66-

36 - A/C clutch -N25-

37 - Engine oil temperature sensor -G8-

38 - Ignition coil -N-
Cylinders 1 and 6

39 - Ignition coil 2 -N128-
Cylinders 2 and 4

40 - Ignition coil 3 -N158-
Cylinders 3 and 5

41 - Right coolant fan II -V35-

42 - Fuel Injectors
Cylinder 1 fuel injector -N30-
Cylinder 2 fuel injector -N31-
Cylinder 3 fuel injector -N32-
Cylinder 4 fuel injector -N33-
Cylinder 5 fuel injector N83-
Cylinder 6 fuel injector -N84

43 - Generator (GEN) -C-, Voltage Regulator (VR) -C1-

44 - Starter -B-

45 - Knock Sensor (KS) I -G61-

46 - Mass Air Flow (MAF) sensor -G70-

47 - Evaporative Emission (EVAP) canister purge regulator valve -N80-