Operation CHARM: Car repair manuals for everyone.
Manuals through 2025 now available!

Our trusted friends have launched a new website named LEMON, which has newer manuals. It also contains all the CHARM manuals.

LEMON is the spiritual successor to CHARM, I recommend you try it!

Link: lemon-manuals.la or lemon-manuals.org.ua

(Some people have issue connecting. LEMON is investigating. For now, use Firefox or change your DNS server)

Or, hide this message: temporarily or permanently

Power Mirror Control Module: Locations



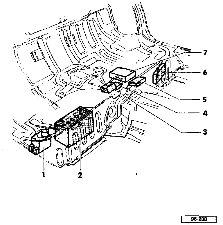
Component locations, under rear seat

Component Locations, Under Rear Seat:






1. Central locking/alarm system/interior light delay control module -V94-
2. Battery -A-
3. Mirror memory control module -J267-
4. ABS acceleration switch -F113-
5. Airbag energy reserve -J177-
6. ABS control module (w/EDL) -J104-
7. Airbag voltage transformer -N96-